ENGLISH
22
1 INTRODUCTION
This manual describes the instructions for use and
maintenance of the HF pump and should be carefully read and
understood before using the pump.
Proper pump operation and duration depend on the correct
use and maintenance.
Interpump Group disclaims any responsibility for damage
caused by negligence or failure to observe the standards
described in this manual.
Upon receipt, verify that the pump is intact and complete.
Report any faults before installing and starting the pump.
2 DESCRIPTION OF SYMBOLS
Read the contents of this manual carefully before each
operation.
Warning Sign
Read the contents of this manual carefully before
each operation.
Danger Sign
Danger of electrocution.
Danger Sign
Wear a protective mask.
Danger Sign
Wear protective goggles.
Danger Sign
Put on protective gloves before each operation.
Danger Sign
Wear appropriate footwear
3 SAFETY
3.1 General safety warnings
Improper use of pumps and high pressure systems as well as
non-compliance with installation and maintenance standards
can cause serious damage to people and/or property.
Anyone assembling or using high pressure systems must
possess the necessary competence to do so, knowing the
characteristics of the components that will assemble/use and
take all precautions necessary to ensure maximum safety in all
conditions of use. In the interest of safety, both for the Installer
and the Operator, no reasonably applicable precaution should
be omitted.
3.2 Essential safety in the high pressure system
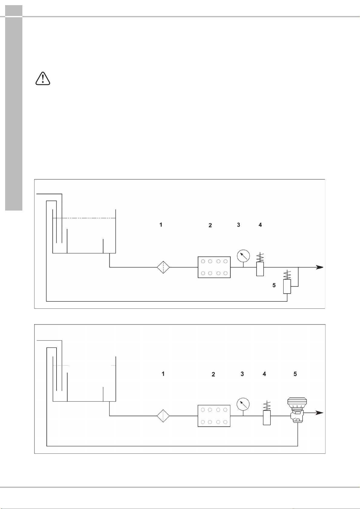
1. The pressure line must always be provided with a safety
valve.
2. High pressure system components, particularly for systems
that operate primarily outside, must be adequately
protected from rain, frost and heat.
3. The electrical control system must be adequately
protected against sprays of water and must meet specic
regulations in force.
4. The high pressure pipes must be properly sized for
maximum operating pressure of the system and always
and only used within the operating pressure range
specied by the Manufacturer of the pipe itself. The same
rules should be observed for all other auxiliary systems
aected by high pressure.
5. The ends of high pressure pipes must be sheathed
and secured in a solid structure, to prevent dangerous
whiplash in case of bursting or broken connections.
6. Appropriate protective casing must be provided in pump
transmission systems (couplings, pulleys and belts,
auxiliary power outlets).
3.3 Safety during work
The room or area within which the high pressure system
operates must be clearly marked and prohibited to
unauthorised personnel and, wherever possible, restricted or
fenced. Personnel authorised to access this area should rst
be instructed how to operate within this area and informed
of the risks arising from high pressure system defects or
malfunctions.
Before starting the system, the Operator is required to verify
that:
1. The high pressure system is properly powered, see
chapter9 par.9.5.
2. The pump suction lters are perfectly clean; it is
appropriate to include a device indicating the clogging
level on all devices.
3. Electrical parts are adequately protected and in perfect
condition.
4. The high pressure pipes do not show signs of abrasion and
the ttings are in perfect order.
Any fault or reasonable doubt that may arise before or
during operation should be promptly reported and veried
by qualied personnel. In these cases, pressure should be
immediately cleared and the high pressure system stopped.
3.4 Rules of conduct for the use of lances
1. The operator must always place his safety and security
rst, as well as that of others that may be directly aected
by his/her actions, or any other assessments or interests.
The operator's work must be dictated by common sense
and responsibility.
2. The operator must always wear a helmet with a protective
visor, waterproof gear and wear boots that are appropriate
for use and can ensure a good grip on wet oors.
Note: appropriate clothing will protect against sprays of water
but not from direct impact with jets of water or very close sprays.
Additional protections may therefore be necessary in certain
circumstances.
3. It is generally best to organise personnel into teams of at
least two people capable of giving mutual and immediate
assistance in case of necessity and of taking turns during
long and demanding operations.
4. The work area jet range must be absolutely prohibited to
and free from objects that, inadvertently under a pressure
jet, can be damaged and/or create dangerous situations.
5. The water jet must always and only be pointed in the
direction of the work area, including during preliminary
tests or checks.
6. The operator must always pay attention to the trajectory
of debris removed by the water jet. Where necessary,
suitable guards must be provided by the Operator to
protect anything that could become accidentally exposed.
7. The operator should not be distracted for any reason
during work. Workers needing to access the operating area
must wait for the Operator to stop work on his/her own
initiative, after which they should immediately make their
presence known.
8. It is important for safety that all team members are always
fully aware of each other's intentions in order to avoid
dangerous misunderstandings.