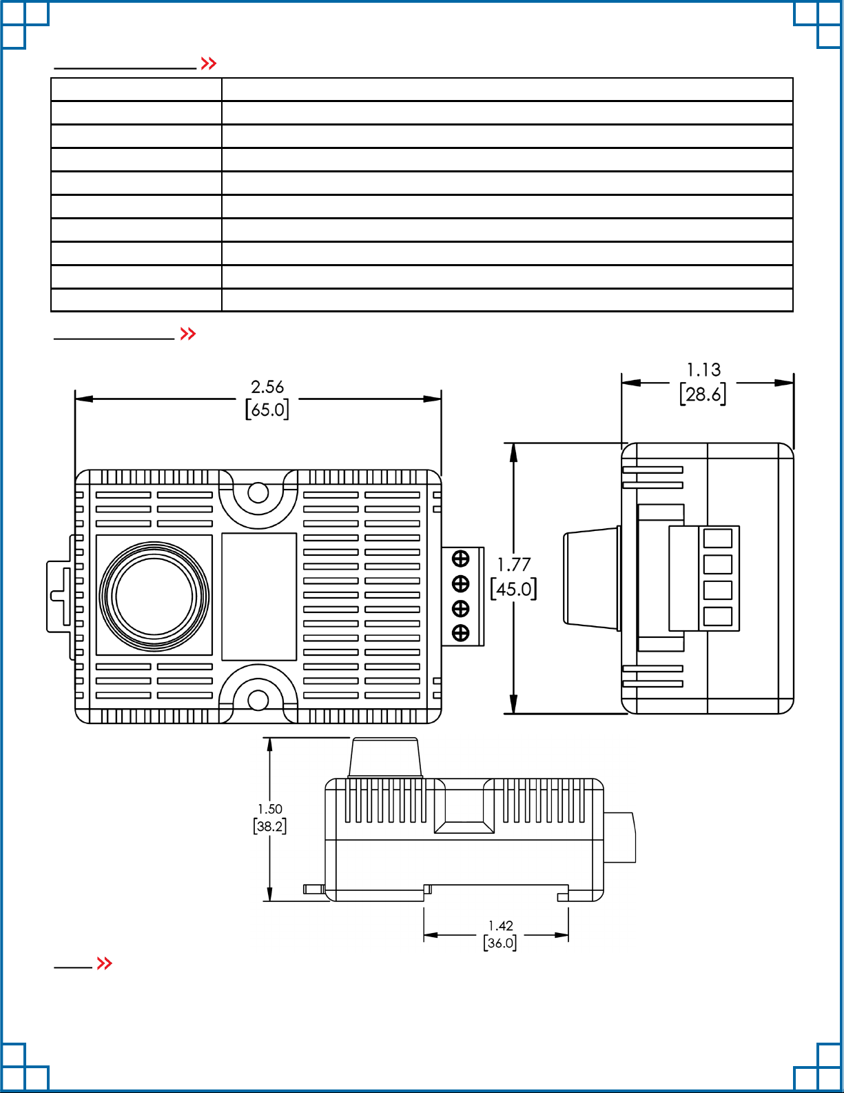
3
Electrical Diagram
1. 24V and GND are the power interface, D1 is the power indicator.
2. Aout is the analog output interface, VR2 is the signal trimmer potentiometer.
3. VR1 is the magnification (the output of 0-5V and 0-10V can be adjusted freely through this potentiometer).
4. The load resistance of the sensor composed of R7 and RP2 potentiometer is in parallel relationship (can be changed by user).
5. Different sensors use different parameters. The parameters are based on the PCB board.
Typical Sensitivity Curve
The calculation of the resistance ratio according to the output voltage is as follows:
The sensor is energized in relatively clean air for more than half an hour and after measure the output voltage value of Aout.
VCC is the power supply voltage, 5 VDC
RL is the load resistance
VRL = Aout = Vair value
When the sensor detects gas, the RS value can be calculated after measuring the value of Aout.
The VRL value at this time is the Aout value after gas is detected. It is different from the value of the above formula. The VCC value and the RL value
are the same as above.
The R0 and RS values are obtained, and the specific concentration value of the gas is converted by the RS / R0 value of the Sensitivity Characteristic
Curve (To get 0-10V output, through 0-5V, the circuit is enlarged 2 times, so use the calculation method accordingly. VCC is based on 5V as the
benchmark).
The ordinate in the figure is the resistance ratio of the sensor (Rs/R0). The abscissa is the gas concentration. Rs represents the resistance value of the
sensor in different concentrations of gas, and R0 represents the resistance value of the sensor in clean air. All tests in the figures were done under
standard test conditions.