
2
Table of Contents
1. Overview................................................................................................................................3
1.1 Features......................................................................................................................3
1.2 Package Contents .......................................................................................................4
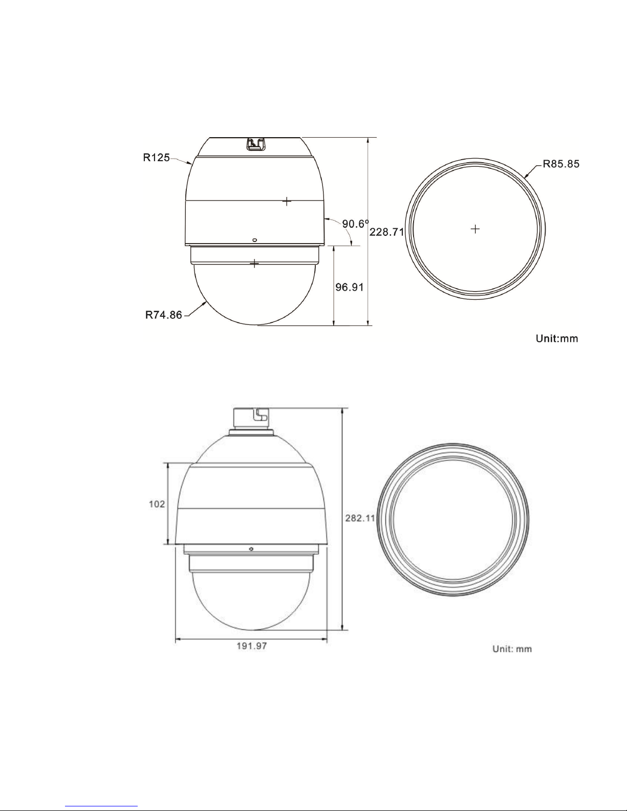
1.3 Dimensions..................................................................................................................6
1.4 Switch / Connector Definition.......................................................................................7
2. Camera Cabling.....................................................................................................................8
2.1 Connect Power............................................................................................................8
2.2 Connect Ethernet Cable...............................................................................................8
2.3 Apply Alarm I/O............................................................................................................9
2.4 Apply Audio .................................................................................................................9
3. System Requirements.........................................................................................................10
4. Access Camera ...................................................................................................................11
5. Setup Video Resolution......................................................................................................15
Appendix A: Technical Specifications.......................................................................................16
Appendix B: Delete the Existing DC Viewer..............................................................................19
Appendix C: Setup Internet Security.........................................................................................19
Appendix D: Video Resolution...................................................................................................21
Quad Stream........................................................................................................................21
Triple Stream........................................................................................................................25
Dual Stream.........................................................................................................................27
Single Stream.......................................................................................................................28