
9
Fig. 2-2
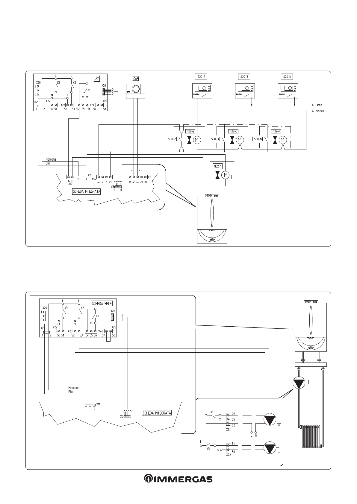
COLLEGAMENTO ELETTRICO.
La scheda è composta da tre relè (relè 1 = K1; relè 2 = K2 e relè 3
= K3), i relè sono congurabili a seconda del modello di caldaia
a cui sono abbinati, quindi in base al collegamento sarà possibile
ottenere diverse funzioni (vedi libretto istruzioni di caldaia).
N.B.: per la congurazione delle opzioni di funzionamento far
riferimento al paragrafo programmazione scheda elettronica del
libretto istruzioni della caldaia.
Attenzione, in caso di connettore X11 occupato procedere nel
seguente modo:
Scollegare il connettore "X11" presente sulla scheda di caldaia,
al suo posto collegare la scheda relè come descritto negli schemi
seguenti, dopodiché ricollegare il connettore rimasto libero al
connettore "X20" della scheda relè.
Dati tecnici scheda relè.
Tensione alimentazione: ........................................ 230VAC 50Hz
Portata max. contatto K1:.........................230VAC 1,00A cosφ 1
Portata max. contatto K2:.........................230VAC 0,75A cosφ 1
Portata max. contatto K3:.........................230VAC 0,75A cosφ 1
Contatto abilitazione relè K2 (X25) tipo SELV 24VDC 10mA
(bassa tensione in sicurezza)
Attenzione: non superare il carico massimo consentito dai fusibili
su scheda madre (si somma al carico di caldaia) (fusibile 3,15A).
SCHEMA ELETTRICO CON 2 ZONE.
La centralina è predisposta per la gestione diretta di massimo
due zone, la quale viene eettuata mediante il relè 1 e 2. Il relè
1 deve essere congurato come "Comando zona principale",
mentre il relè 2 come "Comando zona secondaria". Il relè 3 può
essere utilizzato per uno dei funzionamenti indicati nel libretto
istruzioni di caldaia.
Il Comando Amico Remoto deve essere impostato con funzio-
namento On/O per controllare la zona 1, mentre il termostato
ambiente controlla la zona 2.