4 - 2
4-1-5 AF AMPLIFIER CIRCUIT
(MAIN AND FRONT UNITS)
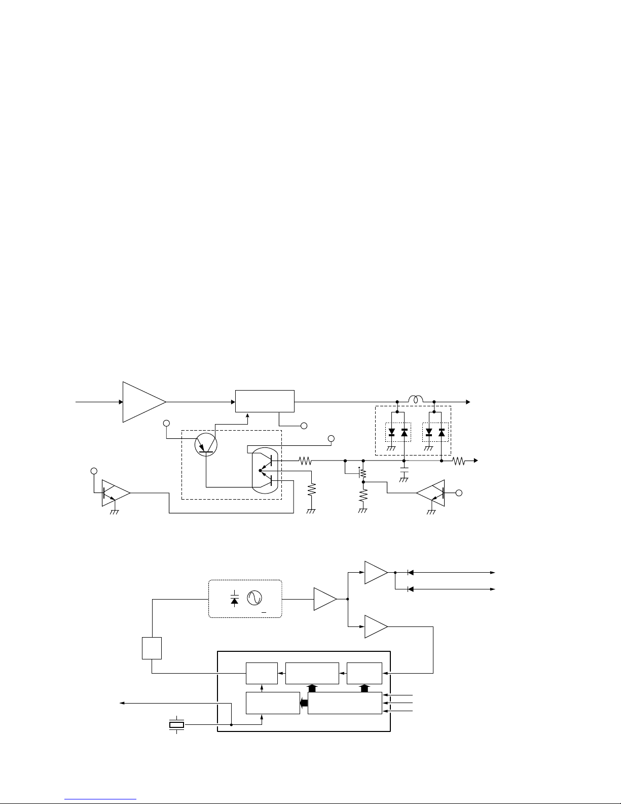
The AF amplifier circuit amplifies the detected signals to
drive a speaker. The AF circuit includes an AF mute circuit
for the squelch.
AF signals from IC1 (pin 9) are applied to the de-emphasis
circuit (R61, C89). The de-emphasis circuit is an integrated
circuit with frequency characteristic of –6 dB/octave.
The integrated signals pass through the high-pass filter (Q5,
R62–R67, C90, C91) to suppress unwanted lower noise sig-
nals.
The filtered signals are applied to theAF mute circuit (IC7B),
and then passes through the [VOLUME] control (VR board;
R1) via the “VOL1”signal. The signals are applied to the AF
power amplifier (IC6, pin 1). The output signal from IC6
(pin4) drives the internal (external) speaker.
4-1-6 SQUELCH CIRCUIT
(MAIN UNIT, LOGIC AND SQL BOARDS)
Asquelch circuit cuts out AF signals when no RF signals are
received. By detecting noise components in the AF signals,
the squelch circuit switches the AF mute switch.
A portion of the AF signals from the FM IF IC (IC1, pin 9)
pass through the squelch adjustment volume (SQL board;
R1), and are then applied to the active filter section (IC1, pin
8). The active filter section amplifies and filters noise com-
ponents. The filtered signals are applied to the noise detec-
tor section and output from pin 14 as the “SQL”signal. The
“SQL”signal is applied to the CPU (LOGIC board; IC1, pin
30). The CPU analyzes the noise condition and outputs the
“RMUTE”signal to toggle the AF mute switches (IC7B).
4-1-7 WEATHER ALERT DECODER CIRCUIT
(MAIN UNIT AND LOGIC BOARD)
When the weather alert function is activated and a 1050 Hz
alert tone from an NOAA weather radio broadcast is
received, the IC-M302 emits beep tones and indicates flash-
ing “ALT”on the display to inform of an emergency weather
report on the air.
AF signals from the FM IF IC (IC1, pin 9) pass through the
low-pass filter (IC2A) via the “DET”signal, and are then
applied to A/D port of the CPU (LOGIC board; IC1, pin 8) as
“WXDEC”signal. The CPU has the tone decoder function.
When a 1050 Hz signal is detected by software decode, the
CPU (LOGIC BOARD; IC1) controls beep tones and the
“ALT”indicator.
4-2 TRANSMITTER CIRCUITS
4-2-1 MICROPHONE AMPLIFIER CIRCUIT
(MAIN UNIT)
The microphone amplifier circuit amplifies audio signals with
+6 dB/octave pre-emphasis from the microphone to a level
needed at the modulation circuit.
The AF signals from the microphone are amplified at the
microphone amplifier (IC2B) via the analog switch (IC7A,
pins 1, 2). A capacitor (C223) and resistor (R167) are con-
nected to the amplifier to obtain the pre-emphasis charac-
teristics.
The amplified signals are applied to the IDC amplifier (IC2C,
pin 9) and are passed through the splatter filter (IC2D, pins
12, 14) to suppress unwanted 3 kHz or higher signals. The
filtered signals are then applied to the modulation circuit.
4-2-2 MODULATION CIRCUIT (MAIN UNIT)
The modulation circuit modulates the VCO oscillating signal
(RF signal) using the microphone audio signals.
Audio signals from the splatter filter (IC2D) pass through the
frequency deviation adjustment pot (R184) and are then
applied to the modulation circuit (D11, D12) to change the
reactance of D11–D14 and modulate the oscillated signal at
the VCO (Q13, Q14).
4-2-3 DRIVE AMPLIFIER CIRCUIT (MAIN UNIT)
The drive amplifier circuit amplifies the VCO oscillating sig-
nal to a level needed at the power amplifier.
The VCO output is buffer-amplified by Q15 and Q16, and is
then applied to the Tx/Rx switch (D16, D17). The transmit
signal from the Tx/Rx switch is amplified to the pre-drive
(Q17) and YGR (Q18) amplifiers to obtain an approximate
10 mW signal level. The amplified signal is then applied to
the RF power amplifier (IC4).
4-2-4 POWER AMPLIFIER CIRCUIT (MAIN UNIT)
The power amplifier circuit amplifies the driver signal to an
output power level.
IC4 is a power module which has amplification output capa-
bilities of about 25 W with 10 mW input. The output from IC4
(pin 4) is passed through the antenna switching circuit (D1)
and is then applied to the antenna connector via the low-
pass filter.