
MP34.2721
23SEP13
AUTOMATIC HYDRAULIC LEVELING
1. Place transmission in the recommended position for
parking the vehicle and set parking brake. Turn the coach
engine off. Turn the ignition to the "ACCESSORY" position.
2. At this time, the operator may want to check the jacks
and place a pad under each jack if the ground will not
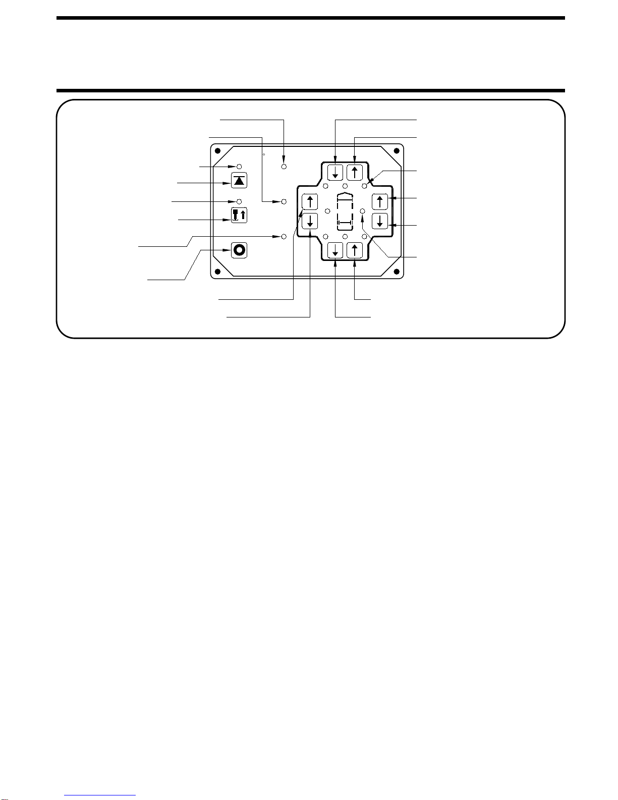
3. Press the "AUTO LEVEL" button one time.
The AUTO LEVEL light will start to flash.
4. Turn the ignition switch to the "OFF" position.
OPERATING PROCEDURES
725 SERIES LEVELING SYSTEM
support the vehicle.
IMPORTANT: During the Automatic Leveling
procedures, pushing the "AUTO LEVEL",
"AUTO STORE" or the "CANCEL" button
on the HWH touch panel will stop the
WARNING:
PERSONS AND OBJECTS ARE CLEAR OF THE VEHICLE.
BUTTON THE OPERATOR MUST BE SURE THAT ALL
PRIOR TO PUSHING THE "AUTO LEVEL"
operation and inhibit proper leveling of the vehicle.
the vehicle engine during leveling can cause erratic
NOTE: If the vehicle has an air suspension, running
NOTE: If the vehicle is equipped with an air suspension
and a manual suspension dump, the suspension air should
be exhausted at this time. Refer to the vehicle manufacturer
for operating instructions.
The leveling process will begin.
automatic leveling function.
EXCESS SLOPE SITUATION: In the event the jacks are
unable to level the coach, the "EXCESS SLOPE" light will
come on. Excess slope is one or more jacks fully extending
without turning the yellow level light out. The system will not
stabilize the vehicle if the "EXCESS SLOPE" light comes on.
One or more jacks may not be extended. The system will
shut off leaving the "EXCESS SLOPE" light on. The
"EXCESS SLOPE" light will remain on if the ignition is in the
"ON" or "ACC" position, until the jacks have been fully
retracted turning the red warning lights out. Push the
"STORE" button to retract the jacks. Move the vehicle to a
more level position or level the vehicle as close as possible
according to the MANUAL HYDRAULIC OPERATION
section.
Pairs of jacks will extend according to lit yellow level lights.
The system will level side to side if needed before leveling
front to rear.
A red jack down light will come on as it’s jack extends
approximately 1 inch. If any red jack down warning light is on,
the TRAVEL MODE light will be off and the master warning
light will be on.
After all yellow level lights are out, the system will
stabilize the vehicle.
vehicle for leveling should have pressure switches that are
ground and lifts the vehicle slightly. Jacks that have lifted the
switch. The switch will turn on when the jack extends to the
is part of the auto level sequence. Each jack has a pressure
Stabilize sequence information:
pump and front valves off.
both front pressure switches are on, the system turns the
pump on and open the valves for both front jacks. When
If either pressure switch is not on, the system will turn the
jacks. The system checks both front jacks at the same time.
rechecking both rear jacks, the system then checks the front
the left rear (extending if necessary). After checking and
will recheck the right rear (extending if necessary) then recheck
If the left rear switch is on (or when it comes on), the system
the left rear jack pressure switch, extending the jack if necessary
If the switch is on (or when it comes on) the system will check
switch is not on, the system will extend the jack as necessary.
The sequence starts with the right rear jack. If the pressure
until the pressure switch turns on.
on, the computer turns the pump and valve on for that jack
is on, the jack is stabilizing the vehicle. If the switch is not
computer checks the jack pressure switches. If the switch
The stabilize procedure is a specific sequence where the
on.
The stabilize sequence
end of the initial leveling and stabilizing sequence.
sequence will only happen if a yellow level light is on at the
automatically repeat the leveling sequence. The repeat
If at this time a yellow level light is on, the system will
the system will turn off, leaving the level light on.
If a yellow level light is still on after the repeat sequence,
light to "bump" the vehicle up slightly to turn that yellow
(extend jacks) that correspond to any lit yellow level indicator
set. If desired, the operator can use the UP ARROWS
ignition is in the ON or ACC. position and the park brake is
is the manual leveling buttons will function anytime the
home. However, a feature of the single step leveling system
normally is not sufficient to cause a level issue for the motor
The slight lift experienced during the stabilizing procedure
indicator light off.