HAMWORTHY HEATING LTD
WARMWELL
500001091/F
1.0 INTRODUCTION
1.1 A competent person holding ‘CORGI’
registration or equivalent must install this boiler. All
installations MUST conform to the relevant Gas
Safety and Building Regulations. Health & Safety
requirements must also be taken into account when
installing any equipment. Failure to comply with the
above may lead to prosecution.
1.2 These instructions are for Group H Natural Gas
(2nd Family) and LPG -Propane (3rd Family). The
information relative to propane firing is to be found
in Appendix ‘A’ (p41). Boilers MUST NOT use gas
other than that for which they were designed and
made.
1.3 The Warmwell is an atmospheric, gas fired
boiler manufactured from horizontal cast iron
sections, nippled at alternate ends. These sections
are mounted on a fabricated mild steel basket
assembly, which houses the burner bar and igniter
assemblies. A unique radiant baffle is fitted beneath
the burner bars, protecting the floor below and
reducing heat lost by the boiler. The condensing
section is attached to the rear of the boiler
assembly. It is arranged such that the flue gases
and condensate run in a co-current flow path. This
design ensures the heat exchanger is continually
flushed of any salts which may form therefore
ensuring no re-entrainment of flue gases which
could increase acidic levels leading to aggressive
condensate. The heat exchanger utilises proven
materials both in the waterways (copper) and
flueways (aluminium). No special water additives
are required in the waterways, normal water
treatment should be adequate.
An exhauster unit pulls the flue gases through both
heat exchangers and supplies adequate pressure
for the connection to a header. The flue spigot is
angled at 45° allowing a 45° flue piece (supplied by
others) to be rotated through 180° permitting vertical
or horizontal connection as required.
1.4 If the boiler is to be connected to an un-vented
(pressurised) heating system, care must be taken to
ensure all extra safety requirements are met and
that the relevant interlocks will shut the boiler(s) off
should a high or low pressure fault occur.
The Pressurisation unit must also incorporate a low
level water switch, which protects the water pumps,
and will directly or indirectly shut down the boiler
plant should a low water condition occur.
Consideration should also be given to the maximum
working pressure of the boiler as given in section 2:
TECHNICAL DATA (p5). Consult Hamworthy
Heating Technical Department for help or
assistance if in doubt.
1.5 The Warmwell boiler is not suitable for direct
connection to domestic hot water supplies or gravity
fed heating systems.
1.6 The Warmwell boiler can be installed with either
reverse return water flow layout or with single pipe
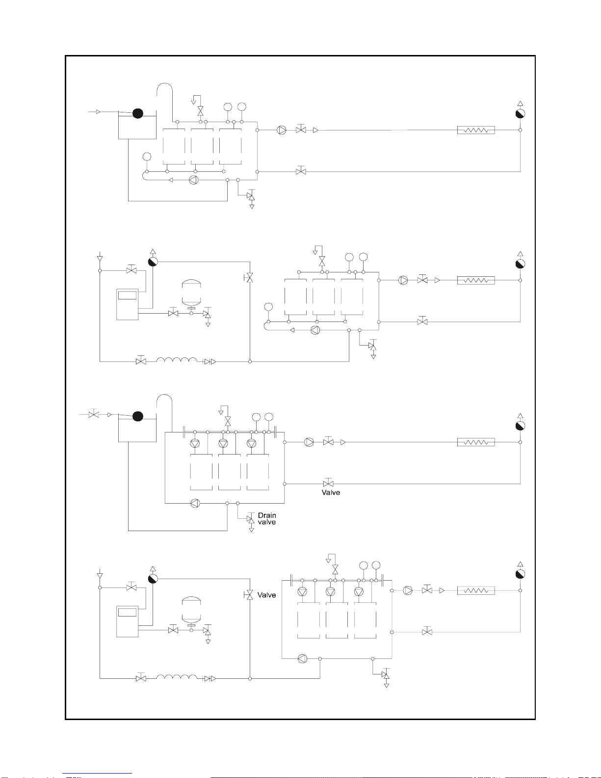
header layout. See Figure 1.1 (p2) for typical
schematic layout.
1.7 It is good practice in all heating installations to
use some form of water treatment to reduce
formation of lime scale and black iron oxide sludge.
The very high efficiencies produced by the
Warmwell Boiler can easily be reduced by lime
scale formation. If a pressurised unit is used, it is
prudent to include an hours run meter to give an
indication of pump running time and hence raw
water make-up. Any leaks should be attended to as
soon as possible to avoid calcium salt build up
within the boiler waterways.
The Warmwell range is available with Hi/Lo operation
as standard. See Section 11.0 COMMISSIONING
AND TESTING (p24) for procedure.
1.8 Options
1.8.1 Optional reverse return header kits, comprising a
pre-designed arrangement of components, are
available for modular installations of all Warmwell boiler
models, and also combinations of Warmwell and
Purewell boilers. Please contact Hamworthy Heating for
information.
1.8.2 Milton boiler sequence control system for timed
remote control of single and multiple on/off and high/low
boilers, with outside temperature compensation and
optimum start.
Note: Optional Hamworthy Heating Ltd Sequencing
Interface Modules will be required, to be installed within
the control panel of each boiler, to enable sequence
control of the boilers by the Milton boiler sequence
control.
Refer to Milton and Sequence Interface Module kit
instructions for details.
1