
MAINTENANCE
CAUTION: The cutting blade is sharp. Be very careful
when handling the cutting blade.
Keep the cutting blade, driving pulley, and following pulley clean of
solder and ux using a brush or other suitable cleaning device. If the
solder is not being cut properly or the unit is generating solder balls
even though the unit is well maintained, the cutting blade may be worn.
Follow the procedure below to change the cutting blade.
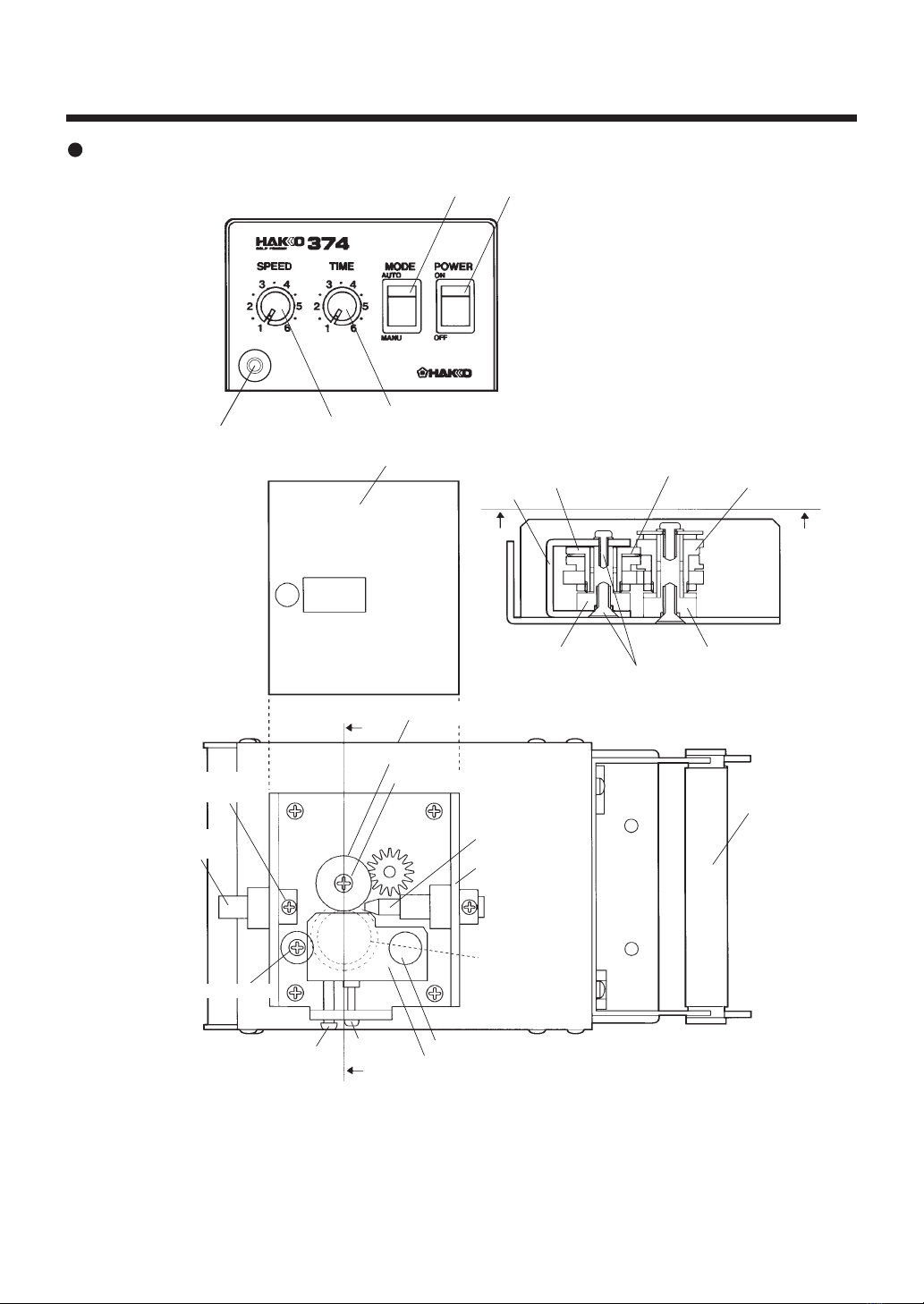
Replacing the cutting blade
1. Follow steps (a) through (c) under “Changing
the solder diameter” on page 4 and remove the
following pulley assembly.
2. Use a 14-mm wrench and a pair of C-ring pliers (or
other pliers with a tip-size of about 2 mm 0.08 in.)
to disassemble the following pulley assembly.
Pliers
Following pulley assembly
Wrench
Turn counterclockwise
3. Remove the cutting blade from between the top
and bottom pieces of the following pulley.
If the cutting blade is dif cult to remove due
to accumulated ux and solder, push a pin
downward through the four holes on the top piece
and pry the pieces apart.
4. Clean any accumulated ux or solder off each
part.
5. Assemble in the reverse order of disassembly.
Following pulley
top piece
Following pulley
bottom piece
Following gear
Cutting blade
Nut
6
OPTIONAL FEEDER PEN
Thread solder can be fed automatically by connecting the optional feeder
pen to the HAKKO 374 feed controller unit. The feeder pen can be used for
the following purposes.
The feeder pen can be used for conventional
soldering where the soldering iron is held in one
hand and the pen is held in the other to supply the
solder.
The feeder pen can be xed in a certain position
to supply solder to a substrate automatically.
Part No.
C1234
C1235
B2124
Part name
Feeder Pen, for solder diameters
from 0.6 to 1.0 mm (0.02 to 0.04 in.)
Feeder Pen, for solder diameters
from 1.2 to 1.6 mm (0.05 to 0.06 in.)
Feeder Switch
(switch designed for the feeder pens)
OPERATION
To feed the solder, simply press the feed switch (or foot-switch). Details are explained below.
(1) Mode
AUTO MODE
In AUTO MODE, the solder is fed at the speci ed
speed for the speci ed amount of time regardless of
how long the feed switch is pressed.
MANUAL MODE
In MANUAL MODE, while pressing the switch the
solder is fed at the speci ed speed.
(2) Setting the feed time and
feed speed
Set the feed rate before setting the feed time. The
feed speed setting is effective in both AUTO and
MANUAL modes. The feed time is only effective in
AUTO mode.
(3) Adjusting the return length
A speci ed length of solder can be retracted after
the solder has been fed. This function is necessary
when the HAKKO 374 is used with an automatic
soldering machine.
The return length setting range is 0 to 5 mm (0 to
0.2 in.). However, the solder will be wound back onto
the bobbin if the return length is set to be longer
than the feed length. Keep the return length setting
as short as possible. Also, set the return length so
that the tip of the solder stops short of the tip of the
nozzle. Otherwise, the ux will tend to accumulate in
the nozzle.
There is a hole on the side of unit which leads to the
return length adjusting screw. Insert a screwdriver
into this hole and turn the screw to adjust the return
length.
(4) Using the iron holder
CAUTION
Attach the iron receptacle so that the tip of the
soldering iron and the guide pipe are parallel.
HAKKO 926
Attach the iron holder for the HAKKO 926 as shown
in the figure at the top of the next column. (In the case
of the HAKKO 926, the holder can only be attached
on the left toward the front of the unit.)
Iron receptacle
Spring iron holder
OR
Mounting
knob Iron holder
fitting
Cover mounting
plate
HAKKO 900, 902, 904
When attaching soldering units other than the
HAKKO 926 to the HAKKO 631, all you have to do is to
change the spring iron holder.
HAKKO Dash and HAKKO Mach I
Use the HAKKO 631 (product number: 631-07).
HAKKO 907 and 908 (FX-8801/8805)
Use the iron holder made for the HAKKO 907 and
908. Place the handpiece on the holder so that the
right side of the holder and the right side of the guide
pipe support plate are aligned as shown below. To
align with the left side, remove the guide pipe locking
nut and the joint and install the guide pipe support
plate so that it is on the left side.
Iron holder for the FM-2027, FM-2028, FM-2030,
FX-8301, 912
Replace the spring holder with the spring holder
included in the set before placing the iron in the iron
holder.
Remove Insert
5