
PAEC3200
13
EN
General Instructions
Read these instructions carefully prior to
installation and use. Keep this manual for
future reference.
The product may only be used as set out in
the assembly and operating instructions. The
guarantee is only valid should the product be used
in the manner intended and in accordance with
the instructions.
Application
PAEC3200 is an air curtain for cold storage
and freezer rooms as well as entrances.
Installation height for cold storage is up to
5 metres. Recommended installation height
for entrances is 3,2 metres. The air curtain has
stepless control using an internal or external
potentiometer (accessory).
Protection class: IP44.
Operation
Air is drawn in at the top of the unit and blown
downwards shielding the door opening and
minimizing heat loss. To achieve the optimum
curtain effect the unit must extend the full
width of the door opening.
The grille for directing the outlet air is
adjustable and is normally angled outwards to
achieve the best protection against incoming
air.
The eciency of the air curtain depends on
the air temperature, the pressure differencial
across the doorway and any wind load.
NOTE! Negative pressure in the building
considerably reduces the eciency of the air
curtain. The ventilation should therefore be
balanced.
Installation and operating instructions
Mounting
The air curtain unit is installed horizontally
with the outlet air grille facing downwards as
close to the door as possible. When the unit is
used to protect cold storage or freezer rooms,
it must be mounted on the outside of the
conditioned space.
Brackets and torx bit are enclosed in the
gable end packaging upon delivery.
Mounting with wall brackets (g. 4)
1. Mount the brackets on the wall, see g.4A
and dimension drawing g.1. If the wall is
uneven the brackets must be compensated
for this.
2. Hook on the unit at the lower edge of the
brackets. (Fig.4B)
3. Bend the top of the console over the the unit
and slide the units screws along the rail into
the slots on the consoles. (Fig.4C) When the
bracket is bent once, it must be replaced if
bent back more than 45 °.
4. Lock the nuts against the brackets. (Fig.4D)
Horizontal mounting on the ceiling
Threaded rods, hanging brackets and ceiling
mounting brackets for ceiling mounting are
available as accessories, see accessories pages
and separate manuals.
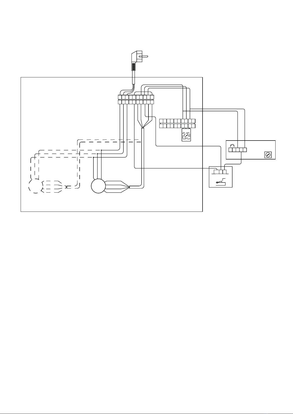
Connection
The unit is connected with a 1.5m cord and
plug.
Control options
Stepless airow control
The airow is set manually on the internal
potentiometer 0-10V, which is located inside the
outlet grille.
Stepless airow control with external
potentiometer
The airow is set manually on an external
potentiometer 0-10V.
Stepless airow control with door contact/position
limit switch
When the door is closed the fan runs at low
speed, set on the internal potentiometer 0-10V,
which is located inside the outlet grille. When
the door opens, the fan runs at high speed,
set on an external potentiometer. This control
option gives low response time and the best
protection.
BMS control
The air curtain can also be controlled via BMS
(0-10V).
See Figure 2 and Accessories pages.
Adjustment of the air curtain and airow
The direction and speed of the airow should
be adjusted considering the load on the
opening. Pressure forces affect the airstream
and force it inwards towards the premises
(when the premises are heated and the
outdoor air is cold).
The airstream should, therefore, be directed
outwards to withstand the load. Generally