FONESTAR PRO Series Manual de usuario

PRO-SUB12A, PRO-SUB15A
AUTOAMPLIFIED SUBWOOFER
PRO SERIES
EN Instruction manual

-2-
We take this opportunity to thank you for buying this product.
We recommend you read the instruction manual before switching on the machine and follow the instructions
that are given. eep the manual for future reference.
SECURITY AND THE ENVIRONMENT
ELECTRICAL SECURITY
Check that the current in the mains connection where the machine is to be installed corresponds to the
power supply of the machine.
To avoid damaging the equipment, electrical shocks, fire or physical injury when you connect or disconnect
the equipment from the power supply, pull the plug firmly out of the mains socket holding the plug, never the
cable.
Always do this with dry hands.
eep the power supply cable far from sources of heat. Do not put heavy objects on top of it or change it.
Clean dust and dirt off the power supply cable regularly.
Do not open the machine; you could get an electric shock.
CAUTION
While installing the machine, make sure it is switched off and unplugged.
Do not open the machine. Touching the internal parts is dangerous and you could receive an electric shock.
The machine must not be splashed or dripped on. Never place recipients with liquid inside on the machine.
Do not place anything inside the machine.
LOCATION
Place the equipment on a horizontal surface with enough space around it to allow ventilation.
Avoid direct sunlight, heat sources and excessive dust.
Do not place the machine near magnetic fields or static electricity.
Do not use surfaces which vibrate or receive impact.
Do not pile machines on top of one another.
VENTILATION
Never block or cover the ventilation slits on the machine.
Do not expose it to direct sunlight or place it near sources of heat.
PERIODS OF INACTIVITY
When the machine is not going to be used for a long period of time, disconnect it from the mains.
If you are using an adapter, take into account that it will continue using electricity even if the machine is
switched off. If it is not going to be used for a long period of time, disconnect it from the mains.
THE ENVIRONMENT
To save energy, switch the machine off when you are not going to use it for a long time. The machine could
contain substances that are harmful to the environment or human health. To minimize the effect of these
substances the machine must be correctly managed and recycled when you decide to dispose of it.
When you dispose of it remember: it cannot be thrown into a conventional rubbish bin.
If it contains or uses batteries, these must be disposed of separately.
The machine (without batteries) must be disposed of correctly. Put it in a container specially intended for the
collection of electronic and electrical appliances, at the dump or hand it over to the dealer when you purchase
similar equipment, so that the dealer can dispose of it correctly (at no added cost).
EN

-3-
SIGNIFICANCE OF THE SYMBOLS ON THE MACHINE*
The symbol formed by the expression “Class 1 laser product” written in a rectangle
indicates that visible or invisible laser radiation could be produced. Avoid direct exposure
to the laser.
The symbol formed by a ray of lightening inside a triangle shows that the machine has
connection terminals or a circuit with areas with a current which could cause an electric
shock, even in normal working conditions.
The symbol formed by an exclamation mark in a triangle shows that the instruction manual
must be referred to for information on how the machine works and its use.
The symbol formed by one square inside another square shows that the machine has
double electrical insulation.
The European Community symbol shows that the machine complies with the current
European Union legislation, as well as its transposition to local legislation.
The symbol of a rubbish bin crossed out and over a horizontal line shows that when the
product is disposed of it must be done properly, placing it in a special selective electronic
and electrical equipment container or through a dealer when purchasing a similar product,
at no additional cost. It also shows that the machine was put on the market after 13th
August 2005 (European Community Directive 2002/96/CE of Electrical and Electronic
recycling, and its Spanish equivalent R.D.208/2005).
In accordance with what is set out in the aforementioned decree, FONESTAR is registered
in the RAEE (Registro de Aparatos Eléctricos y Electrónicos) in a special section REI
(Registro de establecimientos Industriales), with the entry number 001851.
The symbol RoHS (Restriction of Hazardous Substances) shows that the product has been
designed and manufactured restricting the use of certain dangerous materials (Directive
2002/95/CE on the restriction of certain dangerous substances in electrical and electronic
appliances, and its transferal to the Spanish regulations, R.D.208/2005).
*It is possible that some of these symbols do not appear on the machine.
EXEMPTION OF LIABILITY
The characteristics of the equipment and the content of the manual can change without forewarning.
FONESTAR, S.A. does not assume responsibilities regarding the inappropriate use of the equipment or the
information supplied in this instruction manual, and specifically disclaims any implied liability for marketability
or fitness for any other use.
All rights reserved by FONESTAR, S.A.
EN

EN
-4-
DESCRIPTION
The PRO series loudspeakers are suitable for live installation and P.A due to their installation possibilities and
constructive characterisitcs. This wide range of loudspeakers with different powers, components and
acoustic characteristics offers the possibility to choose the one that adapts the best to each application.
High quality performance to be taken advantage of.
- Autoamplified subwoofer manufactured in reinforced plywood.
- Granulated paint finish.
- Steel front grille.
- Carrying handles.
- Top hole for 35 mm tube.
CONTROLS AND FUNCTIONS
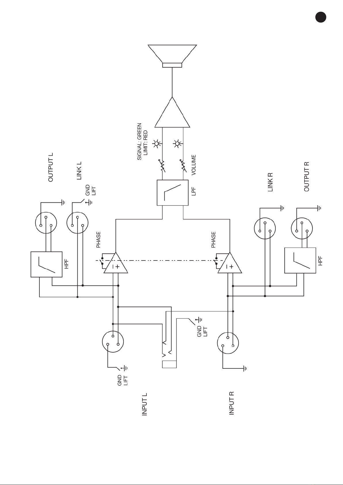
BACK PANEL
1.- LEFT/MONO-RIGHT IN: XLR balanced line level signal input connectors. The left channel connector
is combo to connect XLR connectors as well as 6.3 mm mono jack.
2.- LEFT-RIGHT LINK: XLR balanced line level direct signal output connectors for connecting several
subwoofers in cascade.
3.- SIGNAL/LIMIT: LED signal and saturation indicator. If an input signal is detected, the indicator lights
up green. If the output level exceeds the maximum output level and saturation is produced, the LED
indicator lights up red. If protection is activated, switch off the loudspeaker, correct whatever casued
the protection activation, leave the loudspeaker a few minutes and switch it on again.
4.- VOLUME: output signal volume control.
5.- LEFT/MONO-RIGHT OUT: XLR line output connectors for active satellites.
6.- Power supply voltage selector.
7.- ON/OFF: equipment on/off switch.
8.- GND: selector for disconnecting the mass from the earth to avoid ground loops when connecting the
audio source.
9.- PHASE: selector for phase inversion. Inverts the subwoofer signal phase 180º.

10.- BY PASS/HPF: selector for high-pass or bypass filter.
11.- PO ER: LED power indicator.
12.- AC INPUT PO ER: switch for connecting the 230/115 V AC power supply cable.
INSTALLATION
The PRO series loudspeakers can be installed directly on the floor as well as other possibilities such as
having a 35 mm tube inserted in the top and having another loudspeaker assembled on top like a satellite.
This subwoofer is perfect for having a mid-treble active loudspeaker positioned in cascade like a satellite.
-5-
EN

CONNECTION
- Before connecting the power supply make sure the controls are at their minimum and the POWER switch
is off.
- Connect a line level signal from an external audio source (MP3, CD, mixer table, computer, etc.) to the
subwoofer INPUT.
- Thanks to the line level output it is possible to place an active loudspeaker for mid-treble in cascade with
the autoamplified subwoofer. Connect the subwoofer OUTPUT to the active loudspeaker input.
- Connect the power supply to the equipment and to the 230/115 V AC power using the mains cables
supplied.
- Switch on the loudspeakers using the POWER switch on the back panel.
- If you notice a buzzing in the loudspeaker audio, this could be caused by a ground loop that has been
created between the audio source and the autoamplified loudspeaker. In this case, disconnect the earth
by pressing the GND/LIFT selector on the back panel of each loudspeaker.
- When not using the equipment, switch it off using the POWER switch and disconnect it from the mains.
-6-
EN

BLOCK DIAGRAM
-7-
EN

SPECIFICATIONS
PRO-SUB12A PRO-SUB15A
CHARACTERISTICS Autoamplified subwoofer in reinforced plywood.
Stereo/mono input and filtered stereo output for active satellite cabinet
speakers.
Steel front grille.
Carrying handles.
Top hole for 35 mm tube.
Feet.
AMPLIFIER 600 W maximum, 300 W RMS
PROTECTION Compressor/limiter
Forced ventilation
SPEAKERS 1 x 12" woofer. 63.5 mm coil with
ventilation
1 x 15" woofer. 63.5 mm coil with
ventilation
RESPONSE 47-125 Hz 45-125 Hz
SENSITIVITY 96 dB at 1 W/1 m 97 dB at 1 W/1 m
SOUND PRESSURE 123 dB at maximum power at 1 m 124 dB at maximum power at 1 m
INPUTS 1 balanced mono/stereo line, combo (XLR and 6.3 mm jack) and 15 000 Ω
775 mV XLR
OUTPUTS 1 balanced stereo line, direct output, 2 x 600 Ω XLR
1 balanced stereo line, 125 Hz filtered signal for active satellites, 2 x 600 Ω
XLR
INDICATORS In operation on the front, power and signal/compression on the back panel
CROSSOVER Active, 125 Hz crossover frequency, 24 dB/oct
80 Hz high-pass filter, selectable
CONTROLS Volume, phase inversion, bypass or high-pass filter and GND lift earth
disconnection
COLOUR Black
PO ER SUPPLY 230/115 V AC, 350 W
DIMENSIONS 530 x 480 x 370 mm depth 580 x 480 x 450 mm depth
OPTIONAL RS-560: mount for placing a loudspeaker over the subwoofer
-8-
EN

DECLARATION OF CONFORMITY
The autoamplified subwoofers models PRO-SUB12A and PRO-SUB15A comply with the European
Community directives 2004/108/EC on Electromagnetic Compatibility and 2006/95/EC on Low
Voltage.
Santander, 22nd June 2012
Juan Vallejo
Technical Engineer, Sales Department
ARRANTY
This product has been tested and has passed the corresponding quality control prior to being put on the market.
FONESTAR guarantees the suitability of the product for its specified use during a period of 2 years from the delivery
date and commits itself to repair or substitute the goods as expressed in the Spanish law ‘La Ley General para la
Defensa de los Consumidores y Usuarios, Real Decreto Legislativo 1/2007 16 Noviembre.
The lack of conformity in the first six months after purchase, due to a manufacturing defect, will be rectified with no
more than showing the proof of purchase. After six months FONESTAR reserves the right to demand proof of the
product being sold with that problem.
This warranty does not include damage produced by: inappropriate use or negligence, accidents, worn out parts due
to use, breakages, burns, spilt liquids or other substances, excessive humidity, battery deterioration and internal
manipulation of the device, the software or its components by unauthorized persons, and in general any use that is
unrelated to the nature and purpose of the product. If any service is needed during the warranty period because of
lack of conformity, please contact the business or distributor where the product was purchased in no more than 2
months after being conscious of the problem. It is only necessary to contact FONESTAR if it is impossible or imposes
an undue burden for them to solve it.
To benefit from this warranty it is necessary to show the proof of purchase with the date clearly visible, with no
corrections or crossing out.
This document adds information, and never decreases the consumers’ rights, which in all cases are protected by the
Spanish law ‘La Ley General para la Defensa de los Consumidores y Usuarios, Real Decreto Legislativo 1/2007 16
Noviembre.
FONESTAR is a member of ECOEMBALAJES ESPAÑA, S.A. “ECOEMBES”, with number 03497 and all our
products carry the symbol, backed by our membership and subscription to the above mentioned
organization with the recycling and subsequent management of our packaging.
FONESTAR S.A. - NIF A28780443 - Apartado 191 - 39080 - Santander, Cantabria, (España)
www.fonestar.com
-9-
EN
Este manual sirve para los siguientes modelos
2
Tabla de contenidos
Otros manuales de Subwoofer de FONESTAR



















