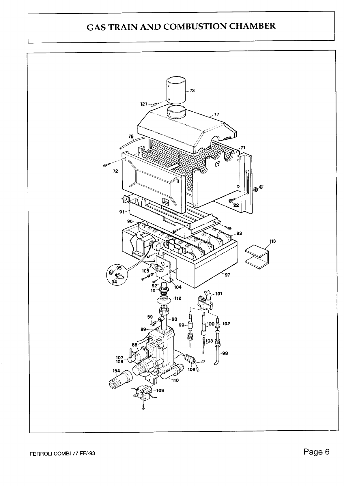
Ferroli Combi 77 FF Manual de usuario
Otros manuales de Caldera de Ferroli

Ferroli
Ferroli ATLAS 32 Guía de solución de problemas

Ferroli
Ferroli Zefiro C11 Manual de usuario

Ferroli
Ferroli DIVAtop HC Manual técnico

Ferroli
Ferroli PEGASUS F2 51 Guía de solución de problemas

Ferroli
Ferroli BlueHelix HiTech RRT C Manual de usuario

Ferroli
Ferroli BlueHelix HiTech RRT C Manual técnico

Ferroli
Ferroli ROMA 55 FF Manual de usuario

Ferroli
Ferroli OPTIMAX HE PLUS 31 C Guía de solución de problemas

Ferroli
Ferroli Tempra 30 O Manual de usuario

Ferroli
Ferroli BLUEHELIX B 32 K 50 Guía de solución de problemas

Ferroli
Ferroli ATLAS D ECO 56 UNIT Guía de solución de problemas

Ferroli
Ferroli LEB 28.0-TS Manual de funcionamiento

Ferroli
Ferroli DIVAtech C 32 D Manual de instrucciones

Ferroli
Ferroli PEGASUS F2 N 2S Guía de solución de problemas

Ferroli
Ferroli NEW CONDENS FS 300 SERIES Manual de usuario

Ferroli
Ferroli PEGASO ECO Manual técnico

Ferroli
Ferroli Combi 77 FF Manual de usuario

Ferroli
Ferroli COMBI1 00 FF Manual

Ferroli
Ferroli DIVAtop ST C Guía de solución de problemas

Ferroli
Ferroli Divatop ST F 24 Manual































