Mi2334/1
- 7 -
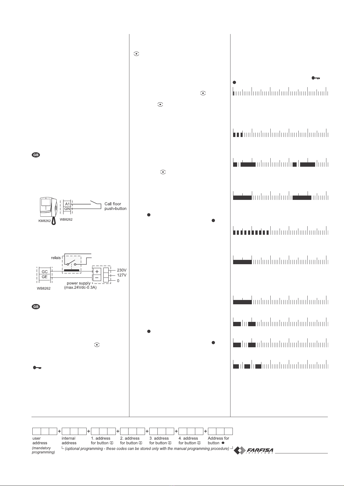
Boutons poussoirs
Bouton poussoir pour l’ouverture de la
gâche
Bouton poussoir pour les allumages de
contrôle du vidéophone. 4 adresses de
postes de rue sur lesquels effectuer en
séquencelesallumagesdecontrôlepeuvent
être affectées à ce bouton poussoir. En
appuyant une première fois sur le bouton
poussoir,levidéophonesebrancheauposte
de rue depuis lequel le dernier appel a été
effectué;lors des pressionssuccessives, le
vidéophone se branche en séquence avec
lespostes de ruedesquelsles adressesont
été préalablement mémorisées.
Si l’installation ne prévoit qu’un seul poste
derue,nulbesoindemémorisersonadresse
car celle-ci sera acquise automatiquement
lorsdupremierappeleffectué.Sil’installation
prévoitplusde4 postes derue,il fautchoisir
les4postesderuequel’onsouhaitecontrôler
parlebiaisduboutonpoussoir“ ”;naturel-
lement,lesappelssontreçusdepuistousles
postes de rue (même s’ils sont plus de 4)
présentsdansl’installationetactivésàl’appel
conformémentau schémad’installation.
Bouton poussoir pour appels internes
ou intercommunicants. À ce bouton
poussoir, on peut affecter l’adresse d’un
autre usager de l’immeuble pour effectuer
des appels internes entre deux usagers ou
le code 000 pour effectuer des appels
intercommunicants avec des éventuels
vidéophonesoucombinéssupplémentaires
(max. autres 2) présents dans les lieux.
Programmation
Le vidéophone doit être programmé à cet effet
pour en définir le mode de fonctionnement.
3 modes de fonctionnement sont possibles:
- automatique (permet de programmer
rapidementleseulcodedel’usagerenagissant
sur le poste de rue);
-simplifié (permet de programmer rapidement
le seul code de l’usager en agissant sur le
vidéophone);
- manuel (permet de programmer toutes les
fonctionsdu vidéophone).
Onpeuteffectuerlesprogrammationssuivantes:
1ère)adresse usager (programmation obliga-
toire:d’usine,l’adresseduvidéophoneest100);
2ème)adresse interne (programmation facul-
tative: d’usine, l’adresse du vidéophone est
000);
3ème)adresse du 1er poste de rue à affecter
au bouton poussoir “ ”; (*)
4ème)adresse du 2nd poste de rue à affecter
au bouton poussoir “ ”; (*)
5ème)adresse du 3ème poste de rue à affecter
au bouton poussoir “ ”; (*)
6ème)adresse du 4ème poste de rue à affecter
au bouton poussoir “ ”; (*)
7ème)code à affecter au bouton poussoir “ ”
pour effectuer les éventuels appels
intercommunicants ou pour de futures
applications (*)
(*)programmations facultatives:d’usine, aucun
code n’est affecté aux boutons poussoirs).
Utiliserleclavier
Poursaisirlesadressesoules codes,utiliserles
boutons poussoirs “ ” et “ ”.
:Appuyersurceboutonpoussoirpourentrer
en mode de programmation (si gardé
enfoncé pendant 4 secondes avec le
combiné décroché), confirmer la
programmation d’une adresse ou d’un
code ou passer à une phase de
programmation successive.
: Appuyer sur ce bouton poussoir pour
augmenter la valeur du chiffre à saisir.
Appuyer sur le bouton poussoir autant de
fois que le chiffre à saisir (chiffre 1 = 1
pression; chiffre 9 = 9 pressions; chiffre 0 =
10 pressions sur le bouton poussoir “ ”)
Lapressionduboutonpoussoir“ ”estconfirmée
par le combiné qui émet une tonalité.
Entreren modedeprogrammation
Pour entrer en mode de programmation, il faut:
décrocher le combiné et le laisser décroché
pendant toute la phase de programmation;
garder enfoncé le bouton poussoir “ ”
pendantaumoins4secondes,jusqu’àentendre
la tonalité de confirmation.
Saisir des codes ou des adresses
- Les codes et/ou les adresses à mémoriser
doivent toujours être formés de trois chiffres
(centaine,dizaineetunité);lescodeset/oules
adresses composés seulement de dizaines
ou d’unités d’avoir être complétés en ajoutant
des zéros. Par exemple: l’adresse 96 devient
096 et l’adresse 5 devient 005.
- Leschiffresdoiventêtresaisisl’unaprèsl’autre
enappuyant“n”foissurleboutonpoussoir“ ”,
où“n”correspondà lavaleurdu chiffreà saisir,
suivied’unepaused’environ2 secondespour
passer au chiffre suivant (une tonalité émise
par le combiné signale lorsque l’on peut saisir
lechiffresuivant).
Par exemple, pour saisir le code 096, il faut:
- appuyer 10 fois sur le bouton poussoir “ ”
pour saisir le chiffre 0, attendre 2 secondes
jusqu’à ce que le combiné émet la tonalité.
-appuyer9foissurleboutonpoussoir“ ” pour
saisirle chiffre 9, attendre 2 secondes jusqu’à
ce que le combiné émet la tonalité.
-appuyer6foissurleboutonpoussoir“ ” pour
saisirle chiffre 6, attendre 2 secondes jusqu’à
ce que le combiné émet la tonalité.
- appuyer sur le bouton poussoir “ ” pour
confirmer la saisie du code et passer à la
phasesuivantedeprogrammation;lecombiné
émetunetonalitéquiconfirmelamémorisation
ducodesaisietlepassageàlaphasesuivante.
Quitterle modedeprogrammation
On quitte automatiquement le mode de
programmationaprèsavoirconfirmé,enappuyant
sur le bouton poussoir “ ”, la 7ème
programmation, c’est à dire le “code à affecter
au bouton poussoir “ ”, ou à n’importe quel
moment,indépendammentdelaphaseencours,
en raccrochant le combiné.
Attention:
confirmer la programmation en
appuyant sur le bouton poussoir “ “ avant de
quitter la programmation en cours, sinon cette
programmationneserapasmémorisée.Onquitte
automatiquement le mode de programmation
également lorsque l’on commet une erreur ou
que l’on effectue une opération niée pendant la
saisie des codes; dans ce cas, pour continuer, il
faut de nouveau entrer en mode de
programmation.
Programmationautomatique
La programmation automatique permet de
mémoriserl’adresseduvidéophonedirectement
sur le poste de rue.
Procéduredelaprogrammationautomatique
Pour effectuer la programmation automatique il
faut:
a) entrer en mode de programmation en
suivant les indications détaillées dans le
chapitre“
Entrerenmodedeprogrammation
”;
b) effectuer un appel depuis un poste de
rue dans les 2 minutes suivantes. Si
l’installation prévoit le clavier digital
TD2100MA, composer le numéro que l’on
veutaffecterau vidéophoneetappuyersurle
bouton poussoir “ ”; si l’installation prévoit
lecodeurdigital CD2132MA ou CD2134MA,
il faut appuyer, sur la plaque de rue, sur le
bouton poussoir que l’on souhaite affecter à
l’usager. Lorsque l’on effectue l’appel, le
vidéophoneseprogrammeautomatiquement,
le combiné émet une tonalité d’appel et le
vidéophonesemet soustensionenaffichant
l’image du poste de rue depuis lequel l’appel
est effectué. Raccrocher et décrocher le
combinépour activerlaconversationavec le
poste de rue et vérifier que l’appareil
fonctionnecorrectement;
c) à la fin de la conversation, raccrocher le
combiné pour terminer la phase de
programmationautomatique.
Programmationsimplifiée
La programmation simplifiée permet de
mémoriserrapidementl’adresseduvidéophone.
Procédure de la programmation simplifiée
Pour effectuer la programmation simplifiée il
faut:
a) entrer en mode de programmation en
suivant les indications détaillées dans le
chapitre“
Entrerenmodedeprogrammation
”;
b) saisir les trois chiffres de l’adresse de
l’usager. Les chiffres doivent être saisis l’un
aprèsl’autreenappuyant“n”foissurlebouton
poussoir“ ”,où “n”correspondàla valeurdu
chiffreàsaisir,suivied’unepaused’environ2
secondespourpasserauchiffresuivant(une
tonalitéémiseparlecombinésignalelorsque
l’on peut saisir le chiffre suivant).
Par exemple, pour saisir le code 096, il faut:
- appuyer 10 fois sur le bouton poussoir “ ”
pour saisir le chiffre 0, attendre 2 secondes
jusqu’à ce que le combiné émet la tonalité.
- appuyer 9 fois sur le bouton poussoir “ ”
pour saisir le chiffre 9, attendre 2 secondes
jusqu’à ce que le combiné émet la tonalité.
- appuyer 6 fois sur le bouton poussoir “ ”
pour saisir le chiffre 6, attendre 2 secondes
jusqu’à ce que le combiné émet la tonalité.
c) raccrocher le combiné dès qu’il émet la
tonalitédeconfirmationpourterminerlaphase
de programmation simplifiée.