
7
-
2-5 5-10 10-15
2-3 3-5 5-8
-
-
WasHIng proCedure
WasH suggestIon
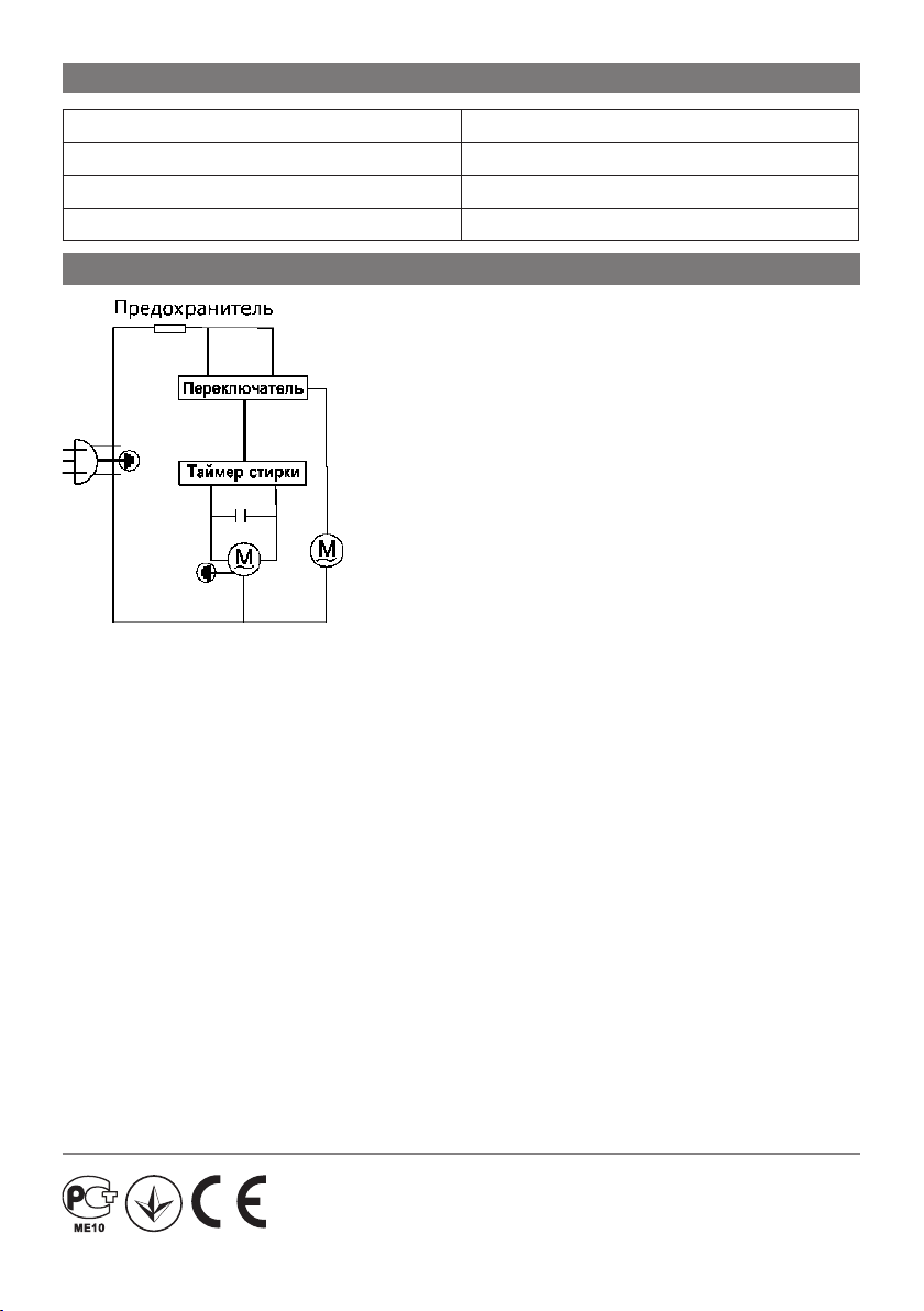
WasH mode and WasH tImer
trouBlesHootIng