
7
5. Installation: General
1. General
The boiler must be installed by a professional plumber or heating
engineer and must be connected to the public low voltage network
by a competent person. For systems that require a three phase
electrical supply we strongly recommend this is installed by
a 17th Edition certied Electrician.
The Electric Heating Company will not be held responsible
for faulty installations which are performed by unqualied
tradespeople.
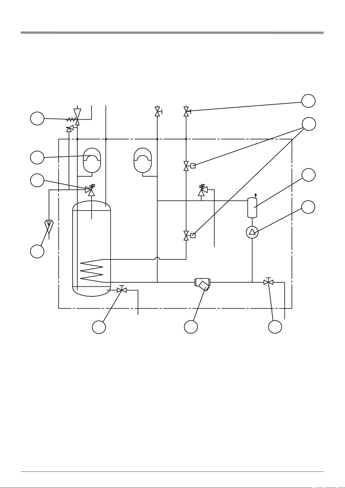
2. Pipe Connections
All Comet Combi Electric Boilers have 22mm Compression pipe
connections that are clearly marked. Please note that the boilers
are supplied with blank plugs for transit purposes that must be
removed before tting.
Mains Inlet, Hot Outlet, Flow & Return connections are clearly
marked on the external case, under no circumstances should
these connections be reversed.
If hot capillary joints are to be used, these joints must be made
before connections to the boiler are done.
3. Case Removal
Loosen the outer screw at the bottom of the boiler and pull the
front cover up & outwards taking care to remove internal earth
connections. Earth connections must be re-connected before the
boiler case is re-installed.
4. Isolation Valves
We recommend that full bore isolation valves are tted on the
Flow,Return & Main Water Supply Pipework. Such valves must
be full bore and not “ball valves”. The installation of ball valves
in the ow and return pipework will reduce the recommended
ow rate through the boiler.
5. Auto air vents
An auto air vent is integral within the boiler, however additional air
vents will be required at the highest point of the heating system
pipework.
6. Boiler sizing
Calculate the space heating requirements in accordance with
BS EN 12831 and BS EN 1433. An additional allowance of 3kW
(10,239 Btu’s) should be made to the ‘space heating’ calculation.
7. Insulation
Where practical, and if at all possible, we recommend that all
pipework be insulated, in particular the primary pipework within
a boiler cupboard. This is to reduce heat loss and reduce high
cupboard temperatures from exposed pipework.
8. System Design
Allowance should be made for a bypass radiator to be installed
within the heating circuit and locked open. This will be located in
the room that has the room thermostat installed. To comply with
building regulations.
9. Water Connections
Provisions must be made for the replacement of water lost from
the heating system (sealed systems). Reference should be made
to BS EN 14336 for the method of lling and make up of water.
There must be no direct connection between the boilers central
heating system and the main water supply. When mains water
is required to ll the system directly, all local water bylaws must
be observed, and any connection made must be disconnected
after use.
10. Flushing
The system must be ushed to within 10% of mains water PPM
to ensure that no debris is trapped in the system as this may
result in boiler failure. Where existing radiators and pipe-work
are utilized a power ush must be carried out to remove debris.
For further guidance please see section - Flushing & System
Protection.
11. System pressures
All boilers are tested to 4.0 bar. The normal working pressure
of the boiler should be set to approx 1.0 / 1.5 bar. All sealed
systems should comply with the relevant building regulation sand
standards, including BS EN 13831 – Specication for Expansion
Vessels.
Please note:
In order to protect the boiler, it is imperative that the pre-installed
magnetic lter is removed and cleaned at least annually. Failure
to carry out this action will increase contamination of the boiler
by system residue.
12. System types
The Comet Combi range of boilers can be used in various system
designs. Please refer to The Electric Heating Company for more
details on our Comet Combi Boiler for under oor heating.
We recommend the use of thermostatic radiator valves on all
radiators except in the room that has the wall thermostat tted.
This radiator should be tted with lock shield valves and left
in the fully open position.
Systems should be designed to meet the current building
regulations in force at the current time.