4
420010311300 MULTIFLAM 2000.1 - 2500.1 PR/PR TS
IT
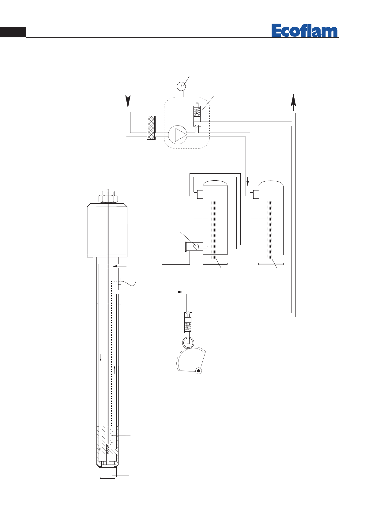
ALLACCIAMENTO ALLA LINEA GAS
Allacciato il bruciatore alla tubazione del gas è necessario assicurarsi che quest’ultima sia a tenuta perfetta. Assicurarsi
pure che il camino non sia ostruito. Aperto il rubinetto del gas sfiatare con prudenza la tubazione attraverso l’apposita
presa di pressione e quindi controllare il valore della pressione con un manometro idoneo. Dare tensione all’impianto e
regolare i termostati alla temperatura desiderata. Alla chiusura dei termostati, il dispositivo di controllo fughe gas effet-
tua una prova di tenuta delle valvole; Al termine della prova il bruciatore riceve il consenso per effettuare il ciclo di
avviamento. AVVIAMENTO DEL BRUCIATORE LATO GAS
Prima di accendere il bruciatore, assicurarsi che sia montato correttamente. Controllare i collegamenti elettrici secondo i
diagrammi e le tubazioni dell’impianto. Prima del collegamento elettrico assicurarsi che il voltaggio corrisponda ai dati
indicati nella targhetta caratteristiche. Il diagramma del collegamento elettrico e il ciclo di avviamento sono illustrati
separatamente. Per collegare l’apparecchiatura al bruciatore, vedere lo schema. Prestare particolarmente attenzione al
collegamento del neutro e della fase: non scambiarli mai. Controllare il collegamento terra
dell’impianto. Nei motori trifase controllare il senso di rotazione del motore (vedere freccia).
Sfiatare l’aria e le impurità della tubazione del gas. Controllare che la pressione del gas sia nei
limiti indicati nella targhetta. Questo controllo deve essere effettuato con un manometro gas
nell’apposita presa di pressione prevista sul bruciatore. Si avvia il motore ed inizia la preventi-
lazione. Il motoriduttore porta la serranda dell’aria alla massima apertura in circa 30 secondi.
Quando il motoriduttore é completamente aperto, un segnale all’apparecchiatura elettronica
di controllo avvia un ciclo di preventilazione di circa 66 secondi (36 sec.LFL1.133). Alla fine di questa preventilazione,
il motoriduttore porta la serranda in bassa fiamma permettendo l’accensione del bruciatore alla minima portata.
Contemporaneamente il trasformatore di accensione viene alimentato e dopo tre secondi (pre-accensione) vengono ali-
mentate le valvole del gas. A questo punto la valvola a farfalla regola la portata del gas nella testa di combustione. Due
secondi dopo l’apertura delle valvole, il trasformatore é escluso dal circuito. In caso di mancanza di accensione il brucia-
tore va in blocco entro due secondi. Il bruciatore si trova acceso alla minima potenza (circa 30% della massima poten-
za). Lo strumento modulatore farà aprire il servomotore alla massima potenza o lo fermerà alla potenza intermedia
richiesta dall’impianto. L’apertura del servomotore farà aprire gas ed aria in modo proporzionale per avere sempre a
tutte le portate (30%-100%) una combustione ottimale. Al termine del funzionamento il servomotore si porta in posi-
zione di chiusura.
ALLACCIAMENTO ELETTRICO
Tutti i bruciatori sono collaudati a 400 V 50 Hz trifase per i motori e 230V 50 Hz monofase con neutro per gli ausilia-
ri. Se fosse necessario alimentare il bruciatore a 230 V 50 Hz trifase senza neutro, eseguire le modifiche necessarie rife-
rendosi allo specifico schema elettrico del bruciatore e controllare che il relé termico sia entro il campo di assorbimento
del motore. Accertare inoltre il corretto senso di rotazione del motore del ventilatore.
REGOLAZIONE DELLA COMBUSTIONE
ATTENZIONE : per ottenere una corretta regolazione della combustione e della portata termica occorre effettuare l'analisi dei fumi, ser-
vendosi degli appositi strumenti. La regolazione della combustione e della portata termica va eseguita contemporaneamente ad una analisi
dei prodotti della combustione, assicurandosi che i valori riscontrati siano corretti, e, in ogni caso, rispondenti alle normative di sicurezza
vigenti. A tal proposito vedere la tabella e la figura sottostanti. TALE OPERAZIONE DEVE ESSERE ESEGUITA DA PERSONALE
PROFESSIONALMENTE QUALIFICATO ED AUTORIZZATO DALLA ECOFLAM BRUCIATORI SPA .
NB-TUTTI GLI ORGANI DI SICUREZZA (PRESSOSTATO ARIA, PRESSOSTATO GAS DI MINIMA, ELETTROVAL-
VOLE GAS E STABILIZZATORE DI PRESSIONE) DOVRANNO ESSERE OPPORTUNAMENTE SIGILLATI DOPO
LA TARATURA E MESSA IN FUNZIONE DEI BRUCIATORI DA PARTE DEL PERSONALE QUALIFICATO E AUTO-
RIZZATO ECOFLAM BRUCIATORI SPA.