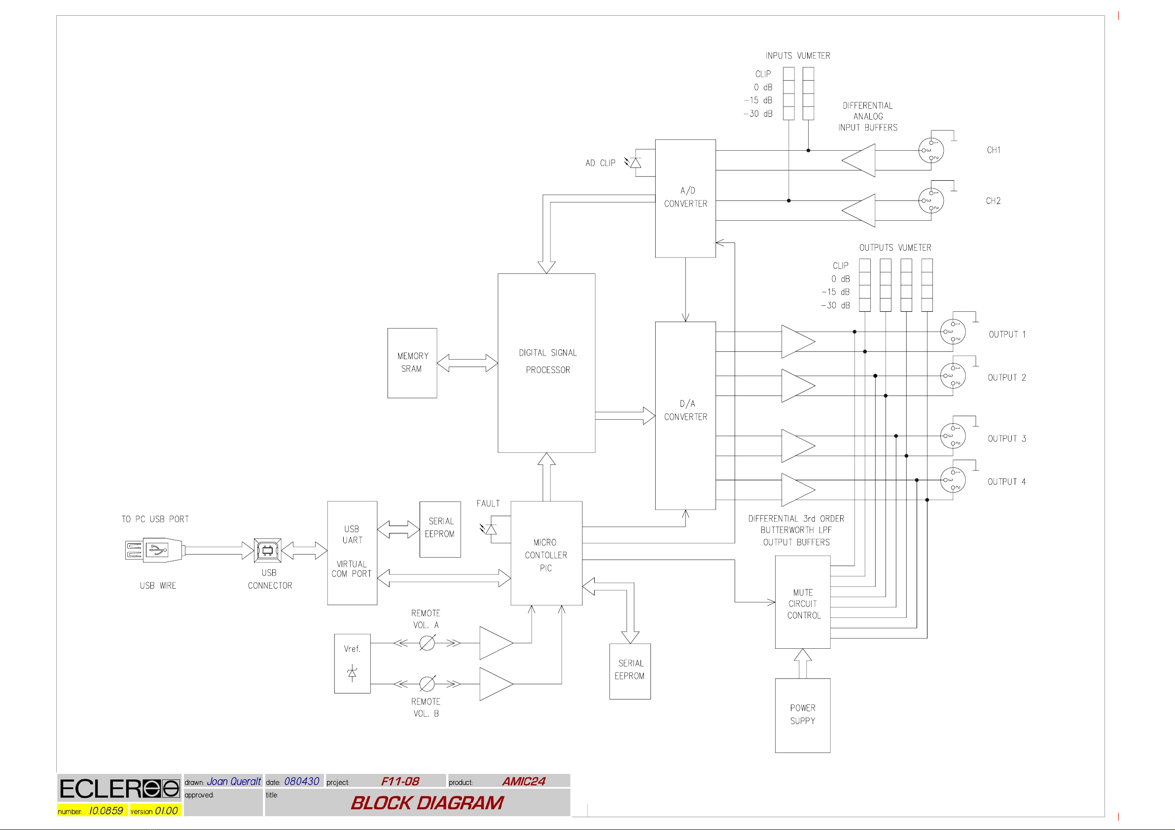
Ecler AMIC24 Manual de usuario
Otros manuales de Oradores de Ecler

Ecler
Ecler VIC6 Manual de usuario

Ecler
Ecler IW6PLUS Manual de usuario

Ecler
Ecler ARQIS Series Manual de usuario

Ecler
Ecler AUDEO103 Manual de usuario

Ecler
Ecler DACORD SB208 Manual de usuario

Ecler
Ecler eAM106WH Manual de usuario

Ecler
Ecler eMOTUS5PB Manual de usuario

Ecler
Ecler LABI1 Series Manual de usuario

Ecler
Ecler PHS20T Manual de usuario

Ecler
Ecler TRAIL103 Manual de usuario

Ecler
Ecler ARQIS Series Manual de usuario

Ecler
Ecler ARQSB10SATB Guía del usuario

Ecler
Ecler IG108 Manual de usuario

Ecler
Ecler IC6CLASS-54 Manual de usuario

Ecler
Ecler TRAIL103WH Manual de usuario

Ecler
Ecler IG108 Manual de instrucciones

Ecler
Ecler ARQIS 108BK Manual de usuario

Ecler
Ecler IC6CLASS54X Manual de usuario

Ecler
Ecler TRAILSB6T Manual de usuario

Ecler
Ecler eUC106 Manual de usuario































