
Click Any Diagram Description BelowTo ViewThat Diagram.
SRM-310 S/N: 03001001 - 03999999
Carburetor -- WYJ-275.....................................................................................................................................................4
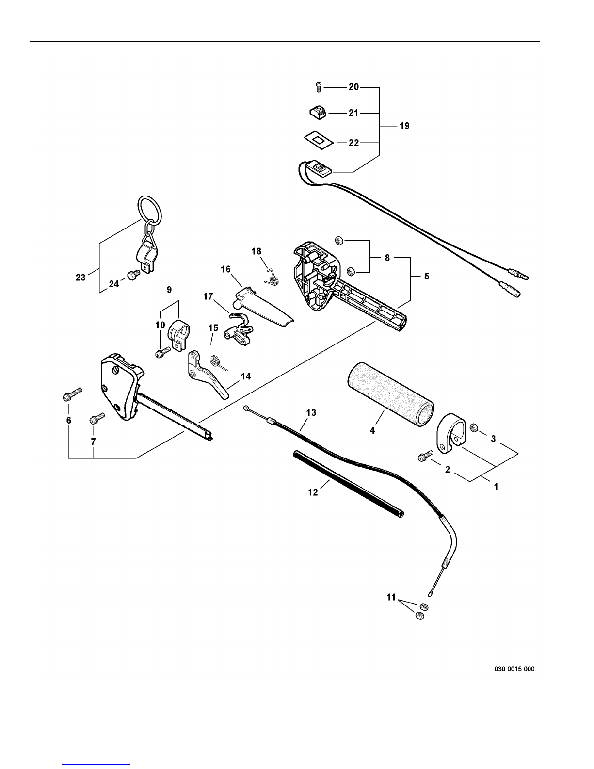
Control Handle,Throttle Cable, Ignition Switch............................................................................................................6
Engine Cover, Fan Case, Clutch.....................................................................................................................................8
Engine, Short Block -- SB1064.....................................................................................................................................10
Exhaust...........................................................................................................................................................................12
Front Handle..................................................................................................................................................................14
Fuel System...................................................................................................................................................................16
Gasket Kit -- P021003243..............................................................................................................................................18
Gear Case.......................................................................................................................................................................20
Ignition............................................................................................................................................................................22
Intake..............................................................................................................................................................................24
Labels.............................................................................................................................................................................26
Main Pipe Assembly, Flexible Driveshaft....................................................................................................................28
Metal Shield....................................................................................................................................................................30
Plastic Shield.................................................................................................................................................................32
Shoulder Harness..........................................................................................................................................................34
Starter.............................................................................................................................................................................36
Tools...............................................................................................................................................................................38
Part Number Index.........................................................................................................................................................40
Part Description Index..................................................................................................................................................41
99922203416_310/03 - 2 - REVISED 02/01/10
Table of Contents Part Number Index
Table of Contents