
Part No. Notes Description Specifications
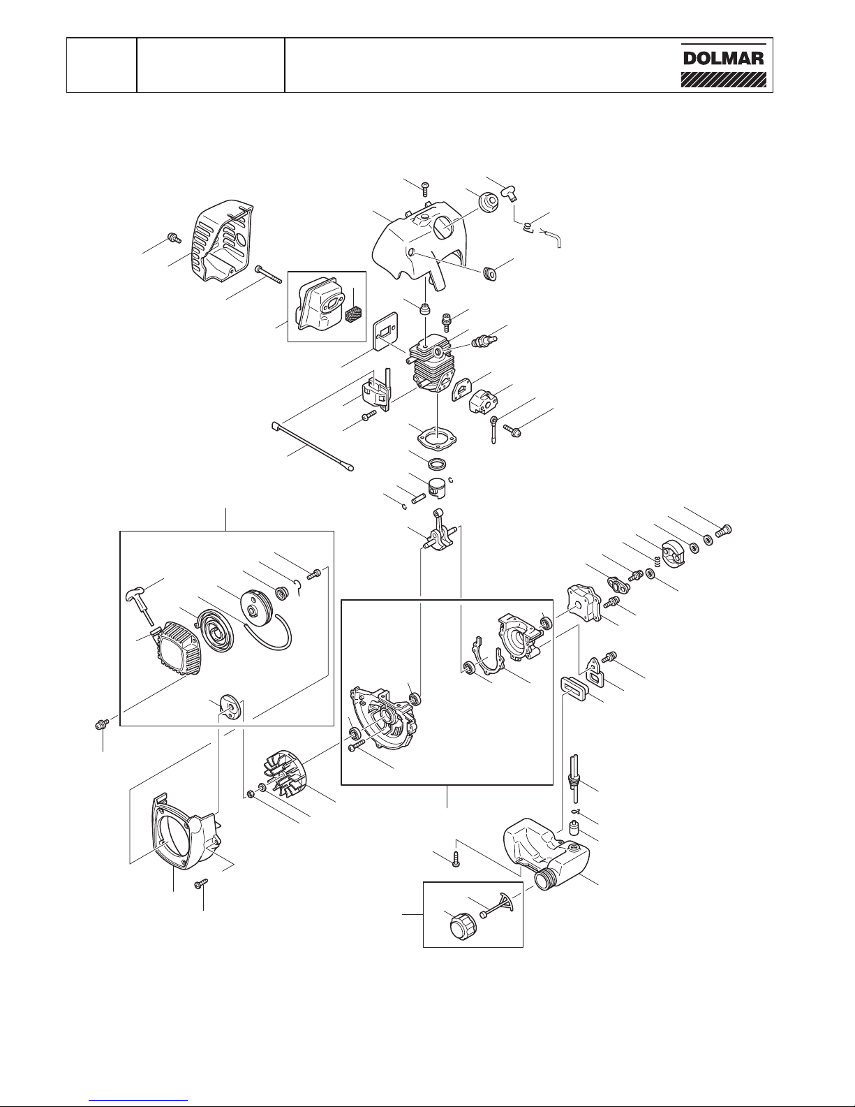
2 37 1 381 300 201 SPARK ARRESTAR
2 47 1 367 005 955 SCREW M5X14
2 48 1 383 350 020 MUFFLER COVER
2 49 2 388 905 960 SOCKET HEAD BOLT M5X45
2 50 1 381 302 000 EXHAUST MUFFLER INC. 37
2 51 1 381 350 030 MUFFLER INSULATOR
2 53 1 381 550 090 CYLINDER COVER
2 55 1 374 750 000 PLUG CAP COVER
2 56 1 388 500 987 PLUG CAP
2 57 1 377 400 993 PLUG CAP SPRING
2 58 1 374 750 030 GROMMET
2 59 1 374 350 300 SPACER
2 60 2 382 905 973 SOCKET HEAD BOLT M5X20 (W/W&SW)
2 61 1 381 150 090 CYLINDER
2 62 1 381 014 970 SPARK PLUG
2 63 1 388 350 390 INSULATOR GASKET
2 64 1 383 300 100 INSULATOR COMPLETE
2 65 2 367 005 940 SCREW ASSEMBLY
2 67 2 388 370 420 SCREW ASS'Y M4X20
2 68 1 367 701 800 WIRE COMPLETE
2 69 1 382 150 030 CYLINDER GASKET
2 70 1 374 250 050 PISTON RING
2 71 1 374 250 170 PISTON
2 72 1 367 250 050 PISTON PIN
2 74 1 383 200 300 CRANKSHAFT COMPLETE
2 75 1 367 500 300 REWIND STARTER INC. 76-84
2 76 1 367 500 206 SET SCREW
2 77 1 367 500 210 SWING ARM
2 78 1 367 500 211 COLLAR
2 80 1 388 501 602 STARTER ROPE
2 81 1 381 500 205 SPIRAL SPRING
2 82 1 388 500 402 HANDLE
2 83 1 388 500 104 DAMPER
2 84 1 367 550 000 PULLEY
2 86 4 381 004 976 SCREW ASSEMBLY
2 87 3 374 005 978 TAPPING SCREW M5X20
2 88 1 381 550 150 BLOWER HOUSING
2 89 1 367 308 999 LOCK NUT
2 90 1 368 100 800 WASHER
2 91 1 381 700 301 FLYWHEEL
2 92 1 367 100 600 CRANK CASE ASS'Y INC. 93,94,142-145
2 93 3 388 005 952 SCREW M5X25
2 94 1 318 150 040 CRANKCASE GASKET
2 95 1 374 850 010 HOLDER
2 96 1 383 200 605 BOLT ASS'Y W/W&SW
2 97 1 367 800 101 CLUTCH SPRING
2 98 2 367 800 401 CLUTCH SHOE
2 99 2 368 100 800 WASHER
2 100 2 383 008 991 WASHER M8
2 101 2 381 250 040 CLUTCH BOLT
2 102 2 374 250 060 WASHER
2 103 4 374 005 945 SCREW M5X18
2 104 1 374 118 124 SPACER
2 105 1 367 360 510 SCREW ASSEMBLY
2 106 1 388 650 020 FUEL TANK PLATE
2 107 1 383 650 030 DAMPER
2 109 1 381 105 999 HOSE CLAMP
2 110 1 382 650 390 FILTER
2 111 1 367 601 100 FUEL TANK COMPLETE
2 112 2 381 005 983 TAPPING SCREW
2 113 1 377 605 900 FUEL TANK CAP COMPLETE INC. 114,115
2 114 1 374 605 800 FUEL TANK CAP
2 115 1 374 606 700 STRAP
2 142 1 374 010 998 OIL SEAL
2 143 1 381 010 998 BALL BEARING 6000
2 144 1 381 010 998 BALL BEARING 6000
2 145 1 374 010 998 OIL SEAL