
6159934890
Issue no : 01
12/200810 / 52
© COPYRIGHT 2008, DESOUTTER
Tous droits réservés. Tout usage illicite ou copie
totale ou partielle sont interdits. Ceci s’applique
plus particulièrement aux marques déposées,
dénominations de modèles, numéros de
pièces et schémas. Utiliser exclusivement les
pièces autorisées. Tout dommage ou mauvais
fonctionnement causé par l’utilisation d’une
pièce non autorisée ne sera pas couvert par la
garantie du produit et le fabricant ne sera pas
responsable.
DECLARATION D’UTILISATION
Ce produit est conçu pour alimenter les
visseuses de type Desoutter SLK.
Aucune autre utilisation n’est admise.
Pour usage professionnel uniquement.
DONNÉES
(Voir page 3).
ALIMENTATION
Cet outil doit être alimenté par une tension
d’entrée de 220/240 ou 110/120 VAC à 50/60Hz;
protégée par un fusible de 3A.
ATTENTION
Cette alimentation doit être reliée à la terre.
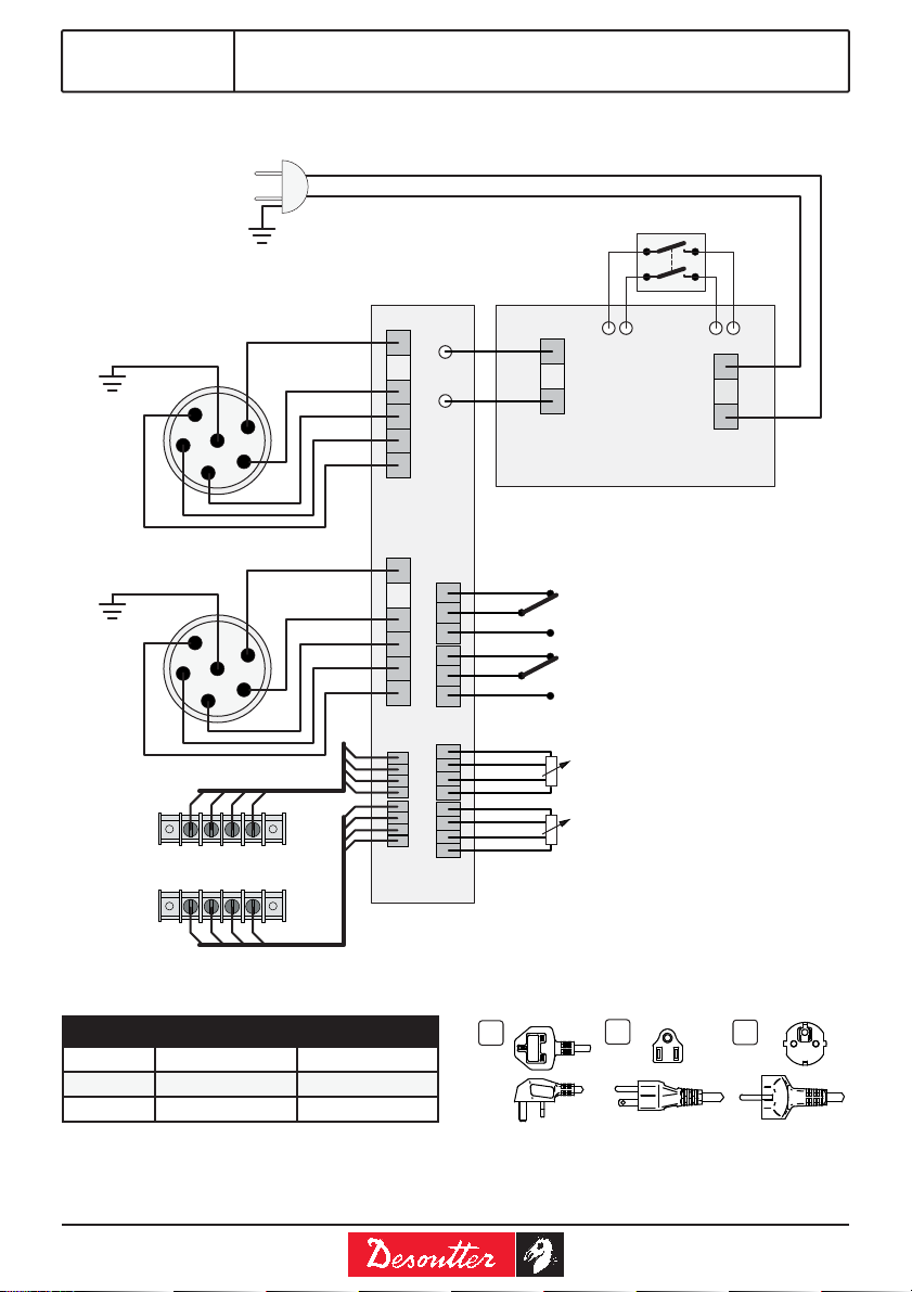
MODE D’EMPLOI
(Voir page 5).
Mettre le coffret hors tension.
Connecter correctement le câble entre la
visseuse et le contrôleur.
L’alimentation ESP2 est équipée de 2 voies
pour alimenter 2 outils différents.
Chaque voie est équipée d’un bouton (1), de
2 potentiomètres (2) et (3) et d’un connecteur
(4).
Le bouton (1) 3 positions :
1) SS : (Slow Start) cette position vous permet
d'activer la fonction démarrage lent.
Celle-ci se régle à l’aide des potentiomètres
T et S.
S (2) permet de régler la valeur de la
vitesse durant la phase "démarrage lent"
(30 à 100% de la vitesse nominale).
T (3) permet de régler la durée de la phase
"démarrage lent" (0 à 3 secondes).
2) HI : (High speed) sur cette position l’outil
tourne à 100% de sa vitesse nominale.
●
●
●
●
●
-
-
3) LO : (Low speed) sur cette position l’outil
tourne à 70% de sa vitesse nominale.
L’alimentation ESP2 est équipée sur sa face
arrière d’un connecteur reprenant les 2 voies.
1) CNA : canal A (voie de droite de l’alimentation
vue de face).
2) CNB : canal B (voie de gauche de
l’alimentation vue de face).
Toujours utiliser le câble Desoutter correct pour
raccorder le coffret à l’alimentation secteur. Ne
pas modifier le câble et ne pas l’utiliser pour un
autre usage.
Utiliser uniquement des pièces de rechange
Desoutter d’origine.
Ne pas laisser tomber ni heurter le coffret.
Les coffrets ne sont pas protégés contre les
projections d’eau ni les immersions même
temporaires.
Si le coffret d’alimentation surchauffe
anormalement, interrompre le fonctionnement
et envoyer tout de suite l’appareil à un centre
de service autorisé par Desoutter pour des
réparations.
INSTRUCTIONS D’ENTRETIEN
L’ouverture et l’accès à l’alimentation
du coffret sont réservé à des personnes
expérimentées et qualifiées (électriciens
habilités).
En cas de doute, retourner l’ensemble à un
réparateur agréé par Desoutter (pour plus
d’informations, contactez votre revendeur
Desoutter).
Le câble d’alimentation doit être contrôlé tous
les jours.
Le remplacer lorsqu’il est endommagé.
Pour l’assemblage et le désassemblage,
suivre les procédures techniques normales.
Dessouder uniquement les fils si cette
opération s’impose pour démonter les
composants. Respecter les codes couleur
et la position des fils pour assembler les
composants correctement. Assembler
les composants en sous-ensembles, en
consultant les schémas. Veiller à bien fixer
l’étrier de masse.
Pour l’élimination des composants,
lubrifiants, etc… assurez vous que
les procédures de sécurité soient
respectées.
●
●
●
●
●
●