D-EIMAC00804-14EU - 9/209
ENGLISH - ORIGINAL INSTRUCTIONS
This manual is an important supporting document for qualified personnel but it is not intended to replace such personnel.
Thank you for purchasing this chiller
READ THIS MANUAL CAREFULLY BEFORE
INSTALLING AND STARTING UP THE UNIT.
IMPROPER INSTALLATION COULD RESULT IN
ELECTRIC SHOCK, SHORT-CIRCUIT, LEAKS, FIRE
OR OTHER DAMAGE TO THE EQUIPMENT OR
INJURE TO PEOPLE.
THE UNIT MUST BE INSTALLED BY A
PROFESSIONAL OPERATOR/TECHNICIAN.
UNIT STARTUP HAS TO BE PERFORMED BY
AUTHORIZED AND TRAINED PROFESSIONAL.
ALL ACTIVITIES HAVE TO BE PERFORMED
ACCORDING TO LOCAL LAWS AND REGULATION.
UNIT INSTALLATION AND START UP IS
ABOSOLUTELY FORBIDDEN IF ALL INSTRUCTION
CONTAINED IN THIS MANUAL ARE NOT CLEAR.
IF CASE OF DOUBT CONTACT THE
MANUFACTURER REPRESENTATIVE FOR ADVICE
AND INFORMATION.
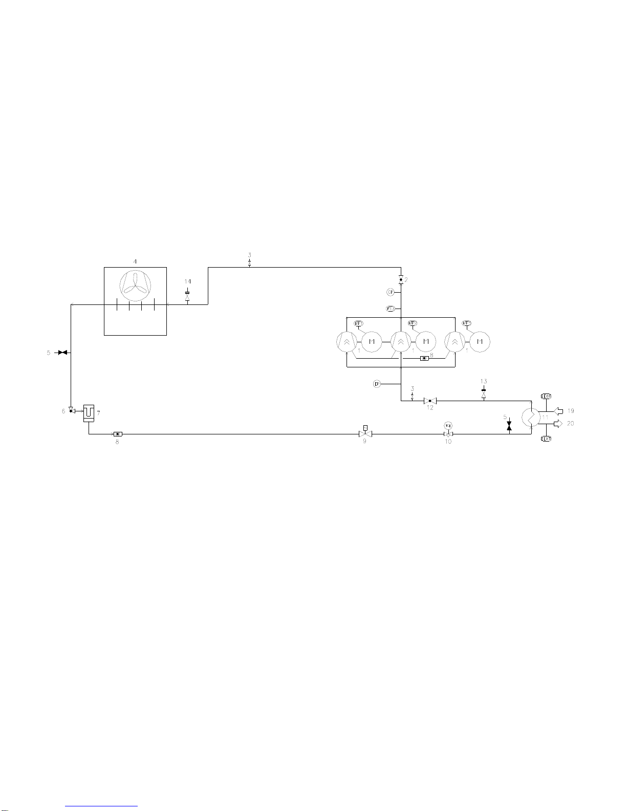
Description
The unit you bought is an “air cooled chiller”, a machine aimed
to cool water (or water-glycol mixture) within the limits
described in the following. The unit operation is based on
vapour compression, condensation and evaporation according
to reverse Carnot cycle.The main components are:
- Scroll compressor to rise the refrigerant vapour pressure
from evaporation pressure to condensation pressure.
- Evaporator, where the low pressure liquid reqrigerant
evaporates so cooling the water.
- Condenser, where high pressure vapour condensate
rejecting heat removed from the chilled water in the
atmosphere thanks to an air cooled heat exchanger.
- Expansion valve allowing to reduced the pressure of
condensed liquid from condensation pressure to
evaporation pressure.
General Information
All units are delivered with wiring diagrams, certified
drawings, nameplate; and DOC (Declaration Of
Conformity); these documents show all technical data
for the unit you have bought and they MUST BE
CONSIDERED ESSENTIAL DOCUMENTS OF THIS
MANUAL
In case of any discrepancy between this manual and the
equipment’s documents please refer to on board documents.
In case of any doubt contact the manufacturer representative.
The purpose of this manual is to allow the installer and the
qualified operator to ensure proper installation, commissioning
and maintenance of the unit, without any risk to people,
animals and/or objects.
Receiving the unit
The unit must be inspected for any possible damage
immediately upon reaching final place of installation. All
components described in the delivery note must be inspected
and checked.
Should the unit be damaged, do not remove the damaged
material and immediately report the damage to the
transportation company and request they inspect the unit.
Immediately report the damage to the manufacturer
representative, a set of photographs are helpful in recognizing
responsibility
Damage must not be repaired before the inspection of the
transportation company representative.
Before installing the unit, check that the model and power
supply voltage shown on the nameplate are correct.
Responsibility for any damage after acceptance of the unit
cannot be attributed to the manufacturer.
Operating limits
Storing
Environmental conditions must be within the following limits:
Minimum ambient temperature : -20°C
Maximum ambient temperature : +42°C
Maximum R.H. : 95% not condensing
Storing below the minimum temperature may cause damage to
components. Storing above the maximum temperature causes
opening of safety valves. Storing in condensing atmosphere
may damage electronic components.
Operation
Operation out of the mentioned limits may damage the unit.
In case of doubts contact manufacturer representative.
Figure 1 - Description of the labels applied to the electrical panel
Label Identification