www.cooperbussmann.com/BussmannWirelessResources
Cooper Bussmann BU-905U-L Wireless I/O Installation Manual
33A1580Rev1.7
Safety Information
Thank you for selecting the BU-905U-L for your telemetry needs. We trust it will give you many years of valuable service. To ensure your
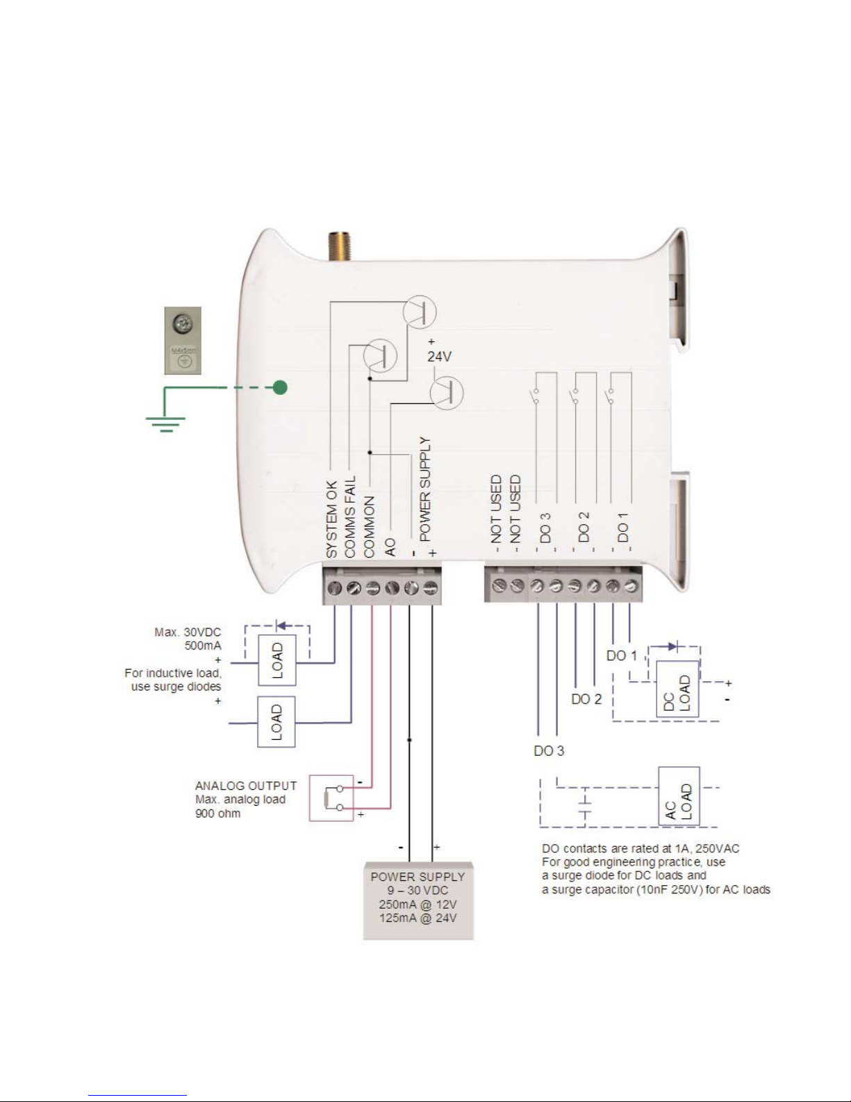
BU-905U-L enjoys a long life, double-check ALL your connections with the Installation Guide before powering on the module.
WARNING - Incorrect termination of supply wires may cause internal damage and will void warranty.
Exposure to RF energy is an important safety consideration. The FCC has adopted a safety standard for human exposure to radio frequency
electromagnetic energy emitted by FCC regulated equipment as a result of its actions in Docket 93-62 and OET Bulletin 65 Edition 97-01.
FCC Notice when used in USA: 905U Wireless I/O Module
Part Additional information
15 This device has been tested and found to comply with the limits for a Class B digital device, pursuant to Part15 of the FCC rules (Code
of Federal Regulations 47CFR Part 15). Operation is subject to the condition that this device does not cause harmful interference.
90 This device has been type accepted for operation by the FCC in accordance with Part90 of the FCC rules (47CFR Part 90).
See the label on the unit for the specific FCC ID and any other certification designations.
Industry Canada: BU-905U-L Wireless I/O Module
RSS-119 - This device has been type accepted for operation by Industry Canada in accordance with RSS-119 of the Industry Canada rules. See
the label on the unit for the specific Industry Canada certification number and any other certification designations.
NOTE: Any changes or modifications not expressly approved by Cooper Bussmann P/L could void the user’s authority to operate this
equipment.
To operate this equipment legally the user must obtain a radio-operating license from the government agency. This is done so the government can
coordinate radio users in order to minimize interference.
Safety Information - FCC Notice
This device complies with Part 15.247 of the FCC Rules. Operation is subject to the following two conditions:
• This device may not cause harmful interference; and
• This device must accept any interference received, including interference that may cause undesired operation
NOTE: This equipment is suitable for use in Class I Division 2 groups A, B and C or non-hazardous locations only.
UL Notice:
THIS EQUIPMENT IS SUITABLE FOR USE IN CLASS I DIVISION 2 GROUPS A, B, C AND D HAZARDOUS LOCATIONS, OR NONHAZARDOUS
LOCATIONS ONLY.
WARNING - EXPLOSION HAZARD - DO NOT DISCONNECT EQUIPMENT WHILE THE CIRCUIT IS LIVE OR UNLESS THE AREA IS KNOWN TO BE FREE
OF IGNITABLE CONCENTRATIONS.
WARNING - EXPLOSION HAZARD - SUBSTITUTION OF ANY COMPONENT MAY IMPAIR SUITABILITY FOR CLASS I, DIVISION 2.
1. The Wireless I/O module is to be installed by trained personnel / licensed electricians only and installation must be carried out in accordance
with the instructions listed in the Installation Guide and applicable local regulatory codes.
2. The units are intended for Restricted Access Locations.
3. The Wireless I/O module is intended to be installed in a final enclosure, rated IP54, before use outdoors.
4. The Equipment shall be powered using an external Listed Power Supply with LPS outputs or a Class 2 Power Supply.
5. The Wireless I/O module must be properly grounded for surge protection before use.