
PC10-1/10-2/10-ll
SERVICE
MANUAL
CONTENTS
TITLE
PAGE
SPECIFICATIONS
PCIHO-1
scseseccaananeenennnnennennnenennsnsnennnnnnnsnsunnenssenssnunnnnsnunsnsnnansnsnnnnnsnsannnanerennnen
1
-SPECIFICATIONS
PCIO-2
.uueseesseeseennserssersersesnenensesnenstnnsnssnsnnensnnnnennnnnnnnnonsenonsnnnonsnennnsorsnnsnnee
2
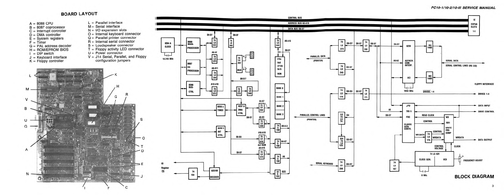
BLOCK
DIAGRAM
anücnnannnnnnnennnnnnnnnnnnnnnnnenssnnsnnnnnnnenenssnnnsssssnsesnsnnsnsnussnssnnnnunsnsanennnnnssssnsnnnennennenenee
3
BOARD
LAYOUT
...cccessennnannnnnnonennnnnennnnnnsnnnnnnunnnsnsssssnnnnsssnssnnnnnnsssnsnnnsssssssnsesssssssonnnssssnsnusenennennen
3
MAJOR
PARTS
LIST
.ceeneeeceeennnnnenennenennnnnnnenneennnnensnnnnensnsnnnnnensnsnssnsnsssssessnnsssnnnenssnnnesssssnsansnsnnrene
4
PCB
ASSEMBLY
#380064
PARTS
LIST
..anseennannasnannensnnnnnnnnnnsnenennnnnunsnnnnnnssnnssnsnnnssnsnnnsnnsnssnnnsnnnnnnnnnannnnnsnnssensnnsnnnn
5
BOARD
LAYOUT
.cceeaseeesssnennnnsnensnsssnnnnnnnnsnnnnnnnsnnnonsnsnssnsnsenenssnnenssensnnsensnnenssnansssnsssnnntenne
7
SCHEMATIC
(sheet
1
0f
8)
.....zuusseesessneeseensenseenennnensesssnnnnsnnensnnsnnnnannnnnnnonsnnsnonnnnnonsnnssarna
8
SCHEMATIC
(sheet
2
0f
8)
........uursssessennssnsnsnnesnnnsnnnnnnnssnensnnsnnssnnnsnnanennnnnonsnssnonssnonnnrsnne
9
SCHEMATIC
(sheet
3
0f
8)
..........2sssssssnssnnsssnnnnnnessenssnnnnensnnssonsnnssnensnnssnnnanssnnnnonsnnnannnannn
10
SCHEMATIC
(sheet
4
0f
8)
...........4uuus20s0nsrsnnnsnsnnsnsnnnnnnnnsnnnsnnennnnnssnnnnnonsnnnnsnnennnenssnenennnanen
11
SCHEMATIC
(sheet
5
0f
8)
..............22s22s0snunnnsnnnnnnunsnnnnnnnsnnunnnsnnnnansnnnnnsnssnnnnsnnsnsnnnsnnnnnnne
12
SCHEMATIC
(sheet
6
0f
8)
.....uunereennennnnnnsennnnennnnnnennnnntnnnonnsnonsnsnnnsnnnnsnonnnnnensnnnnonsnnnnnnnne
13
SCHEMATIC
(sheet
7
0f
8)
..........uu@2200s44400neeennennnnnnnnnunennsnnenenennnnnnnnnnnnnnnnsnnssnsnsssnsnssnnnnnnne
14
SCHEMATIC
(sheet
8
of
8)
............uussssssssennesnnnnnsnnnnnnnnenunnnnnsnsnnonsnsnnnssnnsnensnsssnnnnnsnnnnnansnen
15
RAM
EXPANDER
PARTS
LIST
..........2222220000usnnnsnnsnnnnnnnnunssnnnonnnnnunsnnnnnnnnnnnsnnnenssnnnsssssnansennnnssssssnnssssssnonnnennnns
16
BOARD
LAYOUT
.....22222222400nenennnnnnnnnnnenennnnnensnnnensnnnnnnnsnonnnssonsnannssssensnansnnnssssnnssssnnnsnssssnnne
16
SCHEMATIC
.......
Sabukennununussussuunsnnnennusnussunnnuensssnennnssnnsnsenunnsunnnnnunnnannnsssntohnesssusnssssenhesnssnsues
16
MAJOR
VENDORS
LIST
.......2csssuesssssssnnnnnssnsnnnnnunnennnnnsnnnnnnnnnnnnnsnenssnnnsnnnsssnsssssnssssonsnsssnsssssnnnnnne
17
PC10-1,
PC10-2
MEMORY
MAP
.nneeesssssssnnensssssonsnnsnsnsensnnsnsensonssnsnnenssnnensnnnsnnnnnnsssnnsssanssnnsnsnnssssssssesnsnsnsnnn
18
SWITCH
SETTING
(MAIN
PCB)
......uuessesesesssneseenensonnnennnnnnnnnenonsnnnnnnnnnnennrnnnsesnsnsnsssnssnnsnnn
19
ATI
CARD
SWITCH
SETTING
....eeseesssnsssessssnnnonesnennennnnnnannnonnnnnnsnnsnensannnnnnssssssnssssssssnsennn
20
FLOPPY
DRIVE
(CHINON
F502)
TERMINATORS
.....u..cussersorsnessnennrsnnsennnsnssnnesnennennnenenen
21
HD
MOUNTING
KIT
.....eeeneesunnsenssnssnnenonsonnaennesnnennenansnnnnnnansnsnensennssnsssssnssssessnnnsanssnsnnnannnn
22
BIOS
SELF
TEST
ERROR
MESSAGE
....uueessessnssesennennnnnnnennnnsnnnnnnnnnnnsnnsnsnnsnnenssnnnsannnnnn
23
25