
2
• This Comelit product was designed for use in the creation of audio and video communication systems in residential, commercial or industrial settings
and in public buildings or buildings used by the public.
• All activities connected to the installation of Comelit products must be carried out by qualified technical personnel, with careful observation of the
indications provided in the manuals / instruction sheets supplied with those products.
• Cut off the power supply before carrying out any maintenance procedures.
• Use wires with a cross-section suited to the distances involved, observing the instructions provided in the system manual.
• We advise against running the system wires through the same duct as the power cables (230V or higher).
• To ensure Comelit products are used safely: carefully observe the indications provided in the manuals / instruction sheets and make sure the system
created using Comelit products has not been tampered with / damaged.
• Comelit products do not require maintenance aside from routine cleaning, which should be carried out in accordance with the indications provided in
the manuals / instruction sheets. Any repair work must be carried out: for the products themselves, exclusively by Comelit Group S.p.A., for systems,
by qualified technical personnel.
• Comelit Group S.p.A. does not assume any responsibility for: any usage other than the intended use; non-observance of the indications and
warnings contained in this manual / instruction sheet. Comelit Group S.p.A. nonetheless reserves the right to change the information provided in this
manual at any time and without prior notice.
• The manufacturer, Comelit Group S.p.A., hereby declares that the radio equipment art. 6944W/6944B
conforms to directive 2014/53/EU. The full EU conformity declaration is available at the following web address:
pro.comelitgroup.com/product/6944W/6944B
Warning
1.
2.
3. 4. 5. 6.
8.
7.
*Cable supplied
Technical specifications
Description
GENERAL DATA
Product height (mm) 185
Product width (mm) 260
Product depth (mm) 17
Product color White or Black
Material Plastic
Wall-mounted Yes
DISPLAY FEATURES
Size (inches) 10
Aspect Ratio 16:9
Touch screen Yes, capacitive
Resolution (pixels) 1280x800
OSD menu Yes
Type of display LCD
AUDIO FEATURES
Tech. implemented Full-Duplex
ELECTRICAL CHARACTERISTICS
Type of power supply PoE, External power
supply
Supply voltage 18-24VDC
PoE power supply SPoE (24VDC)
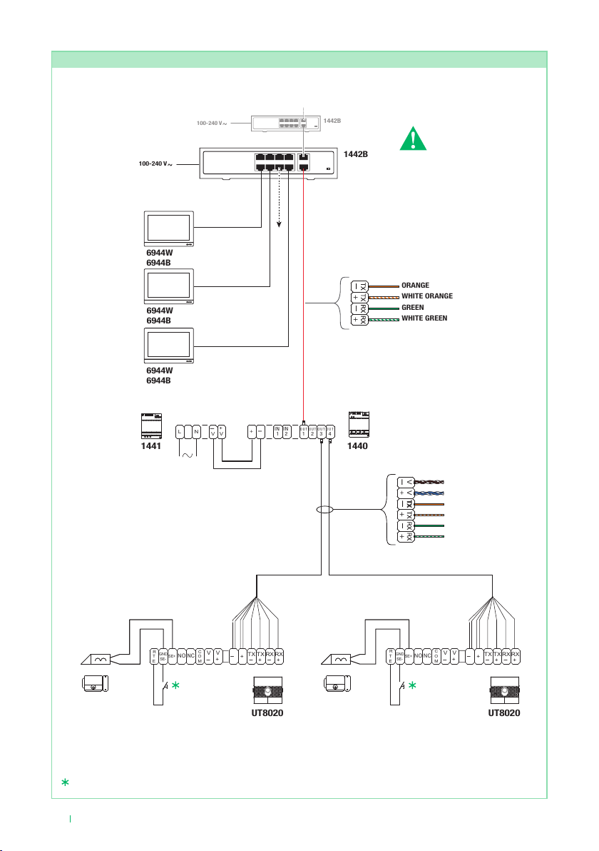
1. LCD Display
· Touch screen
· 10” 16:9
· Pixel 1280x800
2. Microphone
3. 2 magnets for fixing the door entry
monitor to the bracket
4. RJ45 SPOE (24 VDC) to connect
art. 1442B
5. Power input (18-24 VDC) *
as an alternative to SPOE power
supply
6. Input *
AL - Alarm input
PAN - Panic input
IN1 - General purpose input
GND – Ground for input
12V OUT – Not used
A4…A8 – Not used
7. Outside door call input *
8. Speaker
Wi-Fi Venice 10 inches touch screen door entry monitor with full-duplex hands-free audio. Audio, ringtone,
colour and contrast adjustment. Ringtone can be customised. Equipped with video memory function and
internal directory for the management of intercom calls. Management of external floor door call. Wall mounted.
Compatible with H264 video format. The device has one standard SPOE LAN port (24VDC) and Wi-Fi connection
to guarantee Internet connection for installed APPs. To install the monitor is required to have a flush mounting
box with screws wheelbase of 60mm.