10
Microphone Priorities
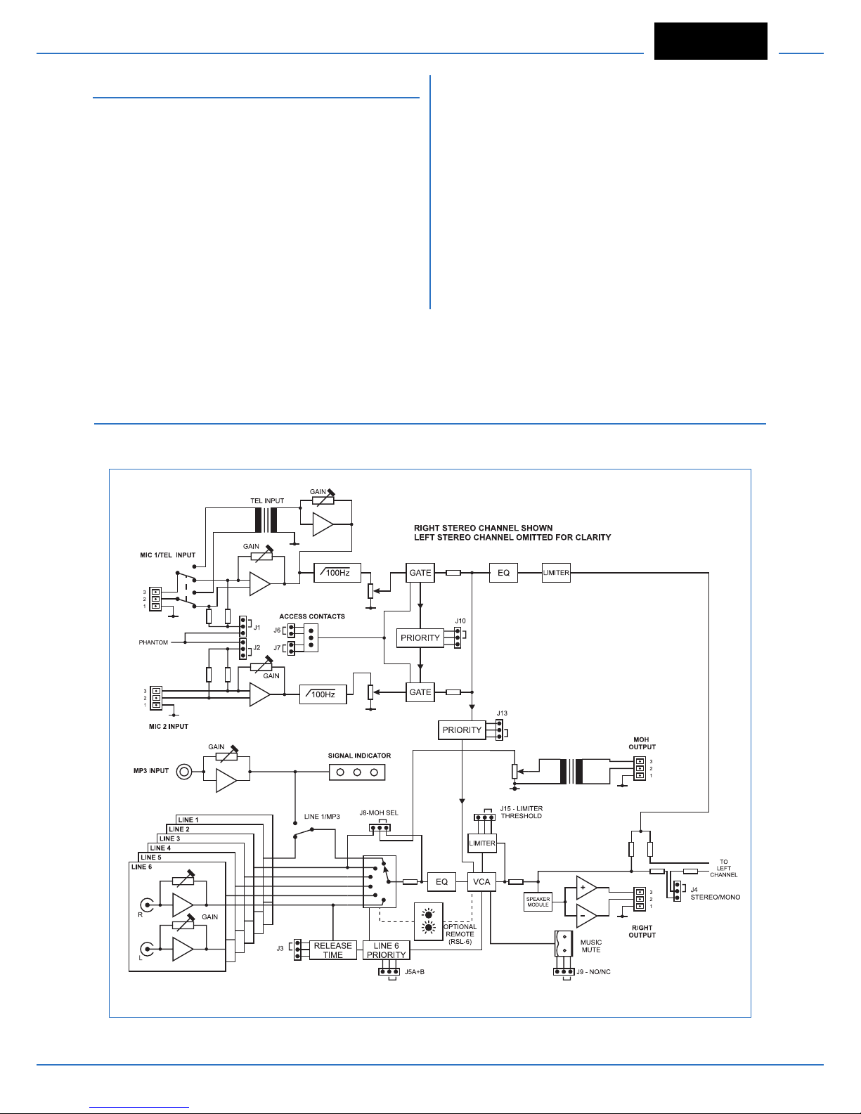
The microphone inputs on the CX261 may be congured so
that when they are in use, they take priority over the music
programme; additionally, Mic input 1 may be set to take
priority over Mic input 2.
There are two methods of triggering the microphone
priority circuitry: signal detection (AVO) or via the zone
access contacts on the rear panel (ACC).The choice is made
by internal jumpers J11 (Mic input 1) and J12 (Mic input 2);
note the two mic inputs may be set differently if wished. See
page 15 for location of the jumpers.
The factory default is for both mic inputs to be set to AVO
(Automatic Voice-Over). In this mode, the priority circuit
is triggered by the presence of a signal at the microphone
input.The alternative ACC jumper setting triggers the
priority by contact closure when the access contacts are
enabled.ACC priority should only be selected when a
suitable paging microphone is used.
Note that priority detection may be disabled by removing
J11/J12. In this state, the mic channels will still operate
normally, but music programme will remain at full level, and
the two mic inputs will be mixed together if both are active
simultaneously.
Microphone Over Music Priority
The priority circuitry is congured at the factory to
duck the music programme (reduce its level) when
an announcement is made.At the completion of the
announcement, after a delay of 1 second, the music ramps
back up to its original level over a period of 1 second.The
ducking action can be overridden by moving internal jumper
J13 from the ON position to the OFF. See page 15 for
location of internal jumpers.
Mic 1 Over Mic 2 Priority
In installations where both mic inputs are being used, it
is possible for announcements to clash if the mics are
active simultaneously. By default, the CX261 allows both
microphones to access the system simultaneously. Mic
1may be given priority over Mic 2 by moving internal
jumper J10 from the OFF position to the ON. (See page 15
for location of internal jumpers.) Then, if Mic 1 is already
making an announcement, Mic 2 will not be able to access
the system.Also, if Mic 2 is making an announcement and
Mic 1 then becomes active, Mic 2’s announcement will be
curtailed and Mic 1’s will take over.
Use of Mic 1 input with telephone system
Mic 1 input on the CX261 may be recongured to accept
an audio input directly from a compatible telephone system.
This permits announcements to be made from some (or
any) internal telephone extensions in a building. Not all
telephone systems are suitable for this application, and the
system documentation should be consulted in detail to
ensure compatibility.
The MIC/TEL button on the rear panel (
on g. 3) should
be in the TEL position (in) for this application.This inserts
a transformer in series with the input connector to provide
full electrical isolation from the telephone system, together
with an independent gain control stage.
The audio (or “paging”) output of the phone system should
be connected to the MIC 1 input in the normal way.The
impedance of the telephone input is 600 Ω; this should
be suitable for the majority of telephone systems. If the
telephone system requires a high input impedance, internal
jumper J16 may be removed to provide an input impedance
of 48 kΩ. See page 15 for location of internal jumpers.
The TEL GAIN preset gain control (