R
RG
GU
U-
-1
10
0
/
/
R
RG
GU
U-
-1
10
0C
C
e
el
le
ec
ct
tr
ro
on
ni
ic
c
e
ea
ar
rt
th
h
l
le
ea
ak
ka
ag
ge
e
p
pr
ro
ot
te
ec
ct
ti
io
on
n
r
re
el
la
ay
y
Page 4
GENERAL FEATURES
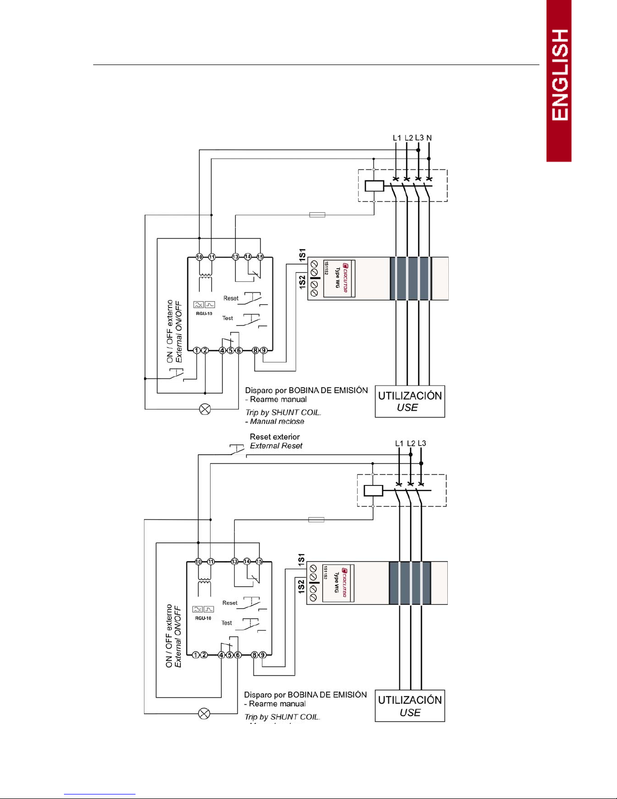
The RGU-10 earth leakage relay is type A programmable electronic earth leakage protection equipment with two
independent relays 4, the main output for checking the cut off device and performing the protection function and the
pre-alarm relay for installation prevention and maintenance.
Allows the setting and adjustment of all parameters required for complete protection and maintenance checking in
the installation. A series of parameters may be set directly from the keypad (buttons) and by setting menus on the
instrument itself.
Before starting the earth leakage device carefully read sections: power supply, connection diagram and setting.
The RGU-10 measures, calculates and displays the earth leakage current in
three-phase, balanced or unbalanced industrial systems.
Measurements are in true effective value, via one earth leakage current input,
from the WG/WGS family external measuring toroid.
Under normal operating conditions the main values determining earth leakage
protection in an installation are shown on the display. These include sensitivity,
delay and instant current leakage.
Bearing in mind the high degree of protection required by installations, the equipment
has a display and LED indicators for the different events which usually occur.
Data displayed or pre-alarm indication, trips, leakage readings, etc. assist in providing
sufficient information for proper maintenance.
Under normal operating conditions the backlit display is green. However, after any
event causing a main relay to trip, the backlight is red, indicating the reason.
The version for RS485 communications and appropriate software allows
setting, data and information to centralised for the proper monitoring and
checking of the maintenance of electricity lines.
The measurement of earth leakage current from which the RGU-10/RGU-10C
operates by indicating the instant leakage current, pre-alarm or trip is
determined by the WG series earth leakage transformers. The inner diameter
of the transformer is defined by the installation's wiring dimensions.
EARTH LEAKAGE TRANSFORMERS, WG SERIES
Weight (g)
Useful
diameter
(mm)
Type Code