
– 1 –
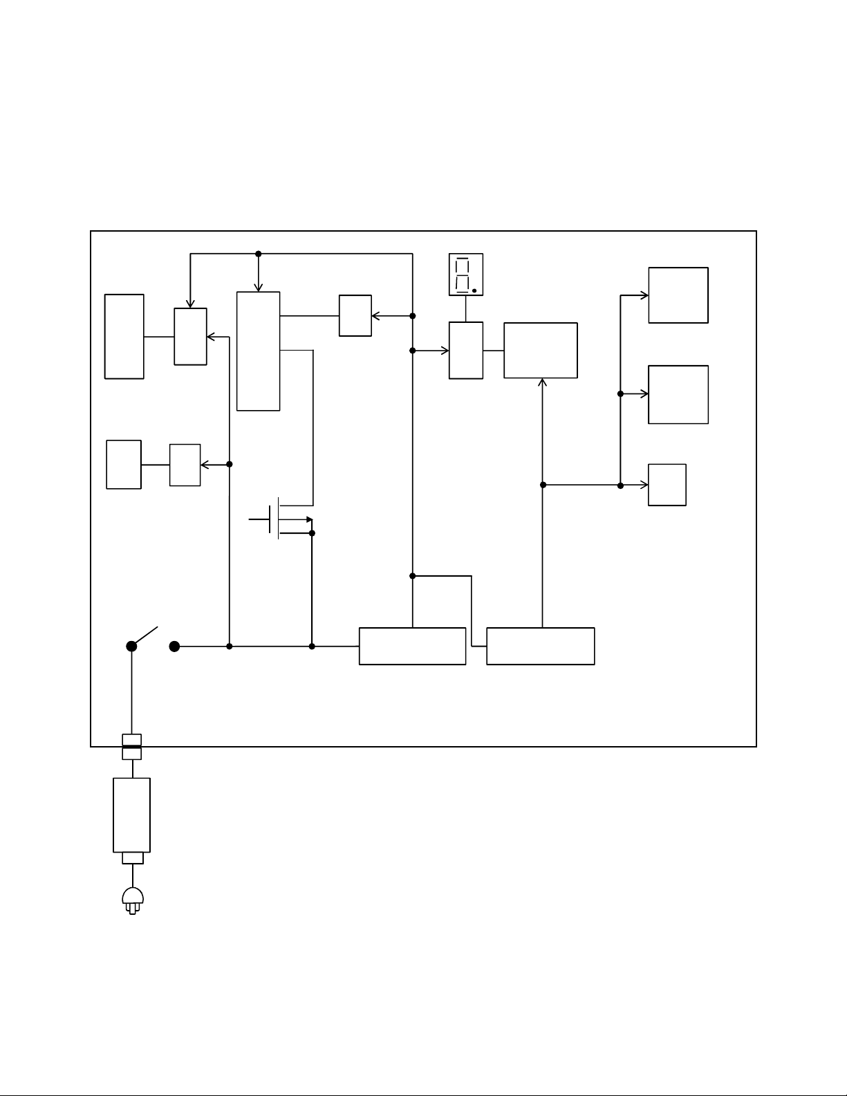
1. SPECIFICATIONS
1-1. PRINTING SPECIFICATION
Printing method: Direct Line Thermal
Dot pitch: 8 dot / mm
Printing speed: 210 mm per second (Max.)
Printing width: 72mm / 576 dots
Character structure: 8 x 16 (font B) 12 x 24 (font A)
Printing columns: 64 columns / line 44 columns / line
Character size: 1.00 x 2.00 1.50 x 3.00
Fonts: US-ASCII, Katakana, international characters
Feed speed: 220 mm per second
Interface: RS232C (serial), 10/100 Base - T/ TX
Command: ESC / POS compliant
Paper width & diameter: 80 mm (W) x 80 mm Dia. Max.
Thermal head life: 100 Million Pulses / 100 km or more
Cutting method: *2 Partial cut (one point left uncut) *2
Operating temperature: 5 °C ~ 35 °C
Storage temperature: -20 °C ~ 60 °C
Dimension: 145 mm (W) x 193.2 mm (L) x 120.1 mm (H)
Transfer speed: 38.4 kBps (Max.) : RS-232C
Supply voltage in standby: 24V DC / 100mA
Mean current: Approx. 1.3 A *3
Power consumption: Approx. 40 W *3
Weight: 1.1kg
Barcode alignment: ○
Near end sensor: Near end sensor
*1 Manufactured by SIIP&S Inc. (Former name: Seiko Instruments Inc.)
*2 CAUTION: Paper must be fed 3 mm after cutting to prevent paper jam.
*3 These values vary according to environmental temperature when printed font A (12 × 24) with a rolling
pattern.
1-2. PAPER SPECIFICATION
Paper Width: 79.5 ± 0.5mm (3.13 ± 0.02”)
Paper roll size: Roll diameter: Maximum 80 mm (3.15”)
Take-up paper roll width: 80 + 0.5/-1.0mm (3.15 + 0.02/-0.04”)
Specified paper: Specified thermal roll paper: NTP080-80
[Paper:TF50KS-E2C Nippon Paper Industries Co., Ltd.]
Packaged roll paper:
[Paper:PD160R-N (Oji Paper Mfg. Co., Ltd.)]
*The following paper can be used instead of the paper above:
Paper: HP220AB1 (Mitsubishi Paper Mills Ltd.)
Paper roll spool diameter: Inside 12 mm (0.47”)
Outside 18 mm (0.71”)
NOTE: The end of the paper roll must be free to come off the spool when finished. It must not be adhesively
attached or attached in another semi-permanent manner.