6 720 647 005 (2014/04)TRONIC 3000C Pro
Installation | 9
4.1.1 Freeze prevention
Introduction
Please note that the installation manual states that the water
heater must not be installed in a location where it may be
exposed to freezing temperatures. If the heater must be left in
a space that is likely to experience freezing temperatures, all
water must be drained from the heater.
Freeze damage is not covered under the warranty.
Draining the heater
Due to the shape of the heat exchangers and connecting pipe,
it is extremely difficult to get all of the water out of the heater.
Follow the procedure below to best minimize the chance of
freezing:
▶ Disconnect electric supply.
▶ Disconnect cold and hot water pipes from fittings on
bottom of heater. Allow water to drain out (have a catch
basin ready).
▶ After allowing all water to drain out, the heater should be
blown out with low pressure compressed air to remove as
much water as possible from water heater modules. Bursts
of air work better than continuous flow.
Remember, these suggestions are only made to help minimize
the potential for freeze damage and are not to be construed as
the guaranteed method for dealing with freeze possibilities.
4.2 Installing the Tronic 3000C Pro
To operate correctly the unit needs the following running
pressures:
Sink
• Min: 10 psi (0,7 bar)
• Max: 150 psi (10,3 bar)
4.3 Water connections
▶ The unit should be connected directly to the main cold
water supply and not to pre- heated water. The unit should
beinstalledwithservice valves on both the inlet and outlet.
These valves can be used to turn off the water supply to the
unit if it needs servicing, or to reduce the water flow if it is
too high.
▶ We recommend that you use ½" copper or high pressure
flex connections.
▶ Use Teflon tape for sealing pipe threads. Do NOT use pipe
dope.
▶ Remember to keep the hot water pipe runs as short as
possible. In some cases it may be worth fitting a second
unit to serve an additional fixture.
▶ The inlet and outlet are clearly marked on the unit. They
each have a ½" NPT connector.
▶ If the unit is to supply a sink, we recommend that you use
aerators, which you can get from your local distributor/
dealer.
▶ If the unit is to supply more than one sink, the aerator
should be the same at each tap if they are to be used at the
same time. If not, one outlet will take all the water.
▶ After the unit has been plumbed in, and before you wire it,
flush it with water to remove any debris or loose particles.
Failure to do so may make the unit inoperable.
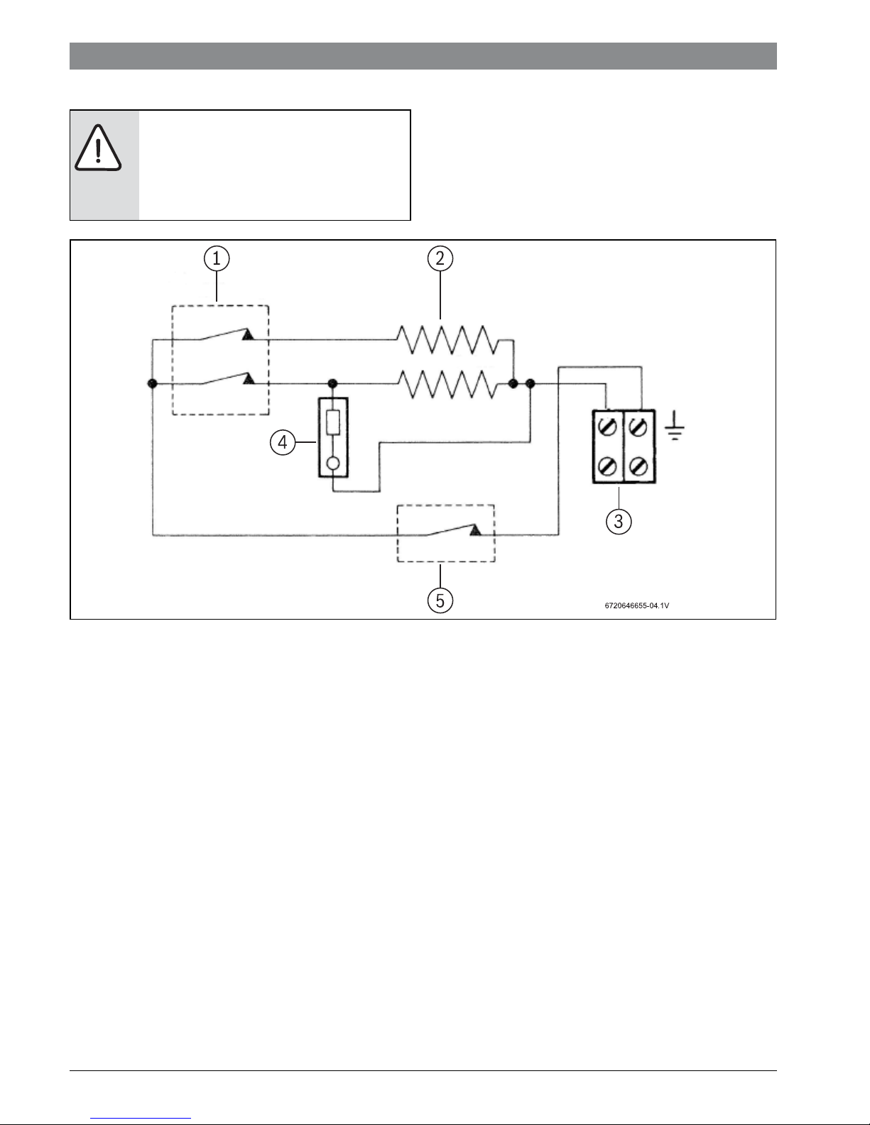
WARNING:
▶ ELECTRICITY IS EXTREMELY
DANGEROUS. TAKE EXTRA
PRECAUTIONS AND ENSURE ALL
CIRCUIT BREAKERS ARE OFF BEFORE
PERFORMING ANY WORK TO THE
HEATER.
Useofagentslike anti-freeze are not allowed
as they may cause damage to the water
heater’s internal components.
WARNING:
▶ Do not install the Tronic 3000C Pro in a
room where there is a chance of
freezing.
NOTICE:
▶ Read entire instructions.
▶ Check the pressure of the main water
supply.
Asaconditionof installingthisproductinthe
Commonwealth of Massachusetts a
pressurerelief valve mustbeinstalled on the
cold water side by a licensed plumber. MGL
42 Section 19.
Approval number: P1-09-25