
1. 120 Volts AC500+B300S Backup System
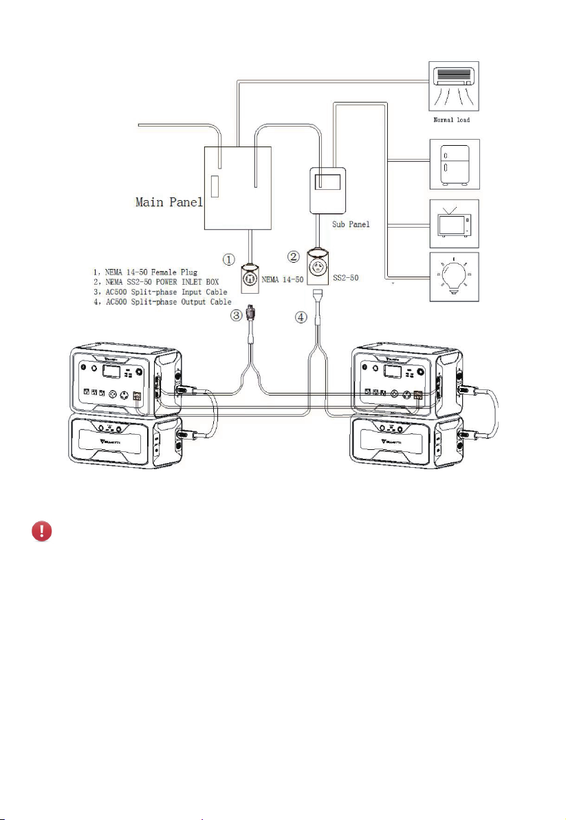
2. 240 Volts AC500+B300S Backup System
3. Accessories
3.1 Transfer switch
3.2 50A AC Charging Cable
3.3 BLUETTI AC500 split-phase output cable
3.4 BLUETTI AC500 split-phase AC charging cable
3.5 Communication cable for split-phase function
3.6 NEMA 14-50R socket
3.7 NEMA 14-50P to SS2-50R extension cord
3.8 Circuit breaker & protection box
3.9 Solar extension cable
4. How to install Reliance Controls
Please refer to Reliance Controls website: www.reliancecontrols.com
4.1 How to install Reliance Controls ProTran2 - Part1, Tools and Planning
4.2 How to install Reliance Controls ProTran2 - Part2, Mounting
4.3 How to install Reliance Controls ProTran2 - Part3, Wiring
4.4 How to install Reliance Controls ProTran2 - Part4, Replacing Circuit Breakers
4.5 How to install Reliance Controls ProTran2 - Part5, Installing The Power
Inlet Box
4.6 How to install dd Controls ProTran2 - Part6, How To Operate
5. More information:
01
04
11
11
11
12
12
13
13
13
14
15
15
15
15
16
16
16
16
16
16
Contents