
GB
CAUTION!
The CD units are equipped with a laser component!
For servicing make sure to observe the following
instructions:
• The unit operates with invisible laser beams.
• When the cover is removed, invisible laser beams are
emitted near the disc compartment.
•Avoid direct eye contact with these beams.
• Keep unauthorised persons away from the workbench.
• The viewing distance should not be less than 13 cm.
• If this distance cannot be kept, use suitable laser safety
goggles.
AUTORADIO
Schaltbild • Circuit diagram
8 622 403 856 BN-ST 08/03
PSA RD4 LEVEL2
BASIC
7 643 141 392
PSA RD4 LEVEL2
Japan MP3
7 643 142 392
PSA RD4 LEVEL2
MP3
7 643 143 392
CLASS 1
LASER PRODUCT
UNSICHTBARE LASERSTRAHLUNG
NICHT DEM STRAHL AUSSETZEN
LASERKLASSE 3B
VORSICHT!
Die Geräte beinhalten eine Laserkomponente!
Im Servicefall bitte nachfolgende Hinweise
beachten:
• Das Gerät arbeitet mit unsichtbarem Laserstrahl.
• Bei geöffnetem Gerät tritt im Bereich des Plattenfaches
Laserstrahlung aus.
• Nicht in den Strahl blicken.
• Unbeteiligte Personen vom Arbeitsplatz fernhalten.
• Der Betrachtungsabstand darf 13 cm nicht unterschreiten.
• Kann dies nicht eingehalten werden, muß eine geeignete
Laserschutzbrille getragen werden.
D
Table of Contents ...................................................1
Circuit diagram Main board 9094 D05
Block diagram ...................................................2
AF output ..........................................................3
Antenna.............................................................4
Interface............................................................5
MPX signal processor IF DCR3A.....................6
Main processor .................................................7
AF section.........................................................8
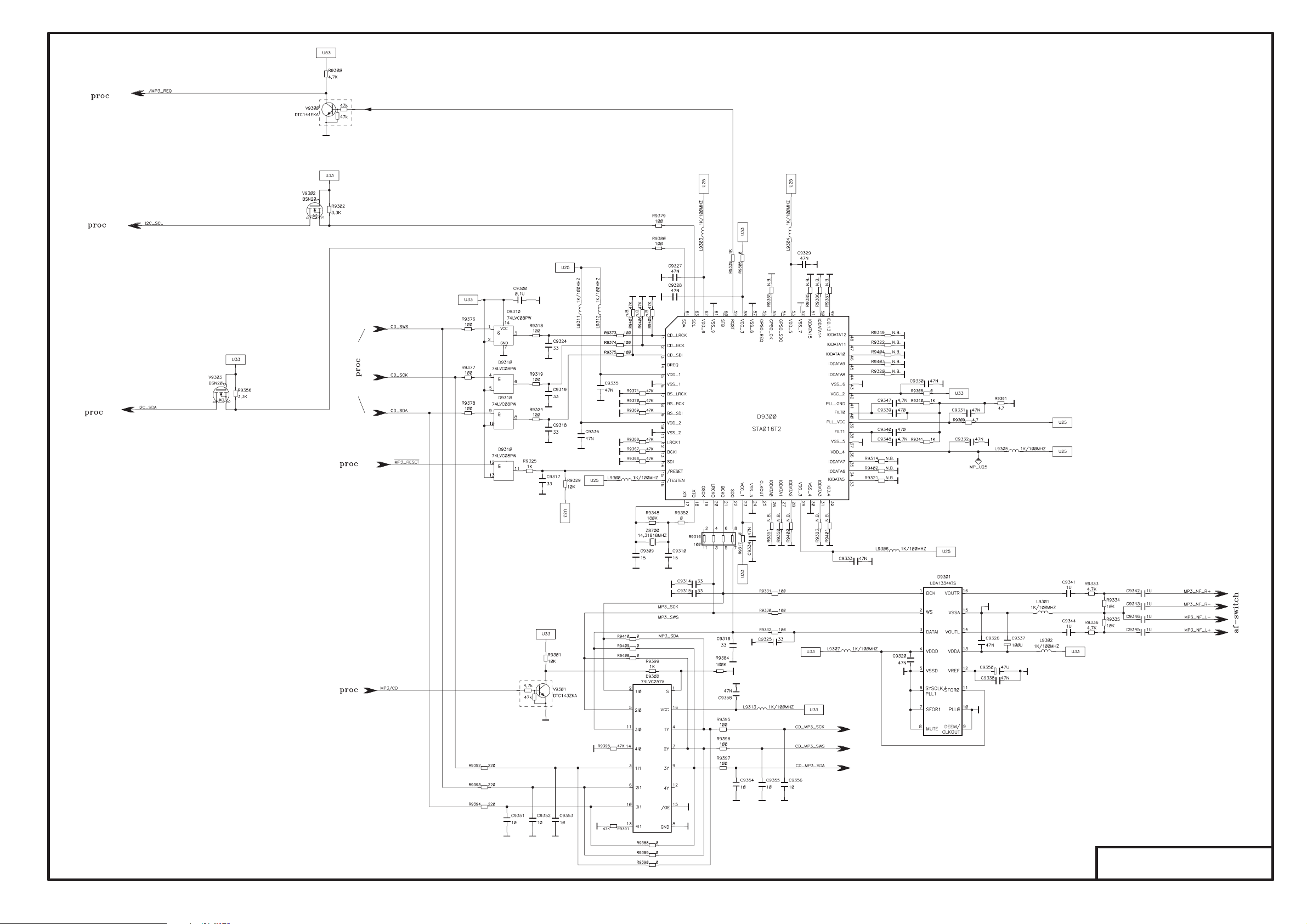
MP3...................................................................9
Power supply...................................................11
AF processor ( DCR4 ) ...................................10
Layout Main board 9094 D05........................12 - 14
Circuit diagram Key board 9095 D05...................17
Layout Key board 9095 D05 ................................18
Circuit diagram CD mechanism BP7....................19
Layout CD mechanism BP7.................................20
Circuit diagram Connector board 9096 D02 .......21
Layout Connector board 9096 D02 .....................22
Inhaltsverzeichnis...................................................1
Schaltbild Hauptplatte 9094 D05
Blockschaltbild ..................................................2
Endstufe............................................................3
Antennen...........................................................4
Schnittstelle.......................................................5
MPX Signal Prozessor ZF DCR3A ..................6
Hauptprozessor.................................................7
NF-Teil...............................................................8
MP3...................................................................9
Spannungsversorgung ....................................11
NF-Prozessor ( DCR4 )...................................10
Layout Hauptplatte 9094 D05 .......................12 - 14
Schaltbild Schalterplatte 9095 D05......................17
Layout Schalterplatte 9095 D05 ..........................18
Schaltbild CD-Laufwerk BP7................................19
Layout CD-Laufwerk BP7.....................................20
Schaltbild Anschlußplatte 9096 D02 ....................21
Layout Anschlußplatte 9096 D02 .........................22
Inhaltsverzeichnis / Table of contents