
4 -MCL LIGHT Ver. 02
D811537_02
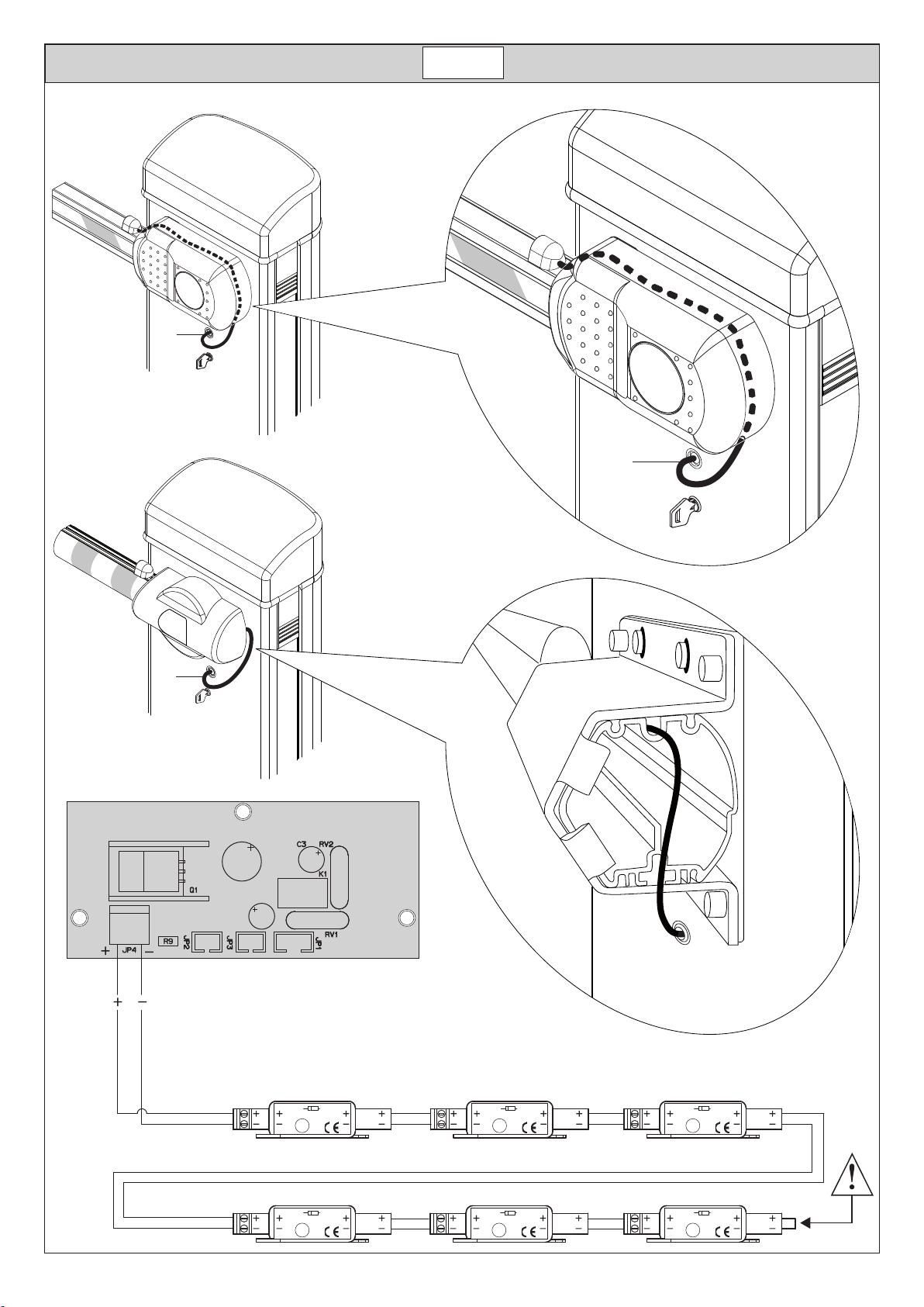
1Rimuovere la chiusura “T” posta a fine asta e posizionare il coperchio
“C1” predisposto per il passaggio del cavo del kit MCL PCA 6/8, facen-
dolo scorrere lungo tutta l’asta. Si evita in questo modo la necessità di
smontare l’asta dalla barriera.
2Procedere al fissaggio delle luci sull’asta praticando per ogni luce due
fori da Ø 2,75 mm (utilizzando la dima “B”).Disporre le 6 luci in modo da
distribuirle uniformemente sulla lunghezza dell’asta. La prima luce deve
essere al minimo a 350 mm dall’inizio dell’asta (verso il cassone).
3Praticare due fori da 4,25 mm prima e dopo ogni luce a 70 mm di distanza.
Inserire nei fori gli agganci “O” e utilizzarli per bloccare il filo.
FIG.A) Aprire il cassone della barriera. Inserire il filo attraverso l’apposito
foro dotato di passacavo posto sotto il fissaggio asta “P”. Effettuare il
cablaggio delle luci alla SCHEDA MCL come indicato in figura, uti-
lizzando esclusivamente il cavo fornito in dotazione e rispettando la
corretta polarità. Prima di applicare il profilo di protezione si consiglia
di verificare il corretto funzionamento di tutte le luci.
4Infilare nell’apposita sede il profilo di protezione “P” opportunamente
tagliato. Quindi chiudere con il coperchio non forato “C2”.
Inserire il coperchio non forato “C2”, il profilo in gomma e il coperchio
“C2” nella parte inferiore dell’asta. Quindi riposizionare il particolare “T”
nella posizione iniziale.
1Remove closing element “T” placed at the end of the boom, and position cover
“C1”readyfortheMCLPCA6/8 kitcable topass through,making it slidealong
the entire boom.This way there is no need to disassemble the barrier boom.
2Proceed to fixing the lights to the boom, drilling two Ø 2.75 mm holes
(using template “B”).
Arrange the 6 lights by spacing them out evenly over the length of
the boom. The first light must be at a minimum distance of 350 mm
from the initial part of the boom (on the box side).
3Make two Ø 4.25-mm holes, one before and one after each light, at a
distance of 70 mm. Insert the catches “O” into the holes, and use them
to secure the wire.
FIG.A) Open the barrier box. Insert the wire through the appropriate hole
provided with a cable-holder, which is found under the boom fixing
point “P”.Wire the lights to the SCHEDA MCL, as shown in the figure,
byexclusivelyusing thecablesupplied andrespecting correct polarity.
Before fitting the protection contour, it is advisable to check that all
the lights work correctly.
4Cut the protection contour “P” to size and fit it in its appropriate housing.
Then close with the cover “C2” which is not perforated.
Fit the non-perforated cover “C2”, the rubber contour and the cover “C2”
in the lower boom part. Then fit the item “T” in its initial position.
1Enlever le couvercle “T” situé à la fin de la lisse et placer le couvercle
“C1” prédisposé pour le passage du câble du kit MCL PCA 6/8, en le
faisant coulisser sur toute la lisse. L’on évite de cette façon de démonter
la lisse de la barrière.
2Fixer les lumières sur la tige en exécutant deux trous de Ø 2,75 mm
(en utilisant le gabarit “B”).
Monter les 6 lumières de façon à les distribuer de façon uniforme le
long de la lisse. La première lumière doit être au minimum à 350 mm
du début de la lisse (vers le caisson).
3Effectuer deux trous de 4,25 mm avant et après chaque lumière à 70
mm de distance. Insérer dans les trous les attaches “O” et les utiliser
pour bloquer le fil.
FIG.A) Ouvrir le caisson de la barrière. Insérer le fil par le trou prévu à cet
effet équipé du passe-câble placé sous la fixation de la lisse « P ».
Effectuer le câblage des lumières sur SCHEDA MCL comme indiqué
dans la figure en utilisant exclusivement le câble fourni et en respectant
la polarité. Nous conseillons de vérifier le fonctionnement correct de
toutes les lumières avant d’appliquer le profilé de protection.
4Enfilerdanslelogementprévuàceteffetleprofilédeprotection« P »découpé
de façon opportune. Puis fermer avec le couvercle non foré « C2 ».
Insérer le couvercle non foré « C2 », le profilé en caoutchouc et le cou-
vercle « C2 » dans la partie inférieure de la lisse, puis replacer la pièce
« T » dans sa position initiale.
1Den Verschluß “T” am Ende des Schrankenbaums entfernen und den
Deckel “C1” entlang des gesamten Baums schieben. Der Deckel dient
als Führung für das Kabel des Kits MCL PCA 6/8. Auf diese Weise wird
vermieden, den Baum von der Schranke abbauen zu müssen.
2PUm die Leuchten auf dem Schrankenbaum zu befestigen, werden - wie
in Abb. 1 gezeigt - für jede Leuchte zwei Löcher Ø 2,75 mm gebohrt
(unter Verwendung der Schablone “B”).
Die 6 Leuchten so anordnen, dass sie gleichmäßig über die Schranken-
baumlänge verteilt sind.Die erste Leuchte muss mindestens 350 mm
vom ersten Baumende (gehäuseseitig) entfernt sein.
3Zwei Löcher ø 4,25 mm in 70 mm Abstand vor und nach jeder Leuchte
bohren. Die Einhängevorrichtungen “O” in die Bohrungen einfügen und
zur Befestigung des Drahtes benutzen.
FIG.A) Das Schrankengehäuse öffnen. Den Draht durch das Bohrloch mit
Kabelführung unter der Baumbefestigung“P” einfügen.Die Leuchten
andie SCHEDA MCL anschließen, wiein der Abbildunggezeigt.Dazu
darf ausschließlich das im Lieferumfang enthaltene Kabel verwendet
werden. Achten Sie auf die richtige Polung. Vor der Anbringung des
Schutzprofils wird empfohlen, den einwandfreien Betrieb sämtlicher
Leuchten zu prüfen.
4DaskorrektzugeschnitteneSchutzprofil“P”indiezugehörigeAufnahmestel-
le einfügen. Dann mit der ungelochten Abdeckung “C2” verschließen.
Die ungelochte Abdeckung “C2”, das Gummiprofil und die Abdeckung
“C2” in den unteren Teil des Baumes einfügen. Dann das Teil “T” wieder
in die Anfangsstellung bringen.
1Quitar el cierre “T” montado al final del asta y colocar la tapa “C1”
predispuesta para la fijación del cable del kit MCL PCA 6/8, haciéndolo
deslizar a lo largo de toda el asta.De esta manera, se evita la necesidad
de desmontar el asta de la barrera.
2Fijar las luces en el asta como se ilustra en la Fig. 1, realizando, para
cadaluz,dos agujerosde Ø 2,75 mm (utilizandola plantilla“B”).Disponga
las 6 luces de manera que queden distribuidas uniformemente en toda
la longitud del asta. La primera luz debe colocarse como mínimo a 350
mm respecto al inicio del asta (hacia la caja).
3Haga dos agujeros de 4,25 mm antes y después de cada luz, a 70 mm
de distancia. Inserte en los agujeros los enganches “O” y utilícelos para
bloquear el hilo.
FIG.A) Abralacajadelabarrera.Introduzcaelhiloa travésdelagujero,dotadode
pasacables, situado debajo de la fijación del asta “P”.Efectúe el cableado
de las luces a la SCHEDA MCL como se indica en la figura, utilizando
exclusivamente el cable suministrado en el equipamiento y respetando
la polaridad correcta.Antes de aplicar el perfil de protección, se aconseja
verificar el correcto funcionamiento de todas las luces.
4Inserte enel alojamientoexpresamente previsto elperfilde protección“P”
oportunamentecortado.A continuación,cierrecon latapa no agujereada
“C2”. Introduzca la tapa no agujereada “C2”, el perfil de goma y la tapa
“C2” en la parte inferior del asta. Seguidamente, coloque la pieza “T”
de nuevo en su posición inicial.
1Remova a tampa “T” que se encontra no fim da haste e coloque a tampa
“C1”predisposta para a passagem do cabo do kit MCL PCA 6/8,fazendo-
o deslizar ao longo de toda a haste. Desta maneira, não é necessário
desmontar a haste da barreira.
2Fixar as luzes na hasta como está ilustrado na Fig. 1, efectuando, para
cada luz, dois furos com Ø de 2,75 mm (utilizando o gabarito “B”).
Dispor as 6 luzes de modo a distribuí-las uniformemente ao longo do
comprimento da haste. A primeira luz deve estar no mínimo a 350
mm do início da haste (na direcção da caixa metálica).
3Efectuar dois furos de 4,25 mm antes e depois de cada luz a 70 mm de
distância.Inserir os ganchos “O” nos furos e utilizá-los para bloquear o fio.
FIG.A) Abrir a caixa metálica da barreira. Inserir o fio através do furo espe-
cial dotado de passa-fios situado por baixo da fixação da haste “P”.
Efectuar a cablagem das luzes à SCHEDA MCL, tal como indicado
na figura, utilizando exclusivamente o cabo fornecido em dotação e
respeitando a correcta polaridade. Antes de aplicar o perfil de pro-
tecção, sugerimos de verificar o correcto funcionamento de todas
as luzes.
4Introduzirno alojamento especial o perfil de protecção“P”correctamente
cortado. Em seguida, fechar com a tampa não furada “C2”.
Inserir a tampa não furada “C2”, o perfil de borracha e a tampa “C2” na
parte inferior da haste. Em seguida, reposicionar a peça “T” na posição
inicial.
ITALIANO
INSTALLAZIONE ELL 6 (Fig.B) ENGLISH
ELL 6 INSTALLATION (Fig.B)
FRANÇAIS
INSTALLATION ELL 6 (Fig. B) DEUTSCH
INSTALLATION ELL 6 (Abb. B)
ESPAÑOL
INSTALACION DE ELL 6 (Fig. B)
PORTUGUÊS
INSTALAÇÃO ELL 6 (Fig.B)