
www.bestarc.com
IGBT DIGITAL PLASMA CUTTER 110/220V
BESTARC MANUAL
DIGITAL PLASMA CUTTER
BTC500 5th Gen ( No Pilot Arc)
This Manual for Digital Plasma Cutter:
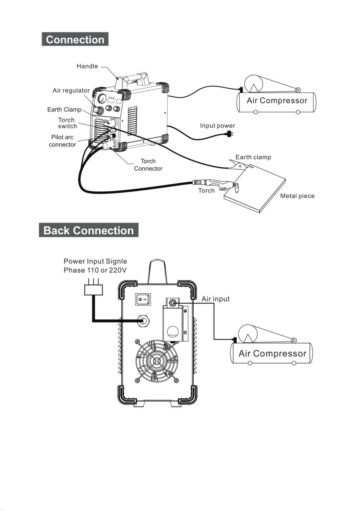
BTC500 5th Generation Plasma Cutter Dual Voltage 110/220V
BTC500 this model without PILOT ARC function
EC DECLARATION OF CONFORMITY
We hereby declare that our machines for industrial and professional use as stated below.
Model: BTC500 5th Generation 110/220V dual voltage
Conforms with EMC Directives: 73/23/EEC and 89/336/EEC
European Standard: EN/IEC60974
Please read and understand this instruction manual carefully before the installation and operation
of this equipment. The contents of this manual may be revised without prior notice and
without obligation. This instruction manual is issued on 20-May-2023
website: www.bestarc.com Service: support@bestarc.com
Dear Customer,
Thank you for purchasing our Digital Plasma Cutter, Read this manual thoroughly.
Incorrectly installed or improperly grounded equipment is a hazard, and can cause serious
Damage, Properly install and ground this equipment according to this manual and national, state,
and local codes.
Online Store: www.bestarc.com
For Service: support@bestarc.com