
3Bentone
Table of contents
1. General Information............................................................4
1.1 Delivery inspection........................................................................ 4
1.2 Safety ............................................................................................... 4
1.3 What to do if you smell gas......................................................... 5
2. Technical data.......................................................................6
2.1 Dimensions STG 146/1................................................................. 6
2.2 Capacity range............................................................................... 7
2.3 Gas categories, approved gases................................................ 7
2.4 Technicalspecication ................................................................. 8
2.5 Workingeld.................................................................................. 8
2.6 Components................................................................................... 9
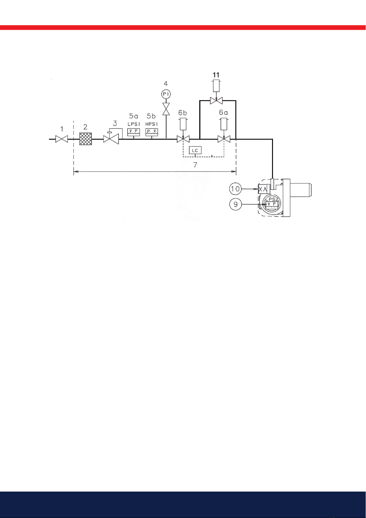
2.7 Skeleton diagrams ...................................................................... 10
3. Installation..........................................................................11
3.1 General instructions................................................................... 11
3.2 Instructions .................................................................................. 11
3.3 Inspection and maintenance.................................................... 11
3.4 Preparation for assembly ......................................................... 11
3.5 Gas supply .................................................................................... 11
3.6 Electric connection ..................................................................... 11
4. Electric equipment.............................................................12
4.1 Safety system .............................................................................. 12
4.2 Wiring diagram............................................................................ 12
4.3 Function LME... ............................................................................ 13
5. Mounting ............................................................................16
5.1 Gas nozzle..................................................................................... 17
5.3 Tightness control ........................................................................ 18
5.2 De-aerating................................................................................... 18
5.4 Calculationofgasow.............................................................. 19
6. Settings ...............................................................................20
6.1 Air setting .................................................................................... 20
6.2 Nozzle assembly adjustment.................................................... 20
6.3 Startup........................................................................................... 21
6.4 Control of combustion .............................................................. 21
6.5 Settingtheairpressureswitch ................................................ 22
6.6 Settingthegaspressureswitch,min...................................... 23
7. Gas valve MultiBloc DLE 405 - 412....................................24
8. Service .................................................................................27
8.1 Burner Service Schedule, Gas .................................................. 27
8.2 Component replacement intervals.......................................... 27
8.3 Combustion device ..................................................................... 28
8.4 Fanmotorandfanwheel .......................................................... 29
8.5 Air intake and suction cone ...................................................... 30
8.6 Replacement of electrical components.................................. 31
8.7 Vibrations...................................................................................... 32
8.8 Controlofamemonitoringandionizationcurrent ........... 33
9. Handing over of the installation ......................................35
10. Troubleshooting.................................................................36
11. Service- and inspection protocol .....................................38