
6
Scheda ZED24 SC
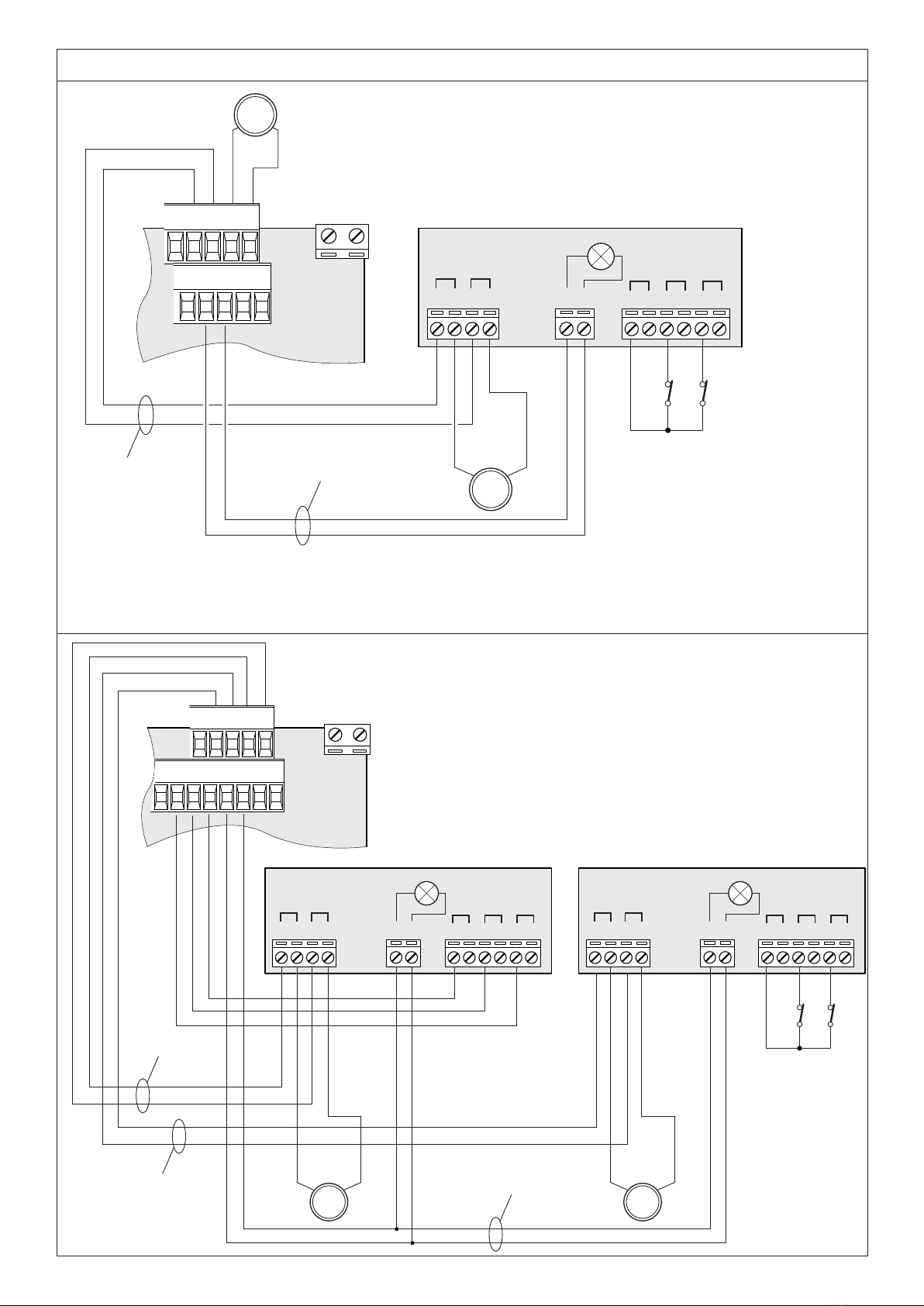
N° Morsetti Funzione Descrizione
1-2 + M2 Collegamento + del motore 2
3-4 - M2 Collegamento - del motore 2
7-8 Luce Motore 2 Collegamento alla luce di cortesia del Motore 2
9-10 COM Comune per finecorsa del Motore 2.
11-12 SWC Ingresso finecorsa CHIUDE
13-14 SWO Ingresso finecorsa APRE
Note:
a) Se presenti, i pulsanti a bordo del motore sono collegati ai comandi Passo/Passo e STOP.
Eventuali ulteriori sicurezze devono essere collegate in serie al comando STOP.
b) La luce di cortesia resta accesa per circa 90s ad ogni manovra.
c) La COSTA deve essere collegata esclusivamente agli appositi ingressi. Si possono utilizzare due tipi di COSTA:
Se si utilizza una costa con resistenza 8K2 chiudere il Jumper “DAS”.
Se si utilizza una costa meccanica con contatto N.C. aprire il Jumper “DAS”.
Se non si utilizza la costa ponticellare i morsetti 23-24.
Regolazione Finecorsa
1) Dare alimentazione alla centrale
2) Sbloccare manualmente e aprire completamente la porta.
3) Regolare la camma del finecorsa di apertura, il led SWO si spegne.
4) Chiudere completamente la porta.
5) Regolare la camma del finecorsa di chiusura, il led SWC si spegne.
6) Togliere alimentazione.
7) Portare la porta a circa metà della corsa e ribloccarla.
8) Ripristinare l’alimentazione. I led STOP, PHOT, SWO e SWC devono accendersi.
9) Dare un comando di passo-passo mediante pulsante o radiocomando.
10) La porta deve muoversi in apertura. Nel caso ciò non avvenisse, è sufficiente invertire tra loro i fili di marcia (15<>16) del motore
e gli ingressi finecorsa (SWO<>SWC).
11) Procedere con la regolazione dei Tempi e delle Logiche di funzionamento e della velocità motore.
Attivazione Rallentamento
Se si desidera il rallentamento in apertura e chiusura portare in ON il Dip-Switch 3.
Impostare il tempo di rallentamento con il Dip-Switch 8 e la velocità di rallentamento con il Dip-Switch 7.
La fase di rallentamento inizia in anticipo rispetto all’intervento dei finecorsa.
Per questo motivo, al primo avvio e dopo ogni interruzione di alimentazione di rete, la centrale deve eseguire una o più manovre
complete di apertura e chiusura, per apprendere il tempo di manovra totale e calcolare i relativi tempi di rallentamento.
Se si effettua una manovra completa di apertura/chiusura della porta PRIMA di attivare il Dip-Switch 3 (rallentamenti disabiltati), la
centrale memorizza la corsa completa e calcola i rallentamenti necessari evitando la fase di apprendimento.
Regolazione della velocità
ATTENZIONE! Questa regolazione influisce sul grado di sicurezza dell’automazione.
Verificare che la forza applicata sull’anta sia conforme con quanto previsto dalle normative vigenti.
Sul trasformatore di alimentazione è presente un connettore Faston (VMOT) che permette la regolazione della velocità dei motori su
3 diversi livelli. Posizionando il Faston (VMOT) su 15 si ha la velocità minore, spostandolo su 23 si ha la velocità maggiore.
Funzione dei Trimmer
AMP-O Permette di regolare la soglia di intervento del sensore di corrente durante al fase di apertura.
L’intervento del sensore durante la fase di apertura provoca l’arresto del motore.
AMP-C Permette di regolare la soglia di intervento del sensore di corrente durante al fase di chiusura.
L’intervento del sensore durante la fase di chiusura provoca:
- In fase rallentamento, l’arresto immediato del motore
- Durante la fase a velocità normale (non rallentata), inverte per 2 secondi e si arresta.
TCA Permette di regolare il tempo di chiusura automatica. Verificare il Dip-Switch N°1= On.
La regolazione varia da un minimo di 1s ad un massimo di 90s
Funzione Dip-Switch
DIP 1 “TCA” Abilita o disabilita la chiusura automatica.
Off: chiusura automatica disabilitata
On: chiusura automatica abilitata