
Instruction Manual – Model CF2500/CF3500 Oil Burner
2Form 6104 BCF-35-R0699
Please . . . read this page first
Denotes presence of a hazard which, if
ignored, could result in minor personal injury
or property damage.
Hazard definitions
The following will be used throughout this manual to bring attention to hazards and their risk factors, or to special information.
Denotes presence of a hazard which, if
ignored, will result in severe personal injury,
death or substantial property damage.
Denotes presence of a hazard which, if
ignored, could result in severe personal injury,
death or substantial property damage.
Intended to bring special attention to
information, but not related to personal injury
or property damage.
High altitude installations — Accepted industry practice requires no derate of burner capacity up to 2,000 feet
above sea level. For altitudes higher than 2,000 feet, derate burner capacity 4% for each 1000 feet above sea level.
To the owner —
Installation and adjustment of the burner
requires technical knowledge and the use of
combustion test instruments. Do not tamper
with the unit or controls. Call your qualified
service technician. Incorrect operation of the
burner could result in severe personal injury,
death or substantial property damage.
Have your equipment inspected and adjusted
at least annually by your qualified service
technician to assure continued proper
operation.
Never attempt to use gasoline in your heating
appliance or to store gasoline or combustible
materials near the heating equipment. This
could result in an explosion or fire, causing
severe personal injury, death or substantial
property damage.
To the owner —
Never burn garbage or refuse in your heating
appliance or try to light the burner by tossing
burning material into the appliance. This
could result in severe personal injury, death
or substantial property damage.
Never attempt to use crankcase or waste oil in
your heating appliance. This could damage
the fuel unit or heating equipment, resulting
in risk of severe personal injury, death or
substantial property damage.
Never restrict air openings on the burner or to
the room in which the appliance is located.
This could result in fire hazard or flue gas
leakage, causing severe personal injury, death
or substantial property damage.
To the installer —
Read all instructions before proceeding.
Follow all instructions completely. Failure to
follow these instructions could result in
equipment malfunction, causing severe
personal injury, death or substantial property
damage.
This equipment must be installed, adjusted
and started only by a qualified service
technician –an individual or agency, licensed
and experienced with all codes and
ordinances, who is responsible for the
installation and adjustment of the equipment.
The installation must comply with all local
codes and ordinances and with the National
Fire Protection Standard for Oil-Burning
Equipment, NFPA 31 (or CSA B139-M91).
To the installer —
Concealed damage - If you discover damage
to the burner or controls during unpacking,
notify the carrier at once and file the
appropriate claim.
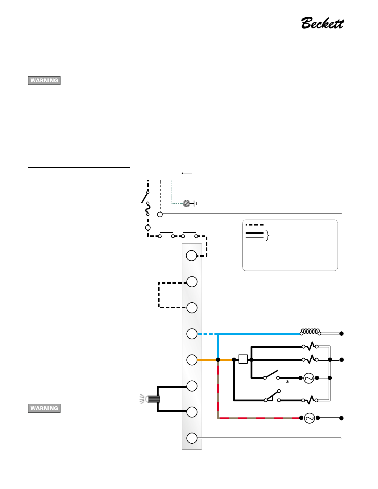
Contacting Beckett for service information
orparts- Please record theburnerserial number
(and have available when calling or writing).
You will find the serial number on the
Underwriters Laboratories label, located on
the left rear of the burner.
50 Hz motors —The burner ratings, air
settings and nozzle ratings are based on
standard 60 hz motors (at 3450 rpm). Derate
all ratings 20% when using 50 hz motors.
Consult factory for specific application data.