
1.0 Introduction - Page 4
Baxi Limited declare that no substances harmful to
health are contained in the appliance or used during
appliance manufacture.
NOTE: This appliance must be installed in accordance
with the manufacturer’s instructions and the regulations
in force, and only used in a suitably ventilated location.
All systems must be thoroughly flushed and treated with
inhibitor (see Section 6.2).
Read the instructions fully before installing or using the
appliance.
1.1 Description
1. The Baxi Barcelona System is a gas fired room sealed
fan assisted condensing central heating system boiler.
2. The maximum output of the boiler is preset at 80,000
Btu/hr. The boiler will automatically adjust down to 30,000
Btu/hr according to the system load. If required, the output
can be set to 100,000 Btu/hr. Please refer to section 8.7.
3. It is designed for use on Natural Gas (G20).
4. The boiler is suitable for sealed central heating and
domestic hot water systems.
5. A label giving details of the model, serial number and Gas
Council number is situated on the rear of the lower door
panel (Fig. 1).
6. The boiler data badge is positioned on the air box door
(Fig. 2).
7. The boiler is intended to be installed in residential /
commercial / light industrial E.M.C. environments on a
governed meter supply only.
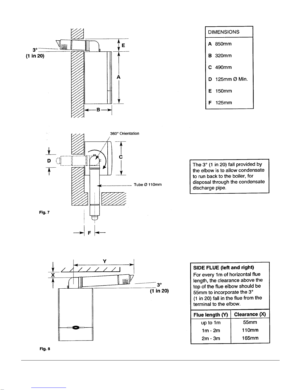
8. The boiler must be installed with one of the purpose
designed flues such as the standard horizontal flue kit, part
no236921.
1.2 Optional Extras
“Benchmark” Log Book
As part of the industry-wide “Benchmark” intiative all Baxi
boilers now include an Installation, Commissioning and
Service Record Log Book. Please read the Log Book
carefully and complete all sections relevant to the appliance
and installation. These include sections on the type of
controls employed, flushing the system, burner operating
pressure etc. The details of the Log Book will be required in
the event of any warranty work. Also, there is a section to be
completed at each subsequent regular service visit.
KIT
FLUE EXTENSION KITS (110/70)
Flue Extension 0.25M
Flue Extension 0.5M
Flue Extension 1 M (use two kits for 2M etc.)
Flue Bend x 2 - 45o(Reduce all length of flue by 0.5m
when fitting this bend)
Flue Bend - 90o(Reduce overall length of flue by 1m
when fitting each bend)
VERTICAL FLUE (110/70)
PART No
241692
241694
241695
241689
241687
Vertical Flue Terminal
Vertical Boiler Connection
VERTICAL FLUE (80/80)
Kit Boiler Connection Twin
CONTROL ACCESSORIES
Integral Electronic Twin Channel Timer Kit
242802
242886
242757
242834