Bauma BM600 Manual de usuario

INSTALLATION
MANUAL
PRODUCT NAME: DIGITAL DOOR LOCK
Product Applied:BM600/ BM610
Vietnamese English

Digital door lock
Model BM600 / BM610
BM600 BM610
DECLARATION: THE PRODUCT FOLLOWS THE STRATEGY OF SUSTAINABLE
DEVELOPMENT. THE COMPANY RESERVES THE RIGHT TO MODIFY AND
IMPROVE THE PRODUCT WITHOUT PRIOR NOTICE.
Version 1.0

Index
Product features----------------------------------------------------------------------------------1
Product specification - exterior trim-------------------------------------------------------------2
Product specification - interior trim-------------------------------------------------------------3
Open & lock the door----------------------------------------------------------------------------4
Service features-----------------------------------------------------------------------------------5
Reverse lever handle-----------------------------------------------------------------------------6
Install spindle, spindle spring and mortise-----------------------------------------------------7
Preparation before installation (for big mortise 60x68)-----------------------------------------------8
Install the trim (for small mortise 50x50)-------------------------------------------------------9
Install the trim (for big mortise 60x68)---------------------------------------------------------10
Read before using
How to use
How to install

Read before using
Product features
Note: *Fingerprint unlock way is available for model BM610 only, please confirm
the product model you purchased.
Door
Thickness
Auxiliary
Function
* Fingerprint
sensor
Power
consumption
Power
supply
Unlock way
Items Sub-items
Big mortise 60x68
Small mortise 50X50
23
Specification
35-60mm
38-60mm
999 pieces
≤air 15KV / contact 8KV
1:N
Semi-conductor
≤0,001%
≤0,1%
20% ~ 95%
-20oC ~ 70oC
< 0,5 seconds
508dpi
Φ13
≤200mA
≤45uA
5V Micro-USB
≤4,8V
Over 10,000 times under normal usage
4 pieces of 1.5V AA alkaline battery
Zigbee - App Hafele Smart Living
2 Keys
Capacity: 3 masters +47 user.
Capacity: 3 masters +47 user.
Capacity: 3 masters +97 user.
Other
Working voltage
Battery life
Low volltage alarm
Back-up power supply
Quiescent current
Dynamic current
Scanning area
Resolution
Responding speed
Working temperature
Relative humidity
FRR
FAR
Fingerprint sensor
Comparison mode
Antistatic ability
Unlock record
*Fingerprint
Password
Card
Mechanical key
22
20
21
19
18
17
16
15
14
13
12
11
10
9
8
7
6
5
4
3
2
1
No
1

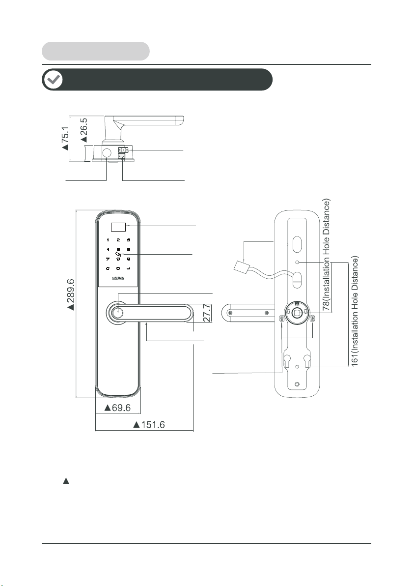
Read before using
Product specification - exterior trim
Lever Handle
Reversing Switch
Connecting Cable
Touch Keypad
Card Reader Area
(Between 5 and 8)
*Fingerprint Sensor
Exterior Handle
OLED Display
Speaker hole
Cylinder
Note:
The overall dimension above includes silicon pad.
2.
1.
*Fingerprint Sensor is only for model BM610 (Please confirm the product model
and accessories you purchased).
Front Side of Exterior Trim Back Side of Exterior Trim
Micro USB back-up
power supply socket
2

Read before using
Product specification - interior trim
Slide Plate of Privacy Turn
Slide Plate Fixing Screw
Handle Fixing Screw
Cable Connecting Socket
Installation Screw Hole
Reset Button
Battery Case
Battery Cover
Interior Handle
Privacy Turn
Installation Screw Hole
Front Side of Interior Trim Back Side of Interior Trim
3

How to use
Open & lock the door
Usage of Mechanical Key
Insert the key into the key hole at bottom of Exterior
Trim and turn it with proper angle to unlock the cylinder,
then press down the handle to open the door.
-----------------------------------------------------
-----------------------------------------------------
How to open the door from outside
Password
1. Touch keypad by
palm to lighten
keypad.
2.Enter the enrolled
password with end
of “ ”.
3. Press down handle
to open the door.
1.Place the enrolled
card properly
between number
5 and 8.
2.Press down handle
to open the door.
Anti-spy coding function
The random number can be added before or after the real user password but the
maximum length is 16 digits. This feature will prevent the real user password from
being exposed.
How to lock the door How to open the door from inside
Press down interior
handle to open the
door.
Fingerprint
(only BM610)
Card
Pull up exterior or
interior handle to
let the dead bolts
come out.
Do not press down the handle while rotating the mechanical key, otherwise, this
incorrect operation may get the lock broken. Always rotate the mechanical key first,
then press down the handle to open the door.
1.Place the
enrolled
finger properly on
the fingerprint
sensor area.
2.Press down
handle
to open the door.
4

How to use
Service features
5V
Emergence power supply
When the battery is too low or completely dead and
the lock cannot be opened from ourside by inputting
master/user identification, connect a 5V power
supply via micro USB port at the bottom of exterior
trim. Then unlock the door with master/user
identification and replace all batteries immediately.
-----------------------------------------------------
-----------------------------------------------------
Restore to factory default settings
Operation instructions :
1.Open battery cover and find the reset button.
2.Press the reset button and keep pressing “ ” on touch
keypad to reset the system.
3.After that all user data and settings will be deleted.
Reset
button
When door is closed, slide privacy button upward to switch
on privacy mode.
When the privacy is turned on, only master identifications
and mechanical key can open the door from outside. User
identifications is prohibited.
Privacy mode
Low power warning and battery replacement
When the battery is lower than 4.8V, there is low power warning signal will appear
on the screen. Please replace all batteries immediately. Make sure the battery is
installed correctly according to the positive and negative pole.
-----------------------------------------------------
1.If passage mode is turned on, it will be turned off automatically
when privacy mode switched on.
2.Please refer to OPERATION MANUAL for the advance setting
of passage mode.
5

How to install
Reverse lever handle
Make sure the lock (cylinder) is locked and pull out the mechanical key before reversing
the lever handle.
1. Remove Screw 1. Take out the slide plate and turn it around (refer to Diagram 1 and
Diagram 2 for left-hand or right-hand open), and then fix the Slide Plate by Screw 1.
2. Remove Screw 2. Take out the lever handle and reverse it to the opposite side (refer to
Diagram 1 and Diagram 2 for left hand or right hand open), and then fix the lever handle by
Screw 2.
Back Side of Interior Trim
for Right Open (Diagram 1)
Back Side of Interior Trim
for Left Open (Diagram 2)
Right Open Left Open
Reverse exterior lever handle
Reverse interior lever handle
-----------------------------------------------------
screw 1
Slide plate
screw 2
There are two reversing switch on the back of exterior plate. When you want to reverse the
lever handle to the other side, push the reversing switch that on the same side of the lever
handle outward, and then turn the lever handle 180°from downward at the same time.
Release the reversing switch and the reversing process of exterior lever handle is done!
6

How to install
Install spindle and spindle spring
1. Put Side A of Spindle into Rotor.
2. Put Spindle Spring over the spindle through
Side B.
1. Bore holes on door according to the template provided.
2. Install the mortise into the bored hole on door, and fix it by screws.
Note: Please install according to product accessories.
A
B
Rotor
Spindle
Spindle Spring
Small mortise 50x50
Install the mortise
-----------------------------------------------------
Big mortise 60x68
(please refer to the right Diagram).
7
Otros manuales para BM600
1
Este manual sirve para los siguientes modelos
2
Tabla de contenidos
Idiomas:
Otros manuales de Cerradura de puerta de Bauma


















