
3
Technical Manual
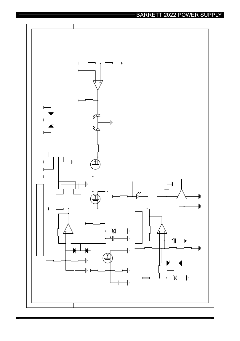
Circuit Description
The rear panel PCB of the 2022 provides an interface between the switch mode module,
external backup battery and device outputs. The front PCB contains the control circuitry for the
automatic battery switch over system. The battery switch over control is based around the
quad voltage comparator U1.
U1B forms the control section for the switch mode module. With the switch mode module
turned on and operating correctly, a voltage of 5.4V is present at Pin 6 of U1 and the voltage at
Pin 7 is 4.8V. This results in the output of the comparator being low. The low output keeps Q1
in the OFF state and relay RL1 is switched to the switch mode module. If the voltage from the
switch mode falls below 12.5V, from loss of mains voltage or a fault in the switch mode
module, then the output of U1B will go HIGH causing Q1 to turn on. Once Q1 turns on the
relay is switched over to the battery supply. The power supply will stay in this condition until
the mains voltage is restored or the switch mode fault is cleared.
To prolong the life of the backup battery it is important that it is not discharged excessively. To
ensure that this never occurs, the voltage of the battery is monitored by U1C. When a battery
is connected to the power supply there are three possible states. Switch mode module
operating correctly, battery being trickle charged. Switch mode module off, battery voltage high
and supplying power to the load. Switch mode off, battery voltage low and no power being
supplied to the load.
In the first situation with the switch mode ON and the battery being charged, U1C has no
control over the relay RL1. In this operating state the switch mode module is keeping the
output of U1B LOW and the Relay RL1 switched to provide the output voltage from the switch
mode module.
Once the switch mode module fails, either due to a fault condition or the loss of mains voltage,
then this part of the circuit becomes active. When a fully charged battery is connected a
voltage of 5.3V is present at Pin 9 of U1. The voltage regulator IC U2 keeps a constant voltage
of 5V on Pin 8 of U1. As the positive input of comparator U1C is at a higher voltage than the
negative input, the output of U1C is High. This results in a positive voltage on the gate of
MOSFET Q1, turning it ON. Once this MOSFET turns on relay RL1 is switched and the output
voltage is supplied by the batteries.
The voltage of the battery is constantly monitored by this circuit during normal operation. The
voltage of a battery drops as the battery is being discharged and the corresponding voltage at
Pin 9 of U1 will also fall. Once this voltage falls below 5V, the output of U1C will change from a
High to a Low state. This will result in the MOSFET Q1 turning off and relay RL1 switching the
battery away from the output devices. To avoid the battery circuit from oscillating, a large
hysteresis loop is designed into the circuit.
If the mains voltage continues to remain unavailable and the battery falls below a safe value
the only way to restore power is to disconnect the discharged battery and replace it with a fully
charged one.