
3
ASSEMBLY
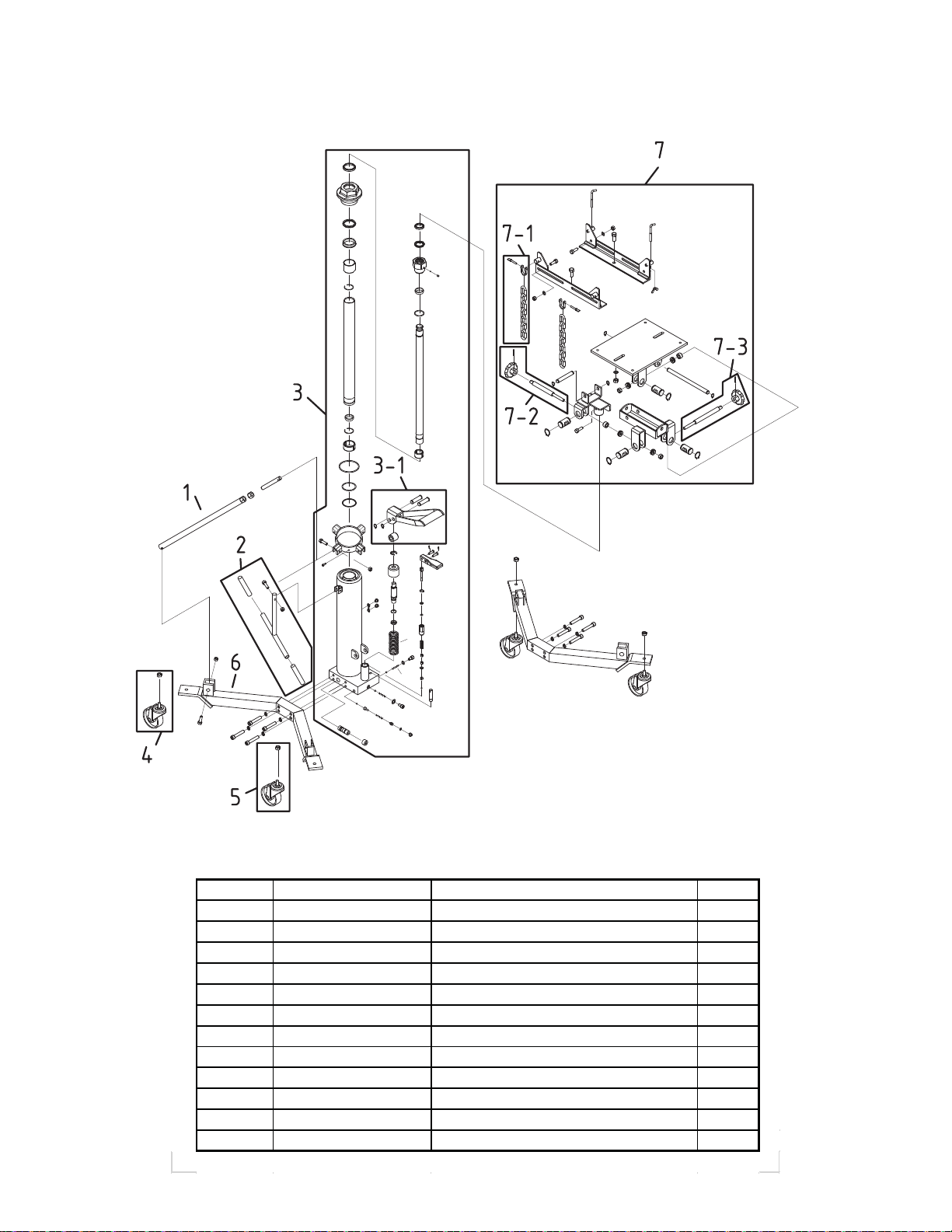
5HIHU to )LJXUH 1
1. ThreemaMor parts shouldEH included in paFNDJH
D +\GUDXOLF unitwith pumpiQJ mechanism
E saddleunit
F pieces of Ease half with EROts and washers
. Attach one of the EDVH halves to the EDVH of the
K\Graulicunit, then secureusinJallenhead Eolts and
washersprovided.ThenDSSO\ thesame procedure to
the other EDVH half. Use torque wrench to WLJKWHQ to
30IWlEV.torque. Do not overtLJhten.
3. Attach the EUDFNHts to thereservoir, then attach one end
of thesupportEDUV toEase halfand theother endtothe
EUDFNHW.SecurewithEROtsand nutsprovided.5epeat
for all other three support Ears.
4. Slide the position handle to the reservoir from top, then
securewithEROWV and nuts provided.
.3RVLWLRQ the saddle unit DERYH the ram piston, place
the saddle VRFNHW onto the ram piston. Secure usinJ
the set screw.
Raise Saddle:
1. 3ump foot pedal or press air pump pedal until
saddlereachesdesiredposition.
.)ROORZ vehiclemanufactXUHU¶V recommended
proceduresforrHPRYLQJ the load as outlinedin vehicle
servicemanualor repair JXLGH.
3. Secureloadwithprovidedchains.
4. (QVXUH ORDGscenterofJUDviW\ is centeredonthesaddle
and load is stDEOH EHIRUH moviQJ MDFN
Lower Saddle:
CAUTION! %H sure all tools and personnel areclear Eefore
loweriQJ load.
Slowl\,JeQWO\ DSSO\ downwardpressuretothereleasevalve
pedal.
To avoid crushing and related
injuries:
NEVER work on, under or
around a load supported only
by a jack. Immediately
transfer the load to an
appropriate work station.
!WARNING
BEFORE USE
1.InspectMDFN EHIRUH each use. Do not use ifEHQW EURNHn
orcracNHd components are noted. (nsurethatcasters
movefreel\. ChecNforandWLJhtenDQ\ loose DVVHPEOLes.
.Verif\thatthe productandtheapplicationarecompatiEle.
:LWKUDPIXOO\ORZHUHGUHPRYHRLOILOOHUVFUHZWREOHHG
air in the reservoir.
4. (Qsureoil level is MustEHlow therim of the oil filler screw
hole. 5HLQVtall the oil filler screw
Study, understand, and follow all printed materials
provided with/on this product before use.
Do not exceed rated capacity.
Use only on hard, level surfaces capable of
supporting rated capacity loads.
Use of this jack is limited to the removal, installation
and transportation of transmissions, transfer cases
and transaxles. Do not use a transmission jack to
tilt or support a vehicle.
Ensure the center gravity of load is centered on the
saddle.
Do not exceed 10˚ tilt angle of the saddle assembly
in all directions.
Adequately support the vehicle before starting repairs.
Use only chains and slings provided.
If loaded jack must be moved, make sure that the
load is secured, stable and in lowest position.
This is a lifting and lowering device only.
Transfer load immediately to appropriate support
device for service or repair.
No alterations shall be made to this product
Failure to heed these markings may result in
personal injury and/or property damage.
!
WARNING