
TABLE OF CONTENTS
Page
GENERAL ................................................. 1
A. MODULES AND COMPONENTS ............................... 1
Figure 1. External View ............................ 1
Figure 2. External View on Back Side ............... 1
Figure 3. Internal Structure ....................... 2
B. BASIC STRUCTURE ...................................... 3
1. Power Supply ...................................... 3
2. CPU and Control Circuit Block ...................... 3
3. Printer Mechanism .................................. 3
Figure 4. General Blocks of Structure .............. 3
Figure 5. CPU and Control Circuit Block Diagram .... 3
4. Connection of Circuits, between Modules ............ 4
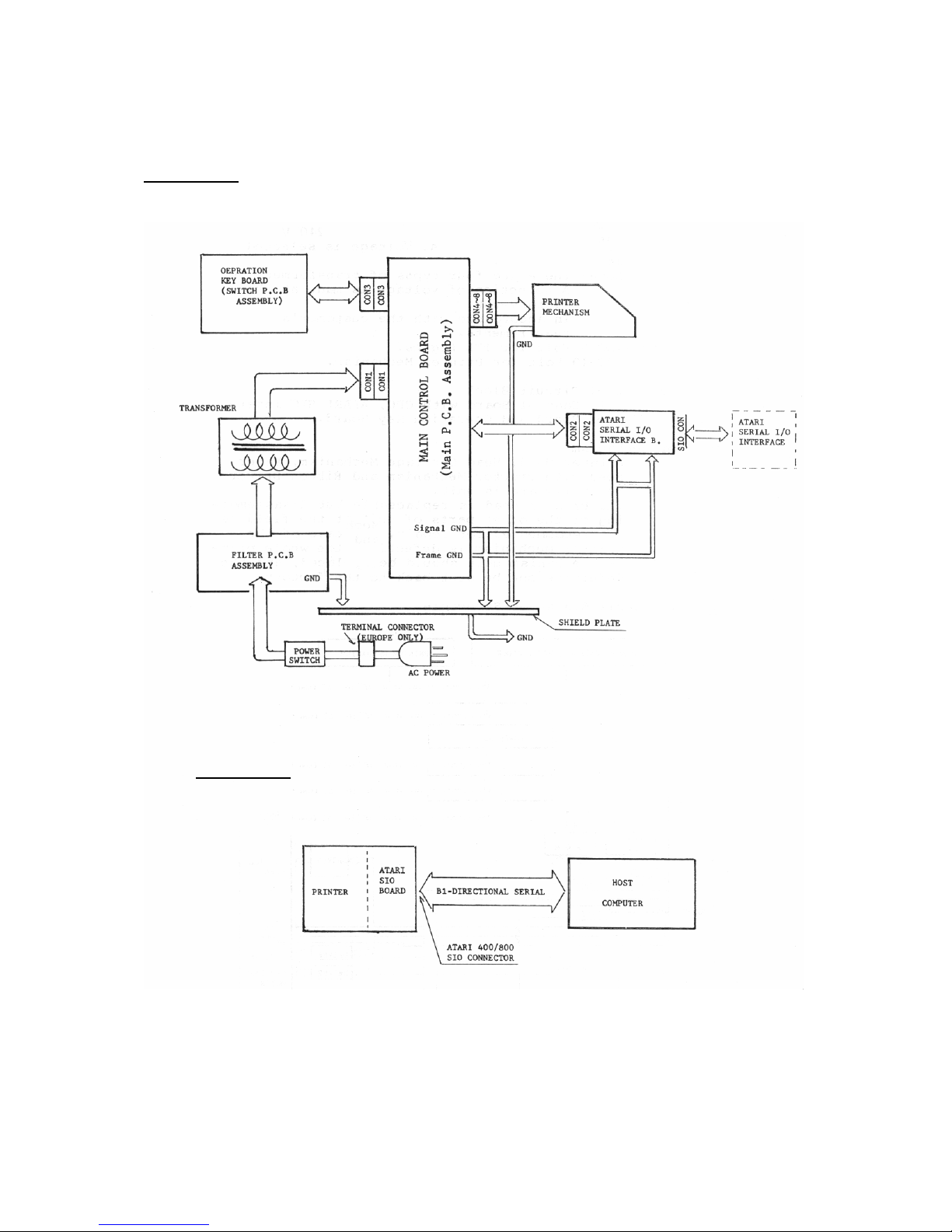
Figure 6. Connector Locations, on Blocks ........... 4
5. Interface Out-line ................................. 4
Figure 7. Interface Block Diagram .................. 4
6. ATARI SIO BUS Timing ............................... 5
Figure 8. Data Send (to Printer) ................... 5
Figure 9. Data Receive (from Printer) .............. 5
7. Functional Structure in Block Diagram .............. 6
Figure 10. Basic Data Flow between the Hardwares 6
Figure 11. Basic Data Flow with the Host Computer 6
8. XMM801 Timing Chart at Power ON .................... 7
Figure 12. Timing Chart ............................ 7
C. ELECTRIC CIRCUIT INFORMATION ......................... 8
1. Power Supply ...................................... 8
Figure 13. Circuit diagram, 220/240Volts Type 8
Figure 14. Circuit diagram, 100/115Volts Type 8
Figure 15. Parts Layout and Pattern Schematic 9
For Filter P.C. Board
2. Operation Keyboard ................................. 9
Figure 16. Circuit Diagram ......................... 9
Figure 17. Parts Layout and Pattern Schematic ...... 9
3. Main Control Board ................................ 10
Figure 18. Circuit Diagram ........................ 10