Este manual sirve para los siguientes modelos
2
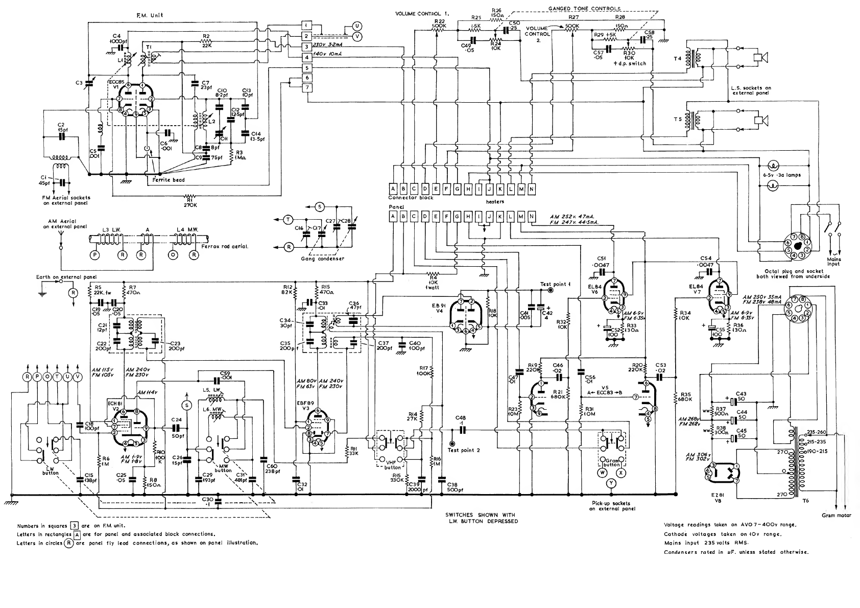
Tabla de contenidos
Otros manuales de Sistema estéreo de Alba
Alba
Alba EX116AX Manual de usuario
LG
LG CM3330B Manual de usuario
Sony
Sony SS-CEP50 Manual de usuario
Cetacea Sound
Cetacea Sound CVS-II Manual de usuario
Aiwa
Aiwa XR-H66MD Manual de usuario
Denon
Denon UCD-250 Manual de usuario
Sanyo
Sanyo DC-MX41i Manual de usuario
Sharp
Sharp CD-ES600V Manual de usuario
Exibel
Exibel BDX600-UK Manual de usuario
Sanyo DC-F320 Manual de usuario
Philips
Philips FWM583X Manual de usuario
Sharp CD-C462 Manual de usuario
Onkyo
Onkyo CBX 300 - CD / MP3 Clock Radio Manual de usuario
Aiwa XR-EM70 Manual de usuario
Cyrus
Cyrus Lyric Manual de usuario
Philips MCM159/98 Manual de usuario
Philips/Magnavox
Philips/Magnavox Magnavox FW 62C Manual de usuario
RCA
RCA RS3965SB Manual de usuario
Sharp XL-UH240 Manual de usuario