– 1 –
LEF Series
OPEN VOICE SELECTIVE CALL INTERCOM
LEF-3
(3-call master)
LEF-5
(5-call master)
LEF-10
(10-call master)
LEF-10S
(10-call master w/all call)
INSTALLATION & OPERATION MANUAL
1SYSTEM OUTLINE & COMPONENTS
834920 0505 N
Models:
• LEF intercom
(LEF-3, 5,10 or 10S)
• Packet of screws
•
Installation & Operation Manual
System outline
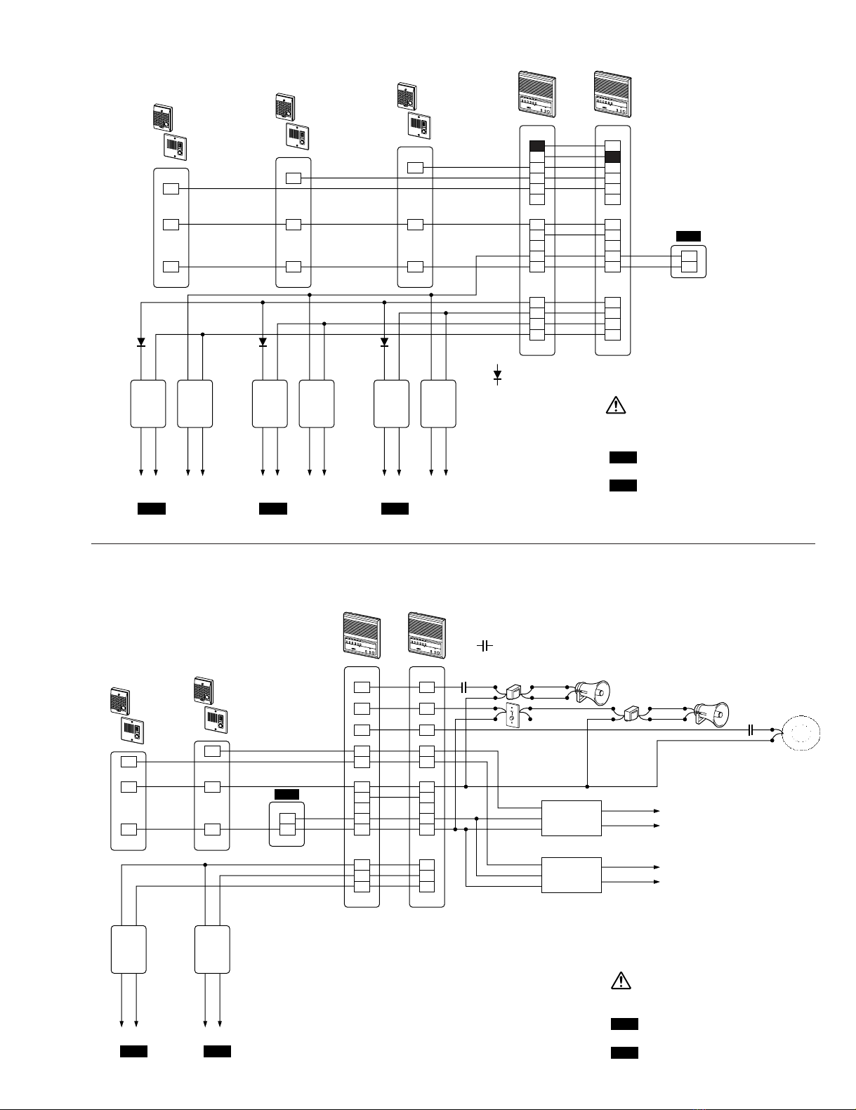
The LEF is a flexible Open Voice Selective Call Intercom system which integrates any combination of master and
sub stations. The system features selective calling from any master with handsfree reply, call-in and LED from a
variety of sub stations, selective door release, and a variety of other optional features.
PT
Package contents
* LEF-5W, LEF-10W & LEF-10SW:
w/Terminal Box prewired
LE-D
LT-1
15~33mfd,
NP
EL-9S
PS12
LEF-10S
LE-A
LE-AN
BG-10C
LE-A3
LE-AN3
LEF-10 LEF-5 LEF-3
LE-DA
8ohm horn
2
2
53
20
17 12 9
3
3(
*
)
(
*
)(
*
)
Multi-cond.
cable
RY-PA
WARNING
(Negligence could result in death or serious injury.)
•
•
•
•
•
PRECAUTIONS
Do not dismantle or alter the unit. Fire or electric shock could result.
Do not connect any non-specified power source to the +, - terminals, and do not install two power supplies in parallel to a single input.
Fire, damage to the unit, or system malfunction could result.
Keep the unit away from water or any other liquid. Fire or electric shock could result.
When existing doorbell wires are used, it is possible that they contain AC voltage. Electric shock or unit damage could result. Make
sure doorbell transformer is disconnected before re-using those wires. Only a qualified Technician should do the installation.
Do not use DC power supply with a voltage other than what is specified. Fire or electric shock could result.
CAUTION
(Negligence could result in injury or damage to property.)
•
•
•
•
•
•
Before turning on power, make sure wires are not crossed or shorted. Fire or electric shock could result.
Do not install the unit in a location subject to constant vibration or impact. If dropped, injury or unit damage could result.
When mounting the unit on a wall, install the unit in a convenient location, but not where it could be jarred or bumped. Injury could result.
For DC powered systems, use Aiphone power supply model specified with system. If non-specified product is used, fire, malfunction, or
unsatisfactory system performance could result.
During an electrical storm, unplug the power supply from the AC outlet. If not, power surge damage to the equipment could result.
Do not install the unit in any of the following locations. Fire, electric shock, or unit trouble could result.
* Places under direct sunlight, or near heating equipment that varies in temperature.
* Places subject to dust, oil, or chemicals.
* Places subject to moisture and humidity extremes, such as a bathroom, cellar, greenhouse, etc.
* Places where the temperature is quite low, such as inside a refrigerated area or in front of air conditioner.
* Places subject to steam or smoke, such as near heating or cooking surfaces.
* Where interference generating devices such as dimmer switches, alarm panels, or fluorescent light fixtures are closeby.
GENERAL PRECAUTIONS
•
•
•
•
Keep the intercom wires more than 20 inches (50cm) away from AC 100~240V wiring. AC induced noise and/or unit malfunction could
result.
In areas where broadcasting station antennas are close by, the intercom system may be affected by radio frequency interference.
The unit will be inoperative during a power outage.
The unit is for inside use only. Do not install outdoors.