Aerpro AERA10D Manual de usuario

AERPRO AERA10D Radio Replacement Kit
for select 2014-2019 Silverado/Sierra Truck
AMHGM1K
Page 1
Introduction and Features
The AMHGM1K is a complete radio replacement kit for the installation of the Aerpro AERA10D modular radio in Chevrolet Silverado
and GMC Sierra trucks. All modules, cables and adapters are included to retain important features of the factory system, including:
front and rear park assist, warning chimes, factory reverse camera, steering wheel-mounted radio controls and AM/FM reception.
Plug & Play wiring harnesses allow for quick and easy installation without the need to cut or splice any wiring. The display mounting
panel allows ush mounting the 10 inch display without modifying/cutting any part of the vehicle’s sub-dash.
Important Notes
Recommended Tools
1. AERA10D Display Mounting Panel
2. Dual USB Extension (SSUSB2)
3. AM / FM Antenna Adapter (BAA22)
4. Main Harness (AMHGM1K-HAR-A)
5. Vehicle Side Harness B (AMHGM1K-HAR-B)
6. Vehicle Side Harness C (AMHGM1K-HAR-C)
7. Radio Replacement Interface (RP5-GM51)
8. Steering Wheel Control Harness (GM5LIN-SW-HAR)
9. Factory Rear Camera Adapter (CAM-GM51)
10. IOB Display Harness (GM5CAM-DIS-HAR)
11. Chime Module (CMX)
12. Differential Video Adapter (RPA-VA1)
Included Components
1 4
6
10
8
5
2
11
3
7
9
12
1. Does not retain the following factory features:
2. Not compatible with vehicles equipped with Bose amplied audio system.
3. Please make your vehicle settings selections before removing the factory radio for optimal installation time.
● Factory satellite radio
● Rear seat entertainment system (RSE)
● Steering wheel control backlighting
● Factory USB Ports
Plastic Panel Tool
7mm Socket
10mm Socket
Pick Tool
Wire Feeder
Ratchet
Torx T15 Screwdriver
Small Flat-blade Screwdriver
NOTE: Along with the AMHGM1K components,
additional hardware and wire harnesses from the
AERA10D (UN1810E) kit will also be used in the
installation.
We recommend reading this manual thoroughly to familiarize yourself
with the entire process prior to beginning the installation.

AERPRO AERA10D Radio Replacement Kit
for select 2014-2019 Silverado/Sierra Truck
AMHGM1K
Page 2
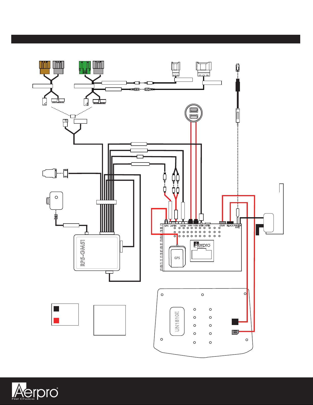
GPS
USB1 USB2 BLACK
GRAY
10PIN6PIN
24PIN 16PINGPS AM/FM
ANT.
AERPRO
Connection
Main Harness
Connection Connections shown are
all required for full
functionality of the kit
and radio. If adding
additional components,
additional connections
will be needed.
REVERSE CAM
A/V IN
RPA-VA1
REVERSE CAM
AUX
16PIN RADIO
16PIN RADIO
6PIN RADIO
SWI
CAM GM51 INPUT
SWC INPUT
CMX
chime module
OR
SR-GM14H-HAR-B
SR-GM14H-HAR-A
SR-GM14H-HAR-B
CAM-GM51-HAR
GM5LIN-SW-HAR
CMX CHIME
RP5-GM51
UN1810E
DAB+
Antenna
Wiring Overview

AERPRO AERA10D Radio Replacement Kit
for select 2014-2019 Silverado/Sierra Truck
AMHGM1K
Page 3
Before starting, determine the vehicle’s factory audio system by
referencing the Service Parts Identication sticker inside the
upper glove box.
The installations are very similar for each type of factory audio
system, but there are differences referenced throughout this guide.
Note: The installation shown in this guide is IO5 with factory
rear camera and steering wheel controls.
One of these RPO codes will be listed:
IO3, IO4, IO5, IO6 or IOB
Step 3Step 2
Step 1
Section 1: Disassembly
Part One: Center Dash Disassembly
If equipped, remove the two
7mm screws from the CD/DVD
mechanism, remove and unplug.
(This plug will not be reconnected).
Remove the four 7mm screws
securing the radio display/climate
control panel. Pull outward to
release the retaining clips.
Remove all connectors from the
back of the panel.
Remove the radio display/climate
control trim panel using a plastic
trim tool to release the retaining
clips. Unplug any wire harnesses
from the back of the trim panel, if
equipped.
This installation manual will cover the necessary order of procedures to complete the installation
efciently and to avoid redoing any steps. The order will be as follows; Disassembly, In-Vehicle Harness
Connections and Preparation, Interface and Main Harness Connections, Display Mounting Panel
Preparation, Radio Module Preparation and Radio Unit Installation.
The installation steps shown are all required for full functionality of the radio. If adding additional
components; cameras, ampliers, satellite radio, etc., additional steps and harnesses will be needed.
Factory Radio Code
NOTE: LEFT HAND DRIVE VEHICLE PICTURED FOR ILLUSTRATION PURPOSES ONLY

AERPRO AERA10D Radio Replacement Kit
for select 2014-2019 Silverado/Sierra Truck
AMHGM1K
Page 4
Step 4
Part One: Center Dash Disassembly (cont.)
Remove the three 7mm screws
securing the air vent on the left
side of the radio opening and
remove the vent.
Step 3
Step 2
Step 1
Using a panel tool or similar,
release the top retaining clips and
remove the storage assembly.
Remove the upper Torx T15
screw inside the storage
compartment.
Remove the two Torx T15 screws
from the bottom edge of the
storage compartment.
Part Two: Lower Storage Compartment Removal
Section 1: Disassembly (cont.)

AERPRO AERA10D Radio Replacement Kit
for select 2014-2019 Silverado/Sierra Truck
AMHGM1K
Page 5
Step 3
Step 6
Step 2
Step 5
Step 1
Step 4
Section 1: Disassembly (cont.)
Part Three: Glove Box Removal (Optional)
Pull outward on the lower glove
box to release the retaining clips
and remove the lower glove box.
Unplug the gray 12 pin camera
harness from the HMI module.
Open the upper and lower glove
box doors and remove the two
Torx T15 screws securing the
lower glove box.
Up, behind the metal bar running
across the inner dash, locate the
HMI Module; black module with
multiple colored plugs facing down.
Remove the two Torx T15 screws
from the bottom edge of the lower
glove box.
Remove the two Torx T15 screws
and pull to remove the upper
glove box. Unplug the factory USB
port from the backside.
If the vehicle is equipped with IO4, IO5 or IO6 radio AND a factory rear camera, follow the steps below to
remove the glove box. For IO3 and IOB vehicles, or no factory rear camera, proceed to Part Four.

AERPRO AERA10D Radio Replacement Kit
for select 2014-2019 Silverado/Sierra Truck
AMHGM1K
Page 6
Part Four: A Pillar Removal
Step 3
Step 2
Step 1
Pull the trim panel to release the
retaining clips and remove.
Remove the two 10mm bolts.
Remove the inserts covering the
bolts on the passenger A pillar
handle.
Part Five: Lower Steering Column Cover Removal (Optional)
Step 3
Step 2
Pull downward on the lower
cover on both sides to release
the locking tabs and remove the
lower cover.
Remove the plastic handle from
the steering wheel tilt lever by
pulling outward, towards the
passenger’s door on the handle.
A trim tool may also be used if
unable to remove by hand.
If the vehicle is equipped with IO3, IO4, IO5 or IO6 radio AND steering wheel controls, follow the steps
below to remove the lower steering column cover. For IOB vehicles or no steering wheel controls, proceed
to Section Two on next page.
Step 1
Remove the two Torx T15 screws
from the bottom edge of knee
panel below the steering column.
Pull outward to remove the panel
and lay carefully on the oor board.
Section 1: Disassembly (cont.)

AERPRO AERA10D Radio Replacement Kit
for select 2014-2019 Silverado/Sierra Truck
AMHGM1K
Page 7
Step 3Step 2
Step 1
Step 4
Install the optional USB cover and
feed the USB cables through the
front of the panel. Secure with the
anged nut and then lock with the
lock nut.
Remove the plastic sleeve by
depressing the two tabs and
pushing out the front.
From the backside of the lower
storage compartment, remove the
metal insert from the power outlet
by releasing the two retaining clips
with a small pick and pushing out
the front side.
Route the USB cables up and out
of the right side opening at the
rear of the CD/DVD opening.
Section 2: In-Vehicle Harness Connections and Preparation
Part One: Dual USB Extension (SSUSB2)
Apple CarPlay, Android Auto require access to a USB port. The SSUSB2 is designed to extend the USB ports on the back of the
AERA10D to where they are accessible once the radio is installed.
For this installation, the factory 12V power outlet will be replaced with the SSUSB2. You may chose to follow these steps, or
mount the USB port somewhere else in the vehicle. Please note, the factory USB ports will no longer function after the factory
radio is removed.

AERPRO AERA10D Radio Replacement Kit
for select 2014-2019 Silverado/Sierra Truck
AMHGM1K
Page 8
Step 3
Step 3
Step 2
Step 2
Step 1
Step 1
Route the camera RCA out of the
left side opening at the rear of the
CD/DVD opening.
Secure the T-harness to the factory
wire harness. Route the 50” single
lead from the GM5LIN-SW-HAR to
the radio opening, securing with zip
ties.
Route the yellow RCA end of
the camera cable to the radio
opening. Secure plug and cable
with zip ties.
Plug the male connector into the
female end of the GM5LIN-SW-
HAR and plug the GM5LIN-SW-
HAR male end into the female
connector on the steering column.
Plug the gray 12 pin camera
harness from the HMI module into
the CAM-GM51-HAR.
Locate and unplug the black 10
pin connector located on the
underside of the steering column.
Section 2: In-Vehicle Harness Connections and Preparation (cont.)
Part Two: Factory Rear Camera Retention Harness (CAM-GM51-HAR)
Part Three: Steering Wheel Control (SWC) Retention Harness (GM5LIN-SW-HAR)
If the vehicle is equipped with IO4, IO5 or IO6 radio AND a factory rear camera, follow the steps below to
install the factory camera retention harness behind the glove box. For IO3 and IOB vehicles, or no factory
rear camera, proceed to Part Four.
If the vehicle is equipped with IO4, IO5 or IO6 radio AND steering wheel controls, follow the steps below to
install the SWC retention harness at the steering column. For IO3 and IOB vehicles, or no steering wheel
controls, proceed to Part Four.

AERPRO AERA10D Radio Replacement Kit
for select 2014-2019 Silverado/Sierra Truck
AMHGM1K
Page 9
Step 1 Step 2 Step 3
Step 4
Route the steering wheel control
lead into the CD/DVD area
through the left side opening in the
rear of the cavity.
Part Three: Steering Wheel Control (SWC) Retention Harness (cont.)
Part Four: GPS & DAB+ Antennas
The GPS antenna is required for proper operation of Apple CarPlay and Android Auto, in addition to the optional GPS if
installed. The GPS antenna is included in the AERA10D hardware.
Section 2: In-Vehicle Harness Connections and Preparation (cont.)
Continue routing the cables across
the inner dash towards the radio
opening securing with zip ties.
Position the GPS & DAB+
antennas, and route the antenna
cables down into the glove box
area. Replace the A pillar panel
and ensure the cables do not
interfere or get pinched.
Route the cables into the CD/DVD
area through the right side opening
at the rear of the cavity.
DAB+
GPS

AERPRO AERA10D Radio Replacement Kit
for select 2014-2019 Silverado/Sierra Truck
AMHGM1K
Page 10
Step 2 Step 3
Step 1
Unplug the Black antenna cable
from the factory tuner and re-route
it down and through the right side
opening of the lower CD/DVD area.
Connect the BAA22 Antenna
adapter to the factory antenna.
Unplug the Green and Gray
or Mustard and Gray (IOB)
connectors from the factory tuner
and re-route them down and
through the left opening of the
lower CD/DVD area.
Part Five: Vehicle Side Plug Relocation and Antenna Adapter
Section 2: In-Vehicle Harness Connections and Preparation (cont.)
Section 3: Interface and Main Harness Connections and Preparation
Part One: RP5-GM51 Radio Interface Connections
Step 3Step 2
Step 1
Connect the four connectors
from the AMHGM1K-HAR-A Main
Harness to the indicated ports on
the RP5-GM51 module.
Remove the warning sticker on
Vehicle Connections port on the
other side of the RP5-GM51
module.
Using a small at-blade
screwdriver or similar, set the
Radio Select Dial on the side of
the RP5-GM51 to Number 4.
1 2
3
4
x
x
Otros manuales para AERA10D
2
Tabla de contenidos
Otros manuales de Receptor de coche de Aerpro



















