
5
Für den Installateur
Deutsch
2 Montageanweisung
Der Einbau der Zusatzheizung muss von einem zugelassenen Fachmann unter Beachtung dieser sowie
der Gebrauchs- und Montageanweisung des Wärmespeichers vorgenommen werden.
Alle elektrischen Anschluss- und Installationsarbeiten sind nach den VDE-Bestimmungen 0100,
den Vorschriften des zuständigen Energie-Versorgungs-Unternehmens sowie den entsprechenden
nationalen und regionalen Vorschriften auszuführen.
2.1 Verpackungseinheit
1 Zusatzheizkörper und Befestigungsmaterial
1 EIN/AUS-Schalter mit 2 Schaltlitzen
1 Temperaturregler 50 °C mit Schaltlitze (blau)
1 Temperaturregler 113 °C (lila Kennzeicnung)
1 Gebrauchs- und Montageanweisung
1 separate Schaltlitze mit Flachsteckhülse und Flachsteckverteiler
1 Kabelbaum
1 Cu-Brücke
2.2 Montage
Vor Beginn der Montagearbeiten den Wärmespeicher spannungsfrei machen.
Beim Anschluss des Wärmespeichers an eine automatische Aufladesteuerung kann auch bei
herausgenommenen Sicherungen an den Klemmen A1/Z1 - A2/Z2 Spannung anliegen.
2.2.1 Einbaureihenfolge
•Luftaus- und Lufteintrittgitter, Vorderwand und rechte Seitenwand wie in der Gebrauchs- und
Montageanweisung des Wärmespeichers beschrieben abnehmen;
•Blindkappe (1) für Schalter (2) mit Hilfsmittel von der Schaltraumseite her aus dem Bedienfeld oben
rechts herausdrücken.
Bei einem vorhandenen externen Raumtemperaturregler mit Zusatzheizungsschalter ist kein
Schalter in das Bedienfeld einzusetzen.
•Die 2 schwarzen Litzen (Länge L = 420 mm) mit den Flachsteckern auf dem Schalter (2) durch die
Halterung (3) stecken und Halterung auf dem Blechwinkel (4) einrasten.
•Ein-/Aus-Schalter (2) mit dem Symbol „Heizen“ rechts in die Halterung drücken.
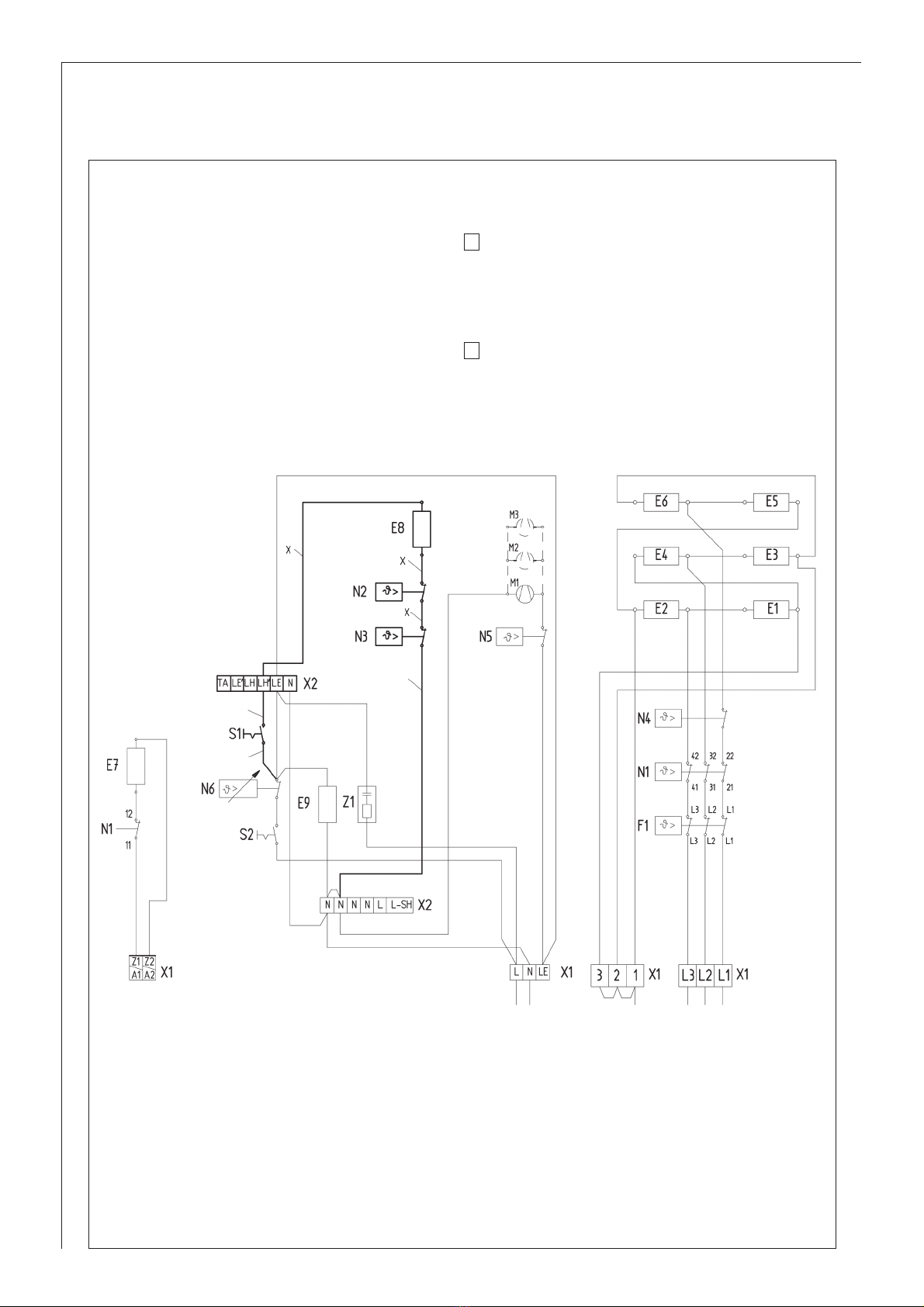
•Beide schwarze Litzen vom Schalter auf der Klemmleiste X2 auf LH und LH´ anschließen
(siehe entsprechendem Schaltbild).
•Temperaturregler N3 (50 °C) mit 2 selbstformenden Schrauben 3,5x9,5 unterhalb der unteren
Heizkörperanschlüsse auf der Zwischenwand befestigen
(in die vorhandenen kleineren Löcher). Hierzu das im Schaltraum angebrachte „Winkelblech zur
Aufnahme der Netzanschlussklemmen“ (12) nach Lösen (nicht herausdrehen) der in der Rückwand
sitzenden Schraube aushängen.
Der Boden des Temperaturreglers muss plan aufliegen.
•Luftführungsbaugruppe (6) losschrauben, herausziehen und Luftklappe(n) (7) abnehmen
(gegen Beschädigung sichern).
•Temperaturregler N2 (113 °C, mit lila Punkt) auf der Rückseite der Luftführungsbaugruppe mit
2 gewindefurchenden Schrauben M3x6 befestigen.
Der Boden des Temperaturreglers muss plan auflegen.
•Zusatzheizkörper (9)montieren.
Die Arretierungsclips (10.1, zwei Stück für Heizkörper) in die Langlöcher an der rechten Seite der
Luftführungsbaugruppe (6) einrasten. Der/die restlichen Clip(se) in die Unterseite der
Luftführungsbaugruppe einrasten.
Pendelblech (11.1) auf den Heizkörper schieben.
Heizkörper in den Arretierungsclip fixieren und das Pendelblech in die Langlöcher auf der linken Seite
der Luftführungsbaugruppe einsetzen und von der Rückseite verschränken.